PMMH’s weekly seminar is held every Friday at 11 am (map)
Alice Pelosse
Stéphane Perrard
Etienne Reyssat
Virgile Thiévenaz
PMMH
BARRE CASSAN
BAT A 1ER ETAGE CASE 18
7 QUAI SAINT BERNARD
75005 PARIS
France
Tel : (33) 1 40 79 45 22
Séminaire PMMH - Philippe Marmottant (LIPhy, Grenoble)
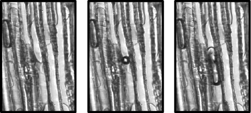
Cavitation of sap in trees and leaves
In this talk, we will present our investigations on the nucleation of bubbles in tree vessels, by showing experiments on wood and on leaves. Such explosive bubbles occur by cavitation, since the liquid sap in trees is under extreme negative pressure. They form an emboly that can develop and affect the hydraulic circulation of sap.
- Seminar archive
- Recent seminars
- Seminars
Seminar archive (531)
2026
-
Séminaire PMMH – Stéphane Dorbolo (U. Liège)
Vendredi 13 février de 11h00 à 12h00 - Salle réunion PMMH 1
-
Séminaire PMMH – Stéphane Dorbolo (U. Liège)
Vendredi 13 février de 11h00 à 12h00 - Salle réunion PMMH 1
-
Séminaire PMMH – Emmanuel Villermaux (IRPHÉ, Marseille)
Vendredi 6 février de 11h00 à 12h00 - Salle réunion PMMH 1
-
Séminaire PMMH – Émilien Dilly (LiPhy, Grenoble)
Vendredi 30 janvier de 11h00 à 12h00 - Salle réunion PMMH 1
-
Séminaire PMMH – Émilien Dilly (LiPhy, Grenoble)
Vendredi 30 janvier de 11h00 à 12h00 - Salle réunion PMMH 1
-
Séminaire PMMH – Cécile Callou (Muséum d'Histoire naturelle)
Vendredi 9 janvier de 11h00 à 12h00 - Salle réunion PMMH 1
-
Séminaire PMMH – Cécile Callou (Muséum d'Histoire naturelle)
Vendredi 9 janvier de 11h00 à 12h00 - Salle réunion PMMH 1
-
Séminaire PMMH – Stéphane Dorbolo (U. Liège)
2025
-
Séminaire PMMH – Lara Kohler (Max Planck Dresden)
Vendredi 19 décembre 2025 de 11h00 à 12h00 - Salle réunion PMMH 1
-
Séminaire PMMH – Lara Kohler (Max Planck Dresden)
Vendredi 19 décembre 2025 de 11h00 à 12h00 - Salle réunion PMMH 1
-
Séminaire PMMH – Aubin Archambault (IUSTI, Marseille)
Vendredi 12 décembre 2025 de 11h00 à 12h00 - Salle réunion PMMH 1
-
Séminaire PMMH – Francesca Borghi (U. Milan)
Vendredi 5 décembre 2025 de 11h00 à 12h00 - Salle réunion PMMH 1
Reprogrammable hardware for data processing at the edge : a new computing paradigm based on neuromorphic systems
The brain's ability to perform efficient and fault-tolerant data processing is strongly related with its peculiar interconnected adaptive architecture, based on redundant neural circuits interacting at different scales. By emulating the brain's processing and learning mechanisms, computing technologies strive to (…) -
Séminaire PMMH – Francesca Borghi (U. Milan)
Vendredi 5 décembre 2025 de 11h00 à 12h00 - Salle réunion PMMH 1
Reprogrammable hardware for data processing at the edge : a new computing paradigm based on neuromorphic systems
The brain's ability to perform efficient and fault-tolerant data processing is strongly related with its peculiar interconnected adaptive architecture, based on redundant neural circuits interacting at different scales. By emulating the brain's processing and learning mechanisms, computing technologies strive to (…) -
Séminaire PMMH – Paddy Royall (Gulliver, ESPCI Paris)
Vendredi 28 novembre 2025 de 11h00 à 12h00 - Salle réunion PMMH 1
-
Séminaire PMMH – Christiana Mavroyiakoumou (Oxford University)
Vendredi 21 novembre 2025 de 11h00 à 12h00 - Salle réunion PMMH 1
-
Séminaire PMMH – Christiana Mavroyiakoumou (Oxford University)
Vendredi 21 novembre 2025 de 11h00 à 12h00 - Salle réunion PMMH 1
-
Séminaire PMMH – Romain Mari (LiPhy, Grenoble)
Vendredi 14 novembre 2025 de 11h00 à 12h00 - Salle réunion PMMH 1
-
Séminaire PMMH – Romain Mari (LiPhy, Grenoble)
Vendredi 14 novembre 2025 de 11h00 à 12h00 - Salle réunion PMMH 1
-
Séminaire PMMH – Christina Kurzthaler (MPI Dresden)
Vendredi 7 novembre 2025 de 11h00 à 12h00 - Salle réunion PMMH 1
Microbes in motion : from surface interactions to porous media
Swimming microorganisms represent fascinating exemplars of non-equilibrium systems and display a range of unusual physical phenomena. These active agents often operate in complex environments, characterized by confining boundaries and flows, that can strongly modify their swimming dynamics. In this talk, I will (…) -
Séminaire PMMH – Florence Bertails-Descoubes (INRIA, Grenoble) & Sébastien Neukirch (∂Alembert)
Vendredi 10 octobre 2025 de 11h00 à 12h00 - Salle réunion PMMH 1
-
Séminaire PMMH – Antoine Sanner (ETH Zürich)
Vendredi 3 octobre 2025 de 11h00 à 12h00 - Salle réunion PMMH 1
-
Séminaire PMMH – Antoine Sanner (ETH Zürich)
Vendredi 3 octobre 2025 de 11h00 à 12h00 - Salle réunion PMMH 1
-
Séminaire PMMH – Antoine Deblais (U. Amsterdam)
Vendredi 26 septembre 2025 de 11h00 à 12h00 - Salle réunion PMMH 1
-
Séminaire PMMH - Anaïs Gauthier, IPR Rennes, CNRS
Vendredi 19 septembre 2025 de 11h00 à 12h00 - Salle réunion PMMH 1
Capillary choreographies at low-Friction interfaces
From Leidenfrost baths to soap films The motion of millimetre-sized objects trapped at the liquid-air interfaces is a familiar phenomenon, seen in the clumping of cereals in a bowl or of bubbles at the surface of a sparkling drink. The deformation of the interface typically generates attractive forces between the (…) -
Séminaire PMMH – Irène Nagle (TU Delft)
Vendredi 5 septembre 2025 de 11h00 à 12h00 - Salle réunion PMMH 1
-
Séminaire PMMH – Irène Nagle (TU Delft)
Vendredi 5 septembre 2025 de 11h00 à 12h00 - Salle réunion PMMH 1
-
Séminaire PMMH - Vince Craig, Australian National University, Australia
Vendredi 11 juillet 2025 de 11h00 à 12h00 - Salle réunion PMMH 1
Underscreening Stable colloidal systems at very high electrolyte concentrations
In colloidal systems the range and strength of electrostatic interactions has a profound effect on a range of properties including the stability of colloidal dispersions and the phase behaviour of surfactant and polymer systems. The Debye length has proven to be a very effective measure of the range of (…) -
Séminaire PMMH - Salvatore Federico (University of Calgary, Canada)
Vendredi 4 juillet de 11h00 à 12h00 - Salle réunion PMMH 1
Continuum Mechanics of Hydrated Fibre-Reinforced Soft Tissues
Biological tissues can be represented as bi-phasic continua, with a porous solid phase saturated by an interstitial fluid and reinforced by collagen fibers. This lecture will give an overview of the modelling techniques for fibre-reinforced porous composite materials with statistical orientation of the fibers. Both (…) -
Séminaire PMMH - Salvatore Federico (University of Calgary, Canada)
Vendredi 4 juillet 2025 de 11h00 à 12h00 - Salle réunion PMMH 1
Continuum Mechanics of Hydrated Fibre-Reinforced Soft Tissues
Biological tissues can be represented as bi-phasic continua, with a porous solid phase saturated by an interstitial fluid and reinforced by collagen fibers. This lecture will give an overview of the modelling techniques for fibre-reinforced porous composite materials with statistical orientation of the fibers. Both (…) -
Séminaire PMMH – Daegyoum Kim (KAIST)
Vendredi 27 juin 2025 de 11h00 à 12h00 - Salle réunion PMMH 1
-
Séminaire PMMH – Daegyoum Kim (KAIST)
Vendredi 27 juin 2025 de 11h00 à 12h00 - Salle réunion PMMH 1
-
Séminaire PMMH - Francesca Borghi Università degli Studi di Milano
Vendredi 20 juin de 11h00 à 12h00 - Salle réunion PMMH 1
REPROGRAMMABLE HARDWARE FOR DATA PROCESSING AT THE EDGE : A NEW COMPUTING PARADIGM BASED ON NEUROMORPHIC SYSTEMS
The brain's ability to perform efficient and fault-tolerant data processing is strongly related with its peculiar interconnected adaptive architecture, based on redundant neural circuits interacting at different scales. By emulating the brain's processing and learning mechanisms, computing technologies strive to (…) -
Séminaire PMMH - Francesca Borghi Università degli Studi di Milano
Vendredi 20 juin 2025 de 11h00 à 12h00 - Salle réunion PMMH 1
REPROGRAMMABLE HARDWARE FOR DATA PROCESSING AT THE EDGE : A NEW COMPUTING PARADIGM BASED ON NEUROMORPHIC SYSTEMS
The brain's ability to perform efficient and fault-tolerant data processing is strongly related with its peculiar interconnected adaptive architecture, based on redundant neural circuits interacting at different scales. By emulating the brain's processing and learning mechanisms, computing technologies strive to (…) -
Séminaire PMMH – Daniel Tam (TU Delft)
Vendredi 13 juin 2025 de 11h00 à 12h00 - Salle réunion PMMH 1
-
Séminaire PMMH – Daniel Tam (TU Delft)
Vendredi 13 juin 2025 de 11h00 à 12h00 - Salle réunion PMMH 1
-
Séminaire PMMH – Vincent Bertin (IUSTI, U. Aix-Marseille)
Vendredi 6 juin de 11h00 à 12h00 - Salle réunion PMMH 1
-
Séminaire PMMH – Vincent Bertin (IUSTI, U. Aix-Marseille)
Vendredi 6 juin 2025 de 11h00 à 12h00 - Salle réunion PMMH 1
-
Séminaire PMMH - José Halloy (LIED, Univ. Paris Cité)
Vendredi 23 mai de 11h00 à 12h00 - Salle réunion PMMH 1
Energy Transition and Earth System Dynamics : Quantifying Long-Term Sustainability Trajectories for Human Societies
This talk explores how current industrial technologies - linear, extractive, and ecologically disruptive - must be replaced by systems designed in harmony with the Earth's living metabolism. Framing the planet as a dynamic, interdependent system rather than a passive resource pool leads to a fundamental rethinking (…) -
Séminaire PMMH - José Halloy (LIED, Univ. Paris Cité)
Vendredi 23 mai 2025 de 11h00 à 12h00 - Salle réunion PMMH 1
Energy Transition and Earth System Dynamics : Quantifying Long-Term Sustainability Trajectories for Human Societies
This talk explores how current industrial technologies - linear, extractive, and ecologically disruptive - must be replaced by systems designed in harmony with the Earth's living metabolism. Framing the planet as a dynamic, interdependent system rather than a passive resource pool leads to a fundamental rethinking (…) -
Séminaire PMMH - Julien Scheibert (LTDS, EC Lyon)
Vendredi 16 mai de 11h00 à 12h00 - Salle réunion PMMH 1
Metainterfaces : how to design a rough contact that obeys a specific friction law ?
Many devices, including touchscreens and robotic hands, involve frictional contacts. Optimizing those devices requires fine control of the interface's friction law. We lack systematic methods to create dry contact interfaces whose frictional behaviour satisfies preset specifications. In this seminar, I will present (…) -
Séminaire PMMH - Julien Scheibert (LTDS, EC Lyon)
Vendredi 16 mai 2025 de 11h00 à 12h00 - Salle réunion PMMH 1
Metainterfaces : how to design a rough contact that obeys a specific friction law ?
Many devices, including touchscreens and robotic hands, involve frictional contacts. Optimizing those devices requires fine control of the interface's friction law. We lack systematic methods to create dry contact interfaces whose frictional behaviour satisfies preset specifications. In this seminar, I will present (…) -
Séminaire PMMH – Olga Dudko (University of California at San Diego)
Vendredi 18 avril de 11h00 à 12h00 - Salle réunion PMMH 1
-
Séminaire PMMH – Olga Dudko (University of California at San Diego)
Vendredi 18 avril 2025 de 11h00 à 12h00 - Salle réunion PMMH 1
-
Séminaire PMMH - Máté Nagy (Eötvös Loránd University, Budapest)
Vendredi 11 avril de 11h00 à 12h00 - Salle réunion PMMH 1
Physics of animal collective behavior : interactions with one another and their environment
The breathtaking aerial displays and mesmerizing formations of birds, fish shoals and the thunderous gallop of hundreds of horses exemplify captivating group behaviors in nature. Traditional measurement methods fall short in capturing these intricate behaviors arising from simple individual interactions, (…) -
Séminaire PMMH - Máté Nagy (Eötvös Loránd University, Budapest)
Vendredi 11 avril 2025 de 11h00 à 12h00 - Salle réunion PMMH 1
Physics of animal collective behavior : interactions with one another and their environment
The breathtaking aerial displays and mesmerizing formations of birds, fish shoals and the thunderous gallop of hundreds of horses exemplify captivating group behaviors in nature. Traditional measurement methods fall short in capturing these intricate behaviors arising from simple individual interactions, (…) -
Séminaire PMMH - Pascale Aussillous, Polytech' & Aix Marseille Université
Vendredi 28 mars 2025 de 11h00 à 12h00 - Salle réunion PMMH 1
Discharge Flow of a Granular Media from a Silo : Experimental investigations and continuum modeling
Silos are widely used in the industry. While empirical predictions of the flow rate, based on scaling law, exist for more than a century, recently advances have been made on the understanding of the control parameters of the flow. In particular using a continuum model together with a visco-plastic frictional (…) -
Séminaire PMMH – Charlotte de Blois (FAST, U. Paris-Saclay)
Vendredi 21 mars 2025 de 11h00 à 12h00 - Salle réunion PMMH 1
-
Séminaire PMMH – Anand U. Oza (NJIT, USA)
Vendredi 14 mars 2025 de 11h00 à 12h00 - Salle réunion PMMH 1
Coarse-grained models for schooling swimmers in fast flows
The beautiful displays exhibited by fish schools and bird flocks have long fascinated scientists, but the role of their complex behavior remains largely unknown. In particular, the influence of hydrodynamic interactions on schooling and flocking has been the subject of debate in the scientific literature. I will (…) -
Séminaire PMMH - Imgard Bischofberger, MIT
Vendredi 7 mars 2025 de 11h00 à 12h00 - Salle réunion PMMH 1
Flowing through a world of patterns
Why is there so much structure, order and texture to life and nature, rather than a featureless expanse ? From microscopic snowflakes to dried mud and vast river networks, pattern formation gives rise to systems of extraordinary intricacy and beauty. Understanding how a system spontaneously selects its overall (…) -
Séminaire PMMH - Christophe Denoual, CEA
Vendredi 14 février 2025 de 11h00 à 12h00 - Salle réunion PMMH 1
A path to model complex displacive transitions
C. Denoual1,2, N. Bruzy1,2 1-CEA, DAM, DIF, F-91297 Arpajon, France 2-Université Paris-Saclay, LMCE, F-91680 Bruyères-le-Châtel, France Under shock loading, crystalline metals can accommodate stresses through very rapid microstructural transitions such as deformation twinning or martensitic phase transitions. (…) -
Séminaire PMMH - Chandan Bose (Univ. Birmingham)
Vendredi 7 février 2025 de 11h00 à 12h00 - Salle réunion PMMH 1
From Nature to Simulation : Vortex-Dominated Flows and Bioinspired Fluid-Structure Interaction Systems
In this presentation, I will provide an overview of the ongoing research in my group at the University of Birmingham on the computational modelling of biomimetic engineering systems. These systems leverage advanced numerical methods to simulate and analyze vortex-dominated fluid flows inspired by biological (…) -
Séminaire PMMH - Elisabeth Lemaire (INPHYNI, Nice)
Vendredi 31 janvier de 11h00 à 12h00 - Salle réunion PMMH 1
-
Séminaire PMMH - Elisabeth Lemaire (INPHYNI, Nice)
Vendredi 31 janvier 2025 de 11h00 à 12h00 - Salle réunion PMMH 1
Origins of shear-thinning in non-Brownian suspensions
The rheology of concentrated non-Brownian suspensions has undergone a small revolution in the last 15 years when the importance of the role played by solid contacts between particles was realized. Considering these contacts has allowed to explain the continuous or discontinuous shear-thickening in dense suspensions (…) -
Séminaire PMMH - Ludovic Berthier, Gulliver
Vendredi 24 janvier de 11h00 à 12h00 - Salle réunion PMMH 1
Emerging active turbulence and chaotic advection in dense active matter
I will show that active mesoscale flows, a.k.a. active turbulence, leading to chaotic advection generically emerge in simple models of active particles leading to streams and vortices reminiscent of multiscale flow patterns in turbulence. The characteristics of these flows do not depend on the specific details of (…) -
Séminaire PMMH - Ludovic Berthier, Gulliver
Vendredi 24 janvier 2025 de 11h00 à 12h00 - Salle réunion PMMH 1
Emerging active turbulence and chaotic advection in dense active matter
I will show that active mesoscale flows, a.k.a. active turbulence, leading to chaotic advection generically emerge in simple models of active particles leading to streams and vortices reminiscent of multiscale flow patterns in turbulence. The characteristics of these flows do not depend on the specific details of (…) -
Séminaire PMMH - Janniina Salonen (SIMM, ESPCI)
Vendredi 17 janvier 2025 de 11h00 à 12h00 - Salle réunion PMMH 1
Viscoelastic coarsening of a quasi-2D foam
Many soft matter materials evolve through surface tension driven phase separation. During this process the growth of domains can occur via material transfer through the continuous phase. A particular example is foams, which coarsen as gas diffuses between bubbles due to differences in Laplace pressure. In aqueous (…)
-
Séminaire PMMH – Lara Kohler (Max Planck Dresden)
2024
-
Séminaire PMMH – Joseph Ackerman (Lab. Jean Perrin, Sorbonne Université)
Vendredi 20 décembre 2024 de 11h00 à 12h00 - Salle réunion PMMH 1
-
Séminaire PMMH - Hughes Chaté (CEA Saclay)
Vendredi 13 décembre 2024 de 11h00 à 12h00 - Salle réunion PMMH 1
Modeling suspensions of swarming bacteria with wet Vicsek models
Hugues Chaté SPEC, CEA - Saclay & Beijing CSRC, China After a brief introduction to active matter and some remarks about the development of the field, I will first focus on aligning dry active matter, and in particular on Vicsek-style models, the emblematic models in this class. In a second part, I will (…) -
Séminaire PMMH - Hughes Chaté (CEA Saclay)
Vendredi 13 décembre 2024 de 11h00 à 12h00 - Salle réunion PMMH 1
Modeling suspensions of swarming bacteria with wet Vicsek models
Hugues Chaté SPEC, CEA - Saclay & Beijing CSRC, China After a brief introduction to active matter and some remarks about the development of the field, I will first focus on aligning dry active matter, and in particular on Vicsek-style models, the emblematic models in this class. In a second part, I will (…) -
Séminaire PMMH - Xanthippi Markenscoff (University of California San Diego)
Vendredi 6 décembre de 11h00 à 12h00 - Salle réunion PMMH 1
Instabilities of nucleation and growth of a phase change defect
Department of Mechanical and Aerospace Engineering University of California San Diego La Jolla, CA 92093-0411 Abstract A defect of phase change in density and moduli modeled as a self-similarly expanding Eshelby ellipsoidal inclusion can nucleate and grow under a critical loading. The ellipsoid possesses the (…) -
Séminaire PMMH - Xanthippi Markenscoff (University of California San Diego)
Vendredi 6 décembre 2024 de 11h00 à 12h00 - Salle réunion PMMH 1
Instabilities of nucleation and growth of a phase change defect
Department of Mechanical and Aerospace Engineering University of California San Diego La Jolla, CA 92093-0411 Abstract A defect of phase change in density and moduli modeled as a self-similarly expanding Eshelby ellipsoidal inclusion can nucleate and grow under a critical loading. The ellipsoid possesses the (…) -
Séminaire PMMH - Denis Dumont (IUSTI Marseille)
Vendredi 29 novembre 2024 de 11h00 à 12h00 - Salle réunion PMMH 1
Rheology of sticky grains
In many powder technology processes, coating is applied to fine particles to control their properties or functionalize them. We investigated the role of a polymer coating made of PBS on silica beads. This material has been originally designed as a model cohesive granular material, whose cohesion can be finely (…) -
Séminaire PMMH – Scott Waitukaitis (IST Austria)
Vendredi 22 novembre de 11h00 à 12h00 - Salle réunion PMMH 1
-
Séminaire PMMH – Scott Waitukaitis (IST Austria)
Vendredi 22 novembre 2024 de 11h00 à 12h00 - Salle réunion PMMH 1
-
Séminaire PMMH - Hannah Allen (LSCE, CEA Saclay)
Vendredi 15 novembre 2024 de 11h00 à 12h00 - Salle réunion PMMH 1
Monitoring atmospheric fossil fuel emissions using radiocarbon and global atmospheric simulations with a transport and inverse modeling system
Independent monitoring and apportioning of CO2 emissions is crucial for the verification of greenhouse gas reductions targeted by international agreements designed for climate change mitigation and adaptation. Radiocarbon (14C), found as a fractional isotope of CO2, can be used as a key tracer for fossil-derived (…) -
Séminaire PMMH – Claude Delangle (Conservatoire National Supérieur de Musique et de Danse de Paris)
Vendredi 18 octobre de 11h00 à 12h00 - Salle réunion PMMH 1
L'instrument de musique : partenaire ou adversaire ? La recherche de la phase.
Près de quarante années de participation à la R&D chez le fabricant de saxophones Henri Selmer Paris m'ont aidé à développer le concept de « culture du son ». Mon enseignement au CNSMDP s'est progressivement détaché d'une obsession de l'esthétique pour se recentrer sur la notion de phase, c'est à dire de la (…) -
Séminaire PMMH – Claude Delangle (Conservatoire National Supérieur de Musique et de Danse de Paris)
Vendredi 18 octobre 2024 de 11h00 à 12h00 - Salle réunion PMMH 1
L'instrument de musique : partenaire ou adversaire ? La recherche de la phase.
Près de quarante années de participation à la R&D chez le fabricant de saxophones Henri Selmer Paris m'ont aidé à développer le concept de « culture du son ». Mon enseignement au CNSMDP s'est progressivement détaché d'une obsession de l'esthétique pour se recentrer sur la notion de phase, c'est à dire de la (…) -
Séminaire PMMH – Martin Brandenbourger (IRPHÉ, Marseille)
Vendredi 11 octobre de 11h00 à 12h00 - Salle réunion PMMH 1
Towards models of fluid transport in active vascular networks
Liquid flows in vascular networks are among the most effective ways to transport matter and information for life. From animals to fungi, the most adaptable organisms utilize vascular networks with vessels that actively contract upon local sensing of stimuli instead of central pumping mechanisms. These (…) -
Séminaire PMMH – Martin Brandenbourger (IRPHÉ, Marseille)
Vendredi 11 octobre 2024 de 11h00 à 12h00 - Salle réunion PMMH 1
Towards models of fluid transport in active vascular networks
Liquid flows in vascular networks are among the most effective ways to transport matter and information for life. From animals to fungi, the most adaptable organisms utilize vascular networks with vessels that actively contract upon local sensing of stimuli instead of central pumping mechanisms. These (…) -
Séminaire PMMH – Céline Gabillet (École Navale de Brest)
Vendredi 4 octobre de 11h00 à 12h00 - Salle réunion PMMH 1
-
Séminaire PMMH – Céline Gabillet (École Navale de Brest)
Vendredi 4 octobre 2024 de 11h00 à 12h00 - Salle réunion PMMH 1
-
Séminaire PMMH - Souhayl Sadik from (Aarhus University)
Vendredi 27 septembre de 11h00 à 12h00 - Salle réunion PMMH 1
Nonlinear Anisotropic Viscoelasticity
In this work, we revisit the mathematical foundations of nonlinear viscoelasticity. We study the un- derlying geometry of viscoelastic deformations, and in particular, the intermediate configuration. Starting from the direct multiplicative decomposition of the deformation gradient F = FeFv, into elastic and (…) -
Séminaire PMMH - Souhayl Sadik from (Aarhus University)
Vendredi 27 septembre 2024 de 11h00 à 12h00 - Salle réunion PMMH 1
Nonlinear Anisotropic Viscoelasticity
In this work, we revisit the mathematical foundations of nonlinear viscoelasticity. We study the un- derlying geometry of viscoelastic deformations, and in particular, the intermediate configuration. Starting from the direct multiplicative decomposition of the deformation gradient F = FeFv, into elastic and (…) -
Séminaire PMMH - Avin Babataheri (Ladhyx)
Vendredi 20 septembre de 11h00 à 12h00 - Salle réunion PMMH 1
1D confinement controls cell shape and migration
Pericytes are mural cells of the microvasculature, they wrap around small vessels, support the vessels mechanically and participate in blood flow regulation. Pericytes are distinguished by two main characteristics ; first their distinct morphology, which has been likened to a “bump on a log”, as they present long (…) -
Séminaire PMMH - Avin Babataheri (Ladhyx)
Vendredi 20 septembre 2024 de 11h00 à 12h00 - Salle réunion PMMH 1
1D confinement controls cell shape and migration
Pericytes are mural cells of the microvasculature, they wrap around small vessels, support the vessels mechanically and participate in blood flow regulation. Pericytes are distinguished by two main characteristics ; first their distinct morphology, which has been likened to a “bump on a log”, as they present long (…) -
Séminaire PMMH - François Graner (Laboratoire MSC & Université Paris-Cité))
Vendredi 13 septembre 2024 de 11h00 à 12h00 - Salle réunion PMMH 1
Should we forbid scientific research ?
Economic growth is not sustainable. Research, which is one of the pillars of economic growth, contributes to current environmental disasters and social inequalities. Conversely, research is often presented as part of the solution : many institutions and actors call for more funding of research to fuel so-called (…) -
Séminaire PMMH - Nino Araújo (Universidade de Lisboa, Portugal)
Vendredi 5 juillet de 11h00 à 12h00 - Salle réunion PMMH 1
Self-folding kirigami at the microscale
Three-dimensional shells can be obtained from the spontaneous self-folding of two-dimensional templates of interconnected panels, called nets. To design self-folding, one first needs to identify what are the nets that fold into the desired structure. In principle, different nets can fold into the same (…) -
Séminaire PMMH - Nino Araújo (Universidade de Lisboa, Portugal)
Vendredi 5 juillet 2024 de 11h00 à 12h00 - Salle réunion PMMH 1
Self-folding kirigami at the microscale
Three-dimensional shells can be obtained from the spontaneous self-folding of two-dimensional templates of interconnected panels, called nets. To design self-folding, one first needs to identify what are the nets that fold into the desired structure. In principle, different nets can fold into the same (…) -
Séminaire PMMH - Alexis Mérigaud - IFPEN
Vendredi 28 juin 2024 de 11h00 à 12h00 - Salle réunion PMMH 1
Predicting ocean waves in real-time
Ocean waves are usually predicted in a meteorological sense, from hourly to weekly time scales. In this talk, we cover the much lesser-known topic of real-time ocean wave forecasting, which consists in predicting accurately the second-by-second motion of the sea surface, a ship or another floating structure, up to (…) -
Séminaire PMMH - Ko Okumura (Ochanomizu University, Tokyo)
Vendredi 14 juin de 11h00 à 12h00 - Salle réunion PMMH 1
A hydrodynamic analog of critical phenomena : an uncountably infinite number of universality classes
When a solid object starts falling into a viscous fluid from air-liquid interface, air is entrained into the liquid and eventually detaches from the solid. Such detachment could occur with or without topological change. Recently, it was found that the former case (i.e., breakup, a form of singular transitions) is (…) -
Séminaire PMMH - Ko Okumura (Ochanomizu University, Tokyo)
Vendredi 14 juin 2024 de 11h00 à 12h00 - Salle réunion PMMH 1
A hydrodynamic analog of critical phenomena : an uncountably infinite number of universality classes
When a solid object starts falling into a viscous fluid from air-liquid interface, air is entrained into the liquid and eventually detaches from the solid. Such detachment could occur with or without topological change. Recently, it was found that the former case (i.e., breakup, a form of singular transitions) is (…) -
Séminaire PMMH - Frederic Dias - University College Dublin
Vendredi 7 juin 2024 de 11h00 à 12h00 - Salle réunion PMMH 1
Le projet HIGHWAVE sur le déferlement des vagues et sa station de mesure et d'observation en Irlande
Situé aux frontières de l'ingénierie côtière et océanique, de la science du systeme Terre, des statistiques et de la mécanique des fluides, le projet HIGHWAVE propose une approche interdisciplinaire pour mieux comprendre le déferlement des vagues. Le but ultime du projet est de fournir un nouveau modèle de vagues (…) -
Séminaire PMMH - François Petrelis (ENS)
Vendredi 31 mai 2024 de 11h00 à 12h00 - Salle réunion PMMH 1
Earthquake statistical properties : an explanation for the distribution of magnitude and for the existence of aftershocks
Earthquakes in nature follow several statistical properties. In particular, the distribution of energy released by an earthquake (Gutenberg-Richter's law) and the frequency of aftershocks after a large event (Omori's law) are both power-laws. By studying several earthquake models, we have shown that the (…) -
Séminaire PMMH - Etienne Jambon-Puillet, LadhyX
Vendredi 24 mai 2024 de 11h00 à 12h00 - Salle réunion PMMH 1
Pendant drops on the underside of wet surfaces : growth, motion and solidification
Pendant drops spontaneously appear on the underside of wet surfaces through the Rayleigh-Taylor instability. Due to their detrimental effect on coatings and their tendency to drip, several strategies have been developed to avoid their formation and rationalized with linear stability analysis. I will first briefly (…) -
Séminaire PMMH - Louis-Alexandre Couston (ENS Lyon)
Vendredi 17 mai de 11h00 à 12h00 - Salle réunion PMMH 1
What we know and don't know about the ocean circulation and ice melting around Antarctica
The Antarctic ice sheet is losing mass increasingly rapidly and could contribute several tens of centimetres of sea-level rise by 2100. In this presentation I will review our understanding of the southern ocean circulation, which (we know) is controlling ice melting around Antarctica and driving the retreat of (…) -
Séminaire PMMH - Louis-Alexandre Couston (ENS Lyon)
Vendredi 17 mai 2024 de 11h00 à 12h00 - Salle réunion PMMH 1
What we know and don't know about the ocean circulation and ice melting around Antarctica
The Antarctic ice sheet is losing mass increasingly rapidly and could contribute several tens of centimetres of sea-level rise by 2100. In this presentation I will review our understanding of the southern ocean circulation, which (we know) is controlling ice melting around Antarctica and driving the retreat of (…) -
Séminaire PMMH - Karen Mulleners (EPFL)
Vendredi 3 mai de 11h00 à 12h00 - Salle réunion PMMH 1
Getting smarter overnight : how automated experiments help unwind unsteady vortex-dominated flows
Abstract : Typical unsteady vortex-dominated flows like those involved in bio-inspired propulsion, unsteady airfoil separation, and vortex-induced vibrations can be prohibitively expensive to simulate and impossible to measure comprehensively. They are inherently non-linear, often involve moving boundaries, (…) -
Séminaire PMMH - Karen Mulleners (EPFL)
Vendredi 3 mai 2024 de 11h00 à 12h00 - Salle réunion PMMH 1
Getting smarter overnight : how automated experiments help unwind unsteady vortex-dominated flows
Abstract : Typical unsteady vortex-dominated flows like those involved in bio-inspired propulsion, unsteady airfoil separation, and vortex-induced vibrations can be prohibitively expensive to simulate and impossible to measure comprehensively. They are inherently non-linear, often involve moving boundaries, (…) -
Séminaire PMMH - Sara Puijalon (LEHNA – CNRS, Université Claude Bernard Lyon 1)
Vendredi 26 avril de 11h00 à 12h00 - Salle réunion PMMH 1
Interactions between submerged aquatic vegetation and flow : applications of ecohydraulics and biomechanics to ecological questions
Interactions between submerged aquatic vegetation and flow in rivers and streams are complex. Flowing water induces hydrodynamic stress on aquatic plants colonizing these habitats, which can, in some cases, cause mechanical failures such as breakage and uprooting. Additionally, aquatic plant beds have a significant (…) -
Séminaire PMMH - Sara Puijalon (LEHNA – CNRS, Université Claude Bernard Lyon 1)
Vendredi 26 avril 2024 de 11h00 à 12h00 - Salle réunion PMMH 1
Interactions between submerged aquatic vegetation and flow : applications of ecohydraulics and biomechanics to ecological questions
Interactions between submerged aquatic vegetation and flow in rivers and streams are complex. Flowing water induces hydrodynamic stress on aquatic plants colonizing these habitats, which can, in some cases, cause mechanical failures such as breakage and uprooting. Additionally, aquatic plant beds have a significant (…) -
Séminaire PMMH - Benjamin Guiselin - ENS Lyon
Vendredi 12 avril 2024 de 11h00 à 12h00 - Salle réunion PMMH 1
Emergence of spontaneous collective oscillations in dense Human crowds
Massive crowd gatherings form some of the most dangerous and unpredictable environments [1]. However, we lack quantitative characterizations of their dynamics and the heuristic principles used to explain and predict their motion remain elusive. In this talk, I will present our analysis of the dynamics of thousands (…) -
Séminaire PMMH - Benjamin Guiselin - ENS Lyon
Vendredi 12 avril de 11h00 à 12h00 - Salle réunion PMMH 1
Emergence of spontaneous collective oscillations in dense Human crowds
Massive crowd gatherings form some of the most dangerous and unpredictable environments [1]. However, we lack quantitative characterizations of their dynamics and the heuristic principles used to explain and predict their motion remain elusive. In this talk, I will present our analysis of the dynamics of thousands (…) -
Séminaire PMMH - Olivier Plé (LOCIE-CNRS)
Vendredi 5 avril de 11h00 à 12h00 - Salle réunion PMMH 1
Rammed earth : A complex medium
Rammed earth is a complex material which is attractive nowadays in construction because of its small environmental footprint. However, this material has specific characteristics, especially : its sensitivity to water, its low mechanical static capacity but a fairly good seismic performance, its high thermal (…) -
Séminaire PMMH - Olivier Plé (LOCIE-CNRS)
Vendredi 5 avril 2024 de 11h00 à 12h00 - Salle réunion PMMH 1
Rammed earth : A complex medium
Rammed earth is a complex material which is attractive nowadays in construction because of its small environmental footprint. However, this material has specific characteristics, especially : its sensitivity to water, its low mechanical static capacity but a fairly good seismic performance, its high thermal (…) -
Séminaire PMMH - Alex Hansen (NTNU Norvège)
Vendredi 29 mars de 11h00 à 12h00 - Salle réunion PMMH 1
Séminaire d'Alex Hansen (NTNU, Trondheim, Norvège)
The co-moving velocity, a new concept in immiscible two-phase flow in porous media Alex Hansen PoreLab, Department of Physics, NTNU, Trondheim, Norway Since 1936, relative permeability theory has been the leading description of immiscible two-phase flow in porous media at scales much larger than the pore (…) -
Séminaire PMMH - Alex Hansen (NTNU Norvège)
Vendredi 29 mars 2024 de 11h00 à 12h00 - Salle réunion PMMH 1
Séminaire d'Alex Hansen (NTNU, Trondheim, Norvège)
The co-moving velocity, a new concept in immiscible two-phase flow in porous media Alex Hansen PoreLab, Department of Physics, NTNU, Trondheim, Norway Since 1936, relative permeability theory has been the leading description of immiscible two-phase flow in porous media at scales much larger than the pore (…) -
Séminaire PMMH - Dominic Vella (University of Oxford)
Vendredi 22 mars de 11h00 à 12h00 - Salle réunion PMMH 1
Drops with deformable boundaries : Flat tops, Locomotion and Ageing
A liquid droplet placed on a rigid, planar surface has a captivating simplicity : its surface is a spherical cap and remains in equilibrium. In this talk, I'll show that the addition of a deformable boundary leads to a range of new phenomena : evaporating droplets with an elastic skin may develop flat tops, while (…) -
Séminaire PMMH - Dominic Vella (University of Oxford)
Vendredi 22 mars 2024 de 11h00 à 12h00 - Salle réunion PMMH 1
Drops with deformable boundaries : Flat tops, Locomotion and Ageing
A liquid droplet placed on a rigid, planar surface has a captivating simplicity : its surface is a spherical cap and remains in equilibrium. In this talk, I'll show that the addition of a deformable boundary leads to a range of new phenomena : evaporating droplets with an elastic skin may develop flat tops, while (…) -
Séminaire PMMH - Jacques Fattaccioli (PASTEUR, ENS)
Vendredi 15 mars de 11h00 à 12h00 - Salle réunion PMMH 1
Bacteria on high fat diets cooperate to stay fit
During the consumption of alkanes, Alcanivorax borkumensis, a bacteria commonly found in oil spill areas, form a biofilm around oil droplets to consume them. The role this plays during degradation remains unclear. Using in-situ microfluidic tracking, we identify a shift in biofilm morphology that depends on (…) -
Séminaire PMMH - Jacques Fattaccioli (PASTEUR, ENS)
Vendredi 15 mars 2024 de 11h00 à 12h00 - Salle réunion PMMH 1
Bacteria on high fat diets cooperate to stay fit
During the consumption of alkanes, Alcanivorax borkumensis, a bacteria commonly found in oil spill areas, form a biofilm around oil droplets to consume them. The role this plays during degradation remains unclear. Using in-situ microfluidic tracking, we identify a shift in biofilm morphology that depends on (…) -
Séminaire PMMH - Min-Hui LI (Chimie ParisTech )
Vendredi 8 mars de 11h00 à 12h00 - Salle réunion PMMH 1
Electroactive Bi-functional Liquid Crystal Elastomer Actuators
Liquid crystal elastomers (LCEs) show promising potentials as smart actuators, for example, those contracting/expanding linearly like mammalian muscles.[1] Direct heating and light illumination are the most used activation mode in LCE actuators because LCEs are based on thermotropic or phototropic liquid (…) -
Séminaire PMMH - Min-Hui LI (Chimie ParisTech )
Vendredi 8 mars 2024 de 11h00 à 12h00 - Salle réunion PMMH 1
Electroactive Bi-functional Liquid Crystal Elastomer Actuators
Liquid crystal elastomers (LCEs) show promising potentials as smart actuators, for example, those contracting/expanding linearly like mammalian muscles.[1] Direct heating and light illumination are the most used activation mode in LCE actuators because LCEs are based on thermotropic or phototropic liquid (…) -
Séminaire PMMH - Bérengère Abou (MSC, Univ. Paris Cité)
Vendredi 1er mars de 11h00 à 12h00 - Salle réunion PMMH 1
Intracellular rheology of red blood cells
The characterisation of erythrocyte stiffness and its heterogeneity in a blood sample is a key parameter for the description of erythrocyte pathologies. I will present a method for investigating the intracellular rheology of red blood cells and the heterogeneity of the population using molecular rotors. These are (…) -
Séminaire PMMH - Bérengère Abou (MSC, Univ. Paris Cité)
Vendredi 1er mars 2024 de 11h00 à 12h00 - Salle réunion PMMH 1
Intracellular rheology of red blood cells
The characterisation of erythrocyte stiffness and its heterogeneity in a blood sample is a key parameter for the description of erythrocyte pathologies. I will present a method for investigating the intracellular rheology of red blood cells and the heterogeneity of the population using molecular rotors. These are (…) -
Séminaire PMMH - Jon Otto Fossum (Dept of Physics , NTNU, Trondheim, Norway)
Vendredi 16 février de 11h00 à 12h00 - Salle réunion PMMH 1
Clay minerals as 2D natural nanomaterials for sustainable applications
Clay minerals are among the most abundant and sustainable on earth, and due to this and their low-cost they are found in many traditional applications that exploit their physical and chemical properties, including their mechanical stability, their non-toxicity and in effect their underlying 2D nanoscale character. (…) -
Séminaire PMMH - Jon Otto Fossum (Dept of Physics , NTNU, Trondheim, Norway)
Vendredi 16 février 2024 de 11h00 à 12h00 - Salle réunion PMMH 1
Clay minerals as 2D natural nanomaterials for sustainable applications
Clay minerals are among the most abundant and sustainable on earth, and due to this and their low-cost they are found in many traditional applications that exploit their physical and chemical properties, including their mechanical stability, their non-toxicity and in effect their underlying 2D nanoscale character. (…) -
Séminaire PMMH - Thomas Salez (LOMA, Bordeaux)
Vendredi 9 février 2024 de 11h00 à 12h00 - Salle réunion PMMH 1
Brownian motion in confinement
Brownian motion near interfaces is a canonical situation, encountered from fundamental biophysics to nanoscale engineering. Using a combination of experimental, theoretical and numerical methods, we study the thermally-induced random tridimensional trajectories of individual microparticles, within salty aqueous (…) -
Séminaire PMMH - Sophie Marbach (Phenix, Sorbonne Université)
Vendredi 2 février 2024 de 11h00 à 12h00 - Salle réunion PMMH 1
The Countoscope : Measuring Dynamics by Counting Particles in Boxes
Any imaging technique is limited by its field of view. As objects or particles move in and out of the observation field, tracking their motion, especially over long periods, becomes challenging. In addition, available analysis techniques face challenges reconstructing trajectories in dense and heterogeneous systems (…) -
Séminaire PMMH - Sylvain Lefebvre (INRIA Nancy)
Vendredi 26 janvier 2024 de 11h00 à 12h00 - Salle réunion PMMH 1
Controlling the appearance and deformation of 3D printed objects.
This seminar will focus on how to design shapes and plates that exhibit specific behaviors thanks to a precise control of their fabrication process. Specifically, by orienting the deposition trajectories of a fused filament 3D printer, we introduce anisotropies that impact the observed properties of the final (…) -
Séminaire PMMH, Joshua Dijksman (UVA)
Vendredi 19 janvier de 11h00 à 12h00 - Salle réunion PMMH 1
Covalent adaptable polymer networks provide mechanical tunability via molecular and mesoscopic lengthscales
Polymeric materials are ubiquitous in society but also present a large source of waste. There is an ongoing search for polymeric materials that can be better tuned and recycled. One class of polymers that came into the spotlight for this purpose are so-called covalent adaptable polymer networks. Such polymer (…) -
Séminaire PMMH, Joshua Dijksman (UVA)
Vendredi 19 janvier 2024 de 11h00 à 12h00 - Salle réunion PMMH 1
Covalent adaptable polymer networks provide mechanical tunability via molecular and mesoscopic lengthscales
Polymeric materials are ubiquitous in society but also present a large source of waste. There is an ongoing search for polymeric materials that can be better tuned and recycled. One class of polymers that came into the spotlight for this purpose are so-called covalent adaptable polymer networks. Such polymer (…) -
Séminaire PMMH - Santiago Benevides (Universidad Politécnica de Madrid)
Vendredi 12 janvier 2024 de 11h00 à 12h00 - Salle réunion PMMH 1
Uncovering complex behavior in turbulence and sediment transport through simplified models
Although the dynamics of a turbulent fluid and of grains being transported downriver might not have much in common, it's the qualities they share that make them challenging subjects to study. Both contain many interacting components and nonlinearities, producing a chaotic, multi-scale, out-of-equilibrium system (…)
-
Séminaire PMMH – Joseph Ackerman (Lab. Jean Perrin, Sorbonne Université)
2023
-
Séminaire PMMH - M. Mungan (Institute of Biological Physics, University of Cologne)
Vendredi 22 décembre 2023 de 11h00 à 12h00 - Salle réunion PMMH 1
Memory Formation in Driven Disordered Systems - Dead or Alive
Memory formation and ageing are abundant in many soft matter systems. The disorder underlying these systems gives rise to a rich energy landscape, consisting of a large number of metastable states. These landscapes are accompanied by a plethora of pathways, along which such systems can evolve when exposed to a (…) -
Séminaire PMMH - M. Mungan (Institute of Biological Physics, University of Cologne)
Vendredi 22 décembre 2023 de 11h00 à 12h00 - Salle réunion PMMH 1
Memory Formation in Driven Disordered Systems - Dead or Alive
Memory formation and ageing are abundant in many soft matter systems. The disorder underlying these systems gives rise to a rich energy landscape, consisting of a large number of metastable states. These landscapes are accompanied by a plethora of pathways, along which such systems can evolve when exposed to a (…) -
Séminaire PMMH - Arthur Alexandre (EPFL)
Vendredi 15 décembre 2023 de 11h00 à 12h00 - Salle réunion PMMH 1
Dispersion in heterogeneous media : how boundaries shape transport properties
Identifying transport properties of tracer particles in heterogeneous media at large time and length scales has applications in wide range of physical systems including microfluidics, hydrology, chemical engineering or soft matter. The effective diffusivity is a crucial input for problems of mixing, sorting, (…) -
Séminaire PMMH - Mathilde Reyssat, Gulliver (ESPCI)
Vendredi 8 décembre 2023 de 11h00 à 12h00 - Salle réunion PMMH 1
Swimming droplets under confinement
Artificial micro-swimmers have recently become a central field of research in soft-matter. A very promising and original type of swimmer developed in our team, consists in pure water droplet swimming in an oil phase containing micelles of surfactant. The droplet's activity comes from the formation of swollen (…) -
Séminaire PMMH - Emanuela Del Gado (Georgetown University)
Vendredi 1er décembre 2023 de 11h00 à 12h00 - Salle réunion PMMH 1
Memory of shear flow in soft jammed materials
Cessation of flow in simple yield stress fluids results in a complex stress relaxation process that depends on the preceding flow conditions and leads to finite residual stresses. By complementing experiments with numerical simulations we gain new insight into the microscopic origin of these phenomena for jammed (…) -
Séminaire PMMH - François Peaudecerf, ETH Zürich
Vendredi 24 novembre 2023 de 11h00 à 12h00 - Salle réunion PMMH 1
Wall entrapment enhances bacterial chemotactic response to deposited aerosols in the microlayer
The sea surface microlayer is the thin layer of water separating the atmosphere from marine waters below. This typically half-millimeter-deep laminar layer mediates all gas exchange and receives all material deposited from the atmosphere, such as aerosol particles, before any transfer to deeper water can occur. The (…) -
Séminaire PMMH - Ruben Zakine (LadHyX, Ecole Polytechnique)
Vendredi 17 novembre 2023 de 11h00 à 12h00 - Salle réunion PMMH 1
Socioeconomic agents as active matter and nucleation paths in active field theories
In this seminar, we will tackle two subjects whose common thread is active matter. In a first part, I will focus on a socio-economic occupation model in the spirit of the Sakoda-Schelling model, historically introduced to shed light on segregation dynamics among human groups. For a large class of decision rules (…) -
Séminaire PMMH - Manuel Lorite Diez (Universidad de Granada)
Vendredi 10 novembre 2023 de 11h00 à 12h00 - Salle réunion PMMH 1
Three-dimensional coupling between freely falling bodies and their 3D wakes
Freely falling bodies in an initially quiescent fluid can exhibit many different path patterns depending on body geometry, size and weight. The characteristics of a given path are known to be strongly linked to the wake induced by the body. The study of path-wake interaction is relevant for many problems in (…) -
Séminaire PMMH - Francisco Goio Castro (IPPT, Graz, Austria)
Vendredi 20 octobre 2023 de 11h00 à 12h00 - Salle réunion PMMH 1
A Smoothed Particle Hydrodynamics Approach to Deformable Granular Materials
The phenomenology of granular materials results from a complex interplay between various properties of their constituent elements. Shape, friction, size distribution and softness can all significantly affect the rheology of granular materials, and disentangling the individual contributions of these properties is (…) -
Séminaire PMMH - Jérôme Crassous (Institut de Physique de Rennes)
Vendredi 13 octobre 2023 de 11h00 à 12h00 - Salle réunion PMMH 1
Filer et nouer, une histoire de friction
Les objets souples et très allongés peuvent s'assembler de multiples manières pour former des structures aussi diverses qu'un fil de laine, des tissus ou tricots, ou encore des nœuds. Nous discuterons durant ce séminaire le rôle clé que jouent les forces de friction dans la stabilité de ces objets. Dans un premier (…) -
Séminaire PMMH - Valérie Vidal (ENS Lyon)
Vendredi 6 octobre 2023 de 11h00 à 12h00 - Salle réunion PMMH 1
From strange behavior to catastrophic events : A story of fluid migration in particle-laden fluids
"Work on problems you most enjoy. Strange things can happen on the way." This sentence from Walter Munk, world-renowned oceanographer (UCSD), may apply for all fields of science. In this talk, we will see that it is definitely true when working with fluid injection and migration in particle-laden fluids. Based on (…) -
Séminaire PMMH - Eric Herbert (UPC)
Vendredi 29 septembre 2023 de 11h00 à 12h00 - Salle réunion PMMH 1
-
Séminaire PMMH - Stefano Aime (C3M, ESPCI)
Vendredi 22 septembre 2023 de 11h00 à 12h00 - Salle réunion PMMH 1
Everything flows… but how ? A unified state diagram for the yielding transition of soft glassy materials
“Everything flows…” could have said the Philosopher opening the fridge for breakfast. Indeed, soft glassy materials such as foams, creams, butter and mayonnaise can flow if we shake, push or spread them, while they stay firm and retain their shape like solids when we stop applying an external force. Such (…) -
Séminaire PMMH - Véronique Dansereau (ISTerre, Grenoble)
Vendredi 15 septembre 2023 de 11h00 à 12h00 - Salle réunion PMMH 1
-
Séminaire PMMH - Gilles Montambaux (LPS, Orsay)
Vendredi 23 juin 2023 de 11h00 à 12h00 - Salle réunion PMMH 1
Comment l'eau est arrivée à Versailles : pièce en cinq actes
Comment l'eau est arrivée aux fontaines du château de Versailles ? Amateur passionné par cette question, j'ai exploré les vestiges des rigoles et des aqueducs, aériens ou souterrains, presque intacts, souvent méconnus et parfois insolites. Leur conception utilisait des techniques élaborées par quelques-uns des plus (…) -
Séminaire PMMH - Céline Gabillet, Ecole Navale Brest & ENSAM
Vendredi 16 juin 2023 de 11h00 à 12h00 - Salle réunion PMMH 1
Les bulles et l'hydrodynamique navale
De nombreuses bulles sont présentes dans l'océan, en particulier dans la couche supérieure. En s'accumulant dans les zones d'écoulement de basse pression, les bulles peuvent avoir un impact sur les structures marines immergées à faible profondeur, telles que les systèmes propulsifs et les systèmes d'énergies (…) -
Séminaire PMMH - Orencio Duran (Univ. Texas)
Vendredi 9 juin 2023 de 11h00 à 12h00 - Salle réunion PMMH 1
Hydrodynamic Origin of Terrestrial “Impact” Ripples
Wind-blown sand surfaces on Earth, Mars, and other planetary bodies are covered by multiscale bedforms. The long-standing consensus has been that meter- to kilometer-scale dunes and decimeter-scale ripples on Earth emerge via two distinct physical mechanisms. Dunes evolve from a flat sand bed due to a hydrodynamic (…) -
Séminaire PMMH - Alain Goriely, University of Oxford
Vendredi 2 juin 2023 de 11h00 à 12h00 - Salle réunion PMMH 1
From neurons and sunflowers to elephant trunks : the fascinating dynamics of smart active filaments.
The world around us, both natural and man-made, is filled with structures that respond to external stimuli and adapt their internal structures to perform specific functions. For example, plants have the ability to sense changes in their environment, such as changes in gravity or light, and modify their shape (…) -
Séminaire PMMH - Tadeusz Sliwa, Université de Bourgogne
Vendredi 26 mai 2023 de 11h00 à 12h00 - Salle réunion PMMH 1
Vie, œuvre et héritage de Joseph Fourier
Nous fêterons bientôt le bicentenaire des Remarques générales sur les températures du globe terrestre et des espaces planétaires parues aux Annales de Chimie et de Physique en 1824, qui précéda le Mémoire sur la température du globe terrestre et des espaces planétaires en 1827. Joseph Fourier est inconnu du grand (…) -
Séminaire PMMH - Florian Poydenot (ENS)
Vendredi 12 mai 2023 de 11h00 à 12h00 - Salle réunion PMMH 1
A gravity driven inverse cascade controls the size distribution of raindrops
The size distribution of raindrops follows a particularly simple form, measured over the last century. It is exponential, and the average diameter of raindrops increases with the intensity of the rain. However, this relationship is still poorly explained. The dependence of the mean diameter on intensity implies (…) -
Séminaire PMMH - Luis Gómez-Nava (Humboldt University of Berlin)
Vendredi 21 avril 2023 de 11h00 à 12h00 - Salle réunion PMMH 1
Collective and synchronized motion in animal groups : from sheep to fish
In this talk I will present two studies of collective behavior observed in animal groups. In the first one, we studied the spontaneous and intermittent collective displacements observed in small groups of sheep (Ovis aries Linnaeus). We performed experiments and noticed that these animals form files while moving as (…) -
Séminaire PMMH - Christophe Gissinger, LPENS, PSL
Vendredi 14 avril 2023 de 11h00 à 12h00 - Salle réunion PMMH 1
Transition sous-critique à la turbulence et transport non-diffusif en astrophysique
Omniprésente, la turbulence est responsable d'une grande partie des processus de mélange et de transport observés dans la nature et dans les écoulements industriels. La diffusion d'éléments chimiques, le transfert de chaleur ou le transport de moment cinétique au sein d'un écoulement nécessitent donc une bonne (…) -
Séminaire PMMH - Giuseppe Pucci, Istituto di Nanotecnologia, Calabria
Vendredi 7 avril 2023 de 11h00 à 12h00 - Salle réunion PMMH 1
Capillary surfers and spinners on a vibrating liquid bath
Capillary surfers are wave-driven particles at a fluid interface that have been recently introduced by Ho et al. (arXiv:2102.11694v3, 2023) and described theoretically by Oza et al. (arXiv:2301.05767, 2023). A surfer is a hydrophobic, millimetric solid particle, the bottom surface of which is pinned to the (…) -
Séminaire PMMH - Franck Vernerey (Boulder Univ.)
Vendredi 31 mars 2023 de 11h00 à 12h00 - Salle réunion PMMH 1
Active Mechanics of Cohesive Biological Aggregates : -The Case of Fire-Ant Swarms-
A majority of soft living materials owe their complex mechanical behavior to an underlying network structure. Despite this inherent complexity, the physical structure of these materials can often be conceptualized as dynamic physical networks, where nodes and connections are governed by simple rules. An advantage (…) -
Séminaire PMMH - Angela Limare (IPGP)
Vendredi 24 mars 2023 de 11h00 à 12h00 - Salle réunion PMMH 1
The Earth's mantle in a microwave oven : thermal convection driven by a heterogeneous distribution of heat sources
Past laboratory experiments of thermo chemical convection have dealt with systems involving fluids with different intrinsic densities and viscosities in a Rayleigh-Bénard setup. Although these experiments have greatly improved our understanding of the Earth's mantle dynamics, they neglect a fundamental component of (…) -
Séminaire PMMH Jean Cappello (ULB, Bruxelles)
Vendredi 17 mars 2023 de 11h00 à 12h00 - Salle réunion PMMH 1
Bioinspired shape shifting of liquid-infused ribbed sheets
At small scales, capillary forces can deform flexible structures. The aggregation of wet hair into bundles is a daily example. With the miniaturization of technologies, these capillary forces have become important in engineering since they can lead to the catastrophic collapse of structures obtained by lithography (…) -
Séminaire PMMH - Patrice Meunier (IRPHE)
Vendredi 10 mars 2023 de 11h00 à 12h00 - Salle réunion PMMH 1
Geoinspired bioreactors : from Earth's precession to stem cell production
Inspired by the precession of the Earth, a new bladeless mixer has been designed, which consists of a tilted and rotating cylinder. I will first present fundamental studies on the transition to turbulence in such rotating flows. At specific aspect ratios, the resonance of eigen modes creates a strong overturning (…) -
Séminaire PMMH - Agnese Seminara, University of Genoa
Vendredi 17 février 2023 de 11h00 à 12h00 - Salle réunion PMMH 1
A fish with legs and alternation strategies for navigating turbulence
Sea robins are fishes with sensory appendages (“legs”) that they use to walk and to dig live prey from within the substrate. Their preadation strategy is so effective that they are often followed by other fish trying to steal their prey. I will discuss a set of behavioral experiments suggesting that these animals (…) -
SEMINAIRE SIMM / PMMH - Cari Dutcher (University of Minnesota)
Mardi 14 février 2023 de 14h00 à 15h00 - Charpak
-
Séminaire PMMH - André Estevez-Torres et Guillaume Sarfati - Laboratoire Jean Perrin, SU et CNRS, Paris
Vendredi 10 février 2023 de 11h00 à 12h00 - Salle réunion PMMH 1
La recherche face à l'anthropocène : retour d'expérience du bilan carbone du laboratoire Jean Perrin
Les années se suivent et ne se ressemblent pas. Les records de température, été comme hiver, ne cessent d'être battus et les conséquences sur les écosystèmes et le vivant sont de plus en plus constatées, qualitativement par tout un chacun, et quantitativement par une science compilée dans les rapports successifs du (…) -
Séminaire PMMH - Pascal Hersen (Institut Curie)
Vendredi 3 février 2023 de 11h00 à 12h00 - Salle réunion PMMH 1
Playing with cellular functions and genetic circuits in real time
Gene expression plays a central role in the orchestration of cellular processes. In the past years, we have developed several methods to dynamically perturb, manipulate and control genetic circuit and cellular functions in yeast and bacteria using microfluidics and optogenetics. We developed an experimental method (…) -
Séminaire PMMH - Valentin LAPLAUD (Ladhyx Polytechnique)
Vendredi 20 janvier 2023 de 11h00 à 12h00 - Salle réunion PMMH 1
Growth and mechanics of 'plants on a chip'
Plant growth is a complex process depending in part on the hydraulics and mechanics of the plant cell, that has been modeled by Lockhart (1965) and Ortega (1985) using a description still used today. To study it experimentally at the cell and organism level we developed a microfluidic system to follow several (…) -
Séminaire PMMH - Bruno Andreotti (LPENS)
Vendredi 13 janvier 2023 de 11h00 à 12h00 - Salle réunion PMMH 1
SARS-CoV-2 at the crossroads between epidemiology, biology and aerosol turbulence
Five epidemic waves have occurred in 2022, with the second autumn wave (BQ.1.1) currently in decline. The 2023 waves will be made up of a soup of sub-variants showing an evolutionary convergence giving them an immune escape in the upper respiratory tract (XBB.1.5 will become the dominant strain in january). I will (…) -
Séminaire PMMH - Serge Berthier (INSP)
Vendredi 6 janvier 2023 de 11h00 à 12h00 - Salle réunion PMMH 1
Natural Photonics
Photonics, the art of manipulating light, is a relatively recent science. To manage light, to confine it, to slow it down, to orient it... you have to put yourself on its scale, that of the wavelength, that is to say, to create periodic structures (like an electromagnetic wave) who's the period is of the order of a (…)
-
Séminaire PMMH - M. Mungan (Institute of Biological Physics, University of Cologne)
2022
-
Séminaire PMMH - Antoine Gaillard, University of Amsterdam
Vendredi 16 décembre 2022 de 11h00 à 12h00 - Salle réunion PMMH 1
Applications and rheological characterisation of polymer solutions
Polymer solutions, such as saliva or egg white, belong to an important category of non-Newtonian liquids called viscoelastic liquids. Such liquids are known to exhibit a strong “strain-hardening” behaviour in extensional flows, meaning that strong stresses can arise due to the stretching and progressive unravelling (…) -
Séminaire PMMH - Emmanuèle Helfer (CINAM, Marseille)
Vendredi 9 décembre 2022 de 11h00 à 12h00 - Salle réunion PMMH 1
Biomimicking red blood cell filtration by the spleen
Blood circulation in our vascular system is a physical tour de force. To distribute oxygen throughout the body, Red blood cells (RBCs) continuously travel through the microcirculation, through thin capillaries that are smaller than their size, and are thus highly deformable. Their deformability is periodically (…) -
Séminaire PMMH - Virgile Thiévenaz INRAE, PIAF, Clermont-Ferrand
Vendredi 2 décembre 2022 de 11h00 à 12h00 - Salle réunion PMMH 1
Pinch-off of complex suspensions drops
Many fluids of our everyday life, from paint to concrete, actually contain solid particles suspended in a liquid. Applications such as inkjet printing require the fragmentation of such suspensions into droplets. Depending on the scale at which one looks at it, a suspension may seem homogeneous or heterogeneous. (…) -
Séminaire PMMH - Frédéric Moisy (FAST, Univ. Paris Saclay)
Vendredi 25 novembre 2022 de 11h00 à 12h00 - Salle réunion PMMH 1Sillages, vagues et vent
Le livre "L'impermanence du Monde - La physique de l'éphémère" invite à une promenade à travers quelques phénomènes naturels régis par la physique des fluides : Pourquoi les rivières dessinen(...)
Sillages, vagues et vent
Le livre "L'impermanence du Monde - La physique de l'éphémère" invite à une promenade à travers quelques phénomènes naturels régis par la physique des fluides : Pourquoi les rivières dessinent-elles des méandres ? D'où viennent les lignes lumineuses au fond des piscines ? Combien de temps faut-il pour façonner un (…) -
Séminaire PMMH - Maylis Landeau IPGP
Vendredi 18 novembre 2022 de 11h00 à 12h00 - Salle réunion PMMH 1
Instability, mixing and fragmentation in planetary collisions
The Earth formed by high-energy collisions between planetary embryos. I will present laboratory experiments on the fluid dynamics of these collisions. I will show that the impact of a liquid volume onto a liquid pool reproduces the cratering observed in numerical simulations and at the surface of planets. Unlike (…) -
Séminaire PMMH - Sergei Nechaev (LPTMS, CNRS - Université Paris-Saclay)
Vendredi 21 octobre 2022 de 11h00 à 12h00 - Salle réunion PMMH 1
Anomalous scaling in stretching of a fractal polymer around a disc
While stretching of a polymer along a flat surface is hardly different from the classical Pincus problem of pulling chain ends in free space, the role of curved geometry in conformational statistics of the stretched chain is an exciting open question. We use scaling analysis and computer simulations to examine [1] (…) -
Séminaire PMMH - Laurent Seuront (LOG, Wimereux))
Vendredi 14 octobre 2022 de 11h00 à 12h00 - Salle réunion PMMH 1
The Behavioral Mandala : a new step towards the understanding of the behavioural complexity behind invertebrates and vertebrates foraging strategies
Movement is a fundamental characteristic of life. It determines the fate of individuals through its influence on reproduction, feeding and survival, and ultimately populations, communities, and ecosystems. An important open question lies in the quantification of both the geometric and stochastic components of (…) -
Séminaire PMMH - Lydie STARON (Institut d'Alembert)
Vendredi 7 octobre 2022 de 11h00 à 12h00 - Salle réunion PMMH 1
Cohesion-induced weakening ? Clues from the failure of a cohesive granular step
The failure of 2D numerical cohesive granular steps collapsing under gravity is simulated for a large range of cohesion. Focusing on the cumulative displacement of the grains, we establish a sensible criterion for capturing the failure characteristics. We are able to locate the failure in time and to identify the (…) -
Séminaire PMMH - (Benjamin Favier, CNRS, IRPHE, Marseille)
Vendredi 30 septembre 2022 de 11h00 à 12h00 - Salle réunion PMMH 1
Interactions between thermal convection and a melting front
A pure and incompressible material is confined between two plates such that it is heated from below and cooled from above. When its melting temperature is comprised between these two imposed temperatures, an interface separating liquid and solid phases appears. Depending on the initial conditions, freezing or (…) -
Séminaire PMMH - Blaise Delmotte, LadHyX
Vendredi 23 septembre 2022 de 11h00 à 12h00 - Salle réunion PMMH 1
Unexpected trapping of active particles and efficient sorting of flexible fibers with obstacles
The motion of active or elastic particles through structured environments is ubiquitous in nature and industrial applications. Their dynamics result from the complex interplay between internal elastic stresses, activity, contact forces, thermal fluctuations and hydrodynamic interactions with the obstacles. In (…) -
Séminaire PMMH - Leonid Berlyand, Penn State
Vendredi 16 septembre 2022 de 11h00 à 12h00 - Salle réunion PMMH 1
-
Séminaire PMMH - M.C. Jullien, U. Rennes 1
Vendredi 9 septembre 2022 de 11h00 à 12h00 - Salle réunion PMMH 1
Phase separation of an ionic liquid mixture assisted by a temperature gradient
Ionic liquids have remarkable properties and are commonly harnessed for green chemistry, lubrication, and energy applications. In this presentation, we report a thermoresponsive ionic liquid (IL) solution which has the property of phase separating above a critical temperature, an interesting feature for the (…) -
Séminaire PMMH - Anshuman Pal, University of Chicago, US
Vendredi 8 juillet 2022 de 11h00 à 12h00 - Salle réunion PMMH 1
Faceted wrinkling at a contracted curved boundary : isometry and hysteretic wavelength selection
Thin elastic sheets are fascinating because they can show a rich variety of patterns and multi-scale physics from the interplay of only a few basic ingredients, viz., stretching, bending, and geometry. In this talk, through the behaviour of a simple system of a circular annulus contracted at the inner boundary, we (…) -
Séminaire PMMH - Gilles Tessier (Sorbonne Univ.)
Vendredi 1er juillet 2022 de 11h00 à 12h00 - Salle réunion PMMH 1
Measuring and shaping the phase of light : new tools to study materials and biological systems
Spatially-resolved techniques to control and image the phase of light have deeply transformed microscopy. In this talk, I will briefly clarify the notion of optical phase and present two phase-sensitive techniques, both offering high sensitivity and 3D capabilities. Using holography, individual magnetic nanorods (…) -
Séminaire PMMH - Al Crosby (U. Mass. Amherst)
Vendredi 24 juin 2022 de 11h00 à 12h00 - Salle réunion PMMH 1
Autonomously Moving and Assembling Soft Matter Systems
-
Séminaire PMMH - Maxime Hubert, FAU, Université d'Erlangen-Nürnberg, ALL
Vendredi 17 juin 2022 de 11h00 à 12h00 - Salle réunion PMMH 1
Mesoscale strategies of collective transport on deformable liquid interfaces
Transport at interfaces is crucial in multiple areas of physics and biology and is observed across a wide range of length scales. In the strategies used in such dynamics, the role of hydrodynamic interactions, interface deformations, and the presence of other agents at the interface provide the means to mediate (…) -
Séminaire PMMH - Ludovic Moreau, ISTerre Grenoble
Vendredi 10 juin 2022 de 11h00 à 12h00 - Salle réunion PMMH 1
Analysis of the micro-seismicity in sea ice with deep learning and Bayesian inference. Application to the monitoring of sea ice thickness, density, and mechanical properties
In the context of global warming, monitoring the thickness and mechanical properties of sea ice is a major challenge in modern climatology. In particular, the heavy logistical constraints of polar environments, and the lack of accuracy of satellite remote monitoring methods, are obstacles to improving climate (…) -
Séminaire PMMH - Jacques Treiner
Vendredi 3 juin 2022 de 11h00 à 12h00 - Salle réunion PMMH 1
Les trajectoires les plus pessimistes du GIEC ne sont pas réalistes : bonne nouvelle ?
L'anticipation du changement climatique repose en partie sur les scénarios d'émissions de gaz à effet de serre utilisés par le Groupe d'experts intergouvernemental sur l'étude du climat (GIEC). Il apparait que les réserves de combustibles fossiles estimées par le World energy outlook et le Statistical review of (…) -
Séminaire PMMH - Bruno Moulia (INRAE)
Vendredi 20 mai 2022 de 11h00 à 12h00 - Salle réunion PMMH 1
The dimensionless numbers of the shaping of plant axes and crowns through tropism and elasticity : a physicist approach of the biological regulation of plant morphogenesis.
The shape of plant stems and/or of the whole crown of isolated trees are conspicuous traits of each species, while at the same time-varying a lot depending on the environment in which the plant grew. A major process involved in this shaping is stem tropism, i.e. oriented growth directed by external clues. In plant (…) -
Séminaire PMMH - Olivier Devauchelle (IPGP, Paris)
Vendredi 13 mai 2022 de 11h00 à 12h00 - Salle réunion PMMH 1
Swimming in a wave field
When a bath of silicon oil vibrates vertically, a droplet of the same oil can bounce indefinitely on its surface [1]. As it does so, it generates a Faraday wave around itself, which then pushes the droplet across the surface. Guided by this wave, the droplet interacts with its own trajectory, with the boundaries, (…) -
Séminaire PMMH - Alexandre Nicolas (U. Lyon 1)
Vendredi 22 avril 2022 de 11h00 à 12h00 - Salle réunion PMMH 1
Physical modelling of pedestrian dynamics : Make your way through the crowd !
Physics has constantly been pushing back its boundaries, so much so that active systems of biological interest have come under its scrutiny in the past decades. At present, among its outermost interfaces, research into the dynamics of pedestrian crowds aspires to provide physical insight into issues of major (…) -
Séminaire PMMH - Jens Eggers, U. of Bristol, UK
Vendredi 15 avril 2022 de 11h00 à 12h00 - Salle réunion PMMH 1
Theory of bubble tips in strong viscous flows
A free surface, placed in a strong viscous flow (such that viscous forces overwhelm surface tension), often develops ends with very sharp tips. For example, observe a bubble in a shampoo bottle, turned upside down. We shown that the axisymmetric shape of the ends, non-dimensionalized by the tip curvature,is (…) -
Séminaire PMMH - Luca Cipelletti (Univ. Montpellier)
Vendredi 8 avril 2022 de 11h00 à 12h00 - Salle réunion PMMH 1
-
Séminaire PMMH - Stefan Catheline (INSERM, Univ. Lyon1)
Vendredi 1er avril 2022 de 11h00 à 12h00 - Salle réunion PMMH 1
Wave elastography applied to soft tissues and membrane
Elastography, sometimes referred as seismology of the human body, is an imaging modality now implemented on medical ultrasound systems, on MRI and recently in optical coherence tomography devices. It allows to measure shear wave speeds within soft tissues and gives a tomography reconstruction of the shear (…) -
Séminaire PMMH : Raphaël Jeanneret, LPENS
Vendredi 25 mars 2022 de 11h00 à 12h00 - Salle réunion PMMH 1
-
Séminaire PMMH - Arnaud Lazarus (Institut d'Alembert, Sorbonne Université)
Vendredi 18 mars 2022 de 11h00 à 12h00 - Salle réunion PMMH 1
New insights on the dynamic stability of time-periodic systems
Periodically time-varying systems are a class of mathematical problems that underlie many important phenomena and applications in physics, such as parametric instabilities, acoustic tweezers, mass spectrometers and Paul traps or any Floquet engineered systems in Quantum Mechanics. Eventually, the mechanics (…) -
Séminaire PMMH : Valentin Leroy, MSC, Université de Paris
Vendredi 11 mars 2022 de 11h00 à 12h00 - Salle réunion PMMH 1
-
Séminaire PMMH : Cécile Clavaud, IST
Vendredi 18 février 2022 de 11h00 à 12h00 - Salle réunion PMMH 1
-
Séminaire PMMH, Marianne Grognot (LBE - ESPCI)
Vendredi 11 février 2022 de 11h00 à 12h00 - Salle réunion PMMH 1
A multiscale chemotaxis assay to unravel how motile bacteria navigate their environment(s)
Flagellated bacteria swim by rotating one or several flagella ; motility alone results in a random walk, but the flagella's rotation can be influenced by an intracellular sensory system that enables cells to climb or descend chemical gradients, in a process called chemotaxis. Altogether, motility and chemotaxis (…) -
Séminaire PMMH Jasna Brujic
Vendredi 4 février 2022 de 11h00 à 12h00 - Salle réunion PMMH 1
-
Séminaire PMMH - Julian Talbot (LPTMC, Sorbonne Univ.)
Vendredi 21 janvier 2022 de 11h00 à 12h00 - Salle réunion PMMH 1
Statistics and Optimisation of Random Pan Stacking
The stacking of objects is a familiar operation. For example, a common conundrum of daily life is how to arrange a collection of pots and pans so that the stack will fit in a kitchen cupboard. Because of the varying form and convex nature of the pans, the height will vary depending on the order in which they are (…)
-
Séminaire PMMH - Antoine Gaillard, University of Amsterdam
2021
-
Séminaire PMMH - Varda Hagh (Univ. of Chicago)
Vendredi 10 décembre 2021 de 11h00 à 12h00 - Salle réunion PMMH 1
Free-then-freeze : transient learning degrees of freedom for introducing function in materials
Many protocols used in material design and training have a common theme : they introduce new “learning'' degrees of freedom, often by relaxing away existing constraints, and then evolve these degrees of freedom based on a rule that leads the material to a desired state at which point these learning degrees of (…) -
Séminaire PMMH - Edouard Ravier (Université du Mans)
Vendredi 3 décembre 2021 de 11h00 à 12h00 - Salle réunion PMMH 1
What can we learn from the experimental modelling of subglacial hydrology ?
The configuration and evolution of the hydrological system under ice sheets is a key control on ice flow dynamics, erosion, sedimentation and bed deformation. Due to the inaccessibility of the subglacial environment, the understanding of subglacial meltwater drainage and its interaction with the ice and the (…) -
Séminaire PMMH - Tom Witten (University of Chicago)
Vendredi 26 novembre 2021 de 11h00 à 12h00 - Salle réunion PMMH 1
Latent sculpture in a curved crease
Thin sheets have an inherent tendency to shape themselves. When forced, they seek to deform in a way that bends without stretching. Thus a crushed sheet shapes itself into a crumpled shape made of flat facets bounded by sharp edges. These sharp features fail to avoid stretching : the deformation energy of (…) -
Séminaire PMMH David Richard (Liphy, Grenoble)
Vendredi 12 novembre 2021 de 11h00 à 12h00 - Salle réunion PMMH 1
Using soft excitations to predict and understand plastic flow in disordered solids
Imposing an external driving, amorphous solids can flow via a succession of plastic rearrangement of localized particles. Numerous numerical and experimental studies have shown that loci of plastic instability in glasses are triggered by spatially localized soft spots in direct analogy with dislocations present in (…) -
Séminaire PMMH Rémi Carminati (Institut Langevin, ESPCI)
Vendredi 22 octobre 2021 de 11h00 à 12h00 - Salle réunion PMMH 1
Seeing through disordered scattering materials
The propagation of coherent light through a scattering medium produces speckle patterns in reflection and transmission. Despite the apparent randomness of the speckle patterns, a statistical correlation between the reflected and transmitted intensities survives even in the multiple scattering regime. This mutual (…) -
Séminaire PMMH - Marco Faustini (LCMCP, Sorbonne Univ.)
Vendredi 15 octobre 2021 de 11h00 à 12h00 - Salle réunion PMMH 1
Evaporation-driven processes towards photonic colloidal assemblies
Developing patterning methods to obtain periodic and ordered colloidal films could open perspectives for their utilization in fields ranging from electronics, photonics, microfluidics or dew-harvesting (1). For instance, integrating porous nanoparticles (oxides or Metal-Organic Frameworks) in periodic structures (…) -
Séminaire PMMH Elim Hong (IBPS, Sorbonne Université)
Vendredi 24 septembre 2021 de 11h00 à 12h00 - Salle réunion PMMH 1
The yin yang pathway in the aversive brain
The habenulo-interpeduncular (Hb-IPN) pathway is an evolutionarily conserved neural pathway mediating diverse pathophysiological behaviors including locomotion, fear, anxiety and nicotine addiction. The left and right habenular nuclei consists of hundreds of neurons that send long axons to project to its target, (…) -
Séminaire PMMH - Michel Cloître (C3M - ESPCI)
Vendredi 17 septembre 2021 de 11h00 à 12h00 - Salle réunion PMMH 1
Microscopic design of yield stress materials
Soft materials are all around us. They are present in personal and home care products, food, paints and in advanced formulations used for enhanced oil recovery, solid ink printing and additive manufacturing. To develop soft materials with tailored properties, formulators combine functional polymers, colloids, (…) -
Séminaire PMMH - Valentina Di Santo (Stockholm University)
Vendredi 10 septembre 2021 de 11h00 à 12h00 - Salle réunion PMMH 1
How fishes save energy : exploring biomechanical and physiological performance of locomotion
Swimming ability has contributed to the evolutionary success of fishes, and its mechanics have been studied extensively across groups. Fishes exhibit an astounding diversity of locomotor behaviors, from classic swimming with their body and fins to jumping, flying, walking, and collective behaviors such as (…) -
Séminaire PMMH - Hillel Aharoni (Weizmann Inst.)
Vendredi 3 septembre 2021 de 11h00 à 12h00 - Salle réunion PMMH 1
On wrinkles, and what they have to do with liquid crystals
A thin elastic sheet attached to a soft substrate often develops wrinkle patterns when subject to an external forcing or as a result of geometric incompatibility. Such patterns appear spontaneously in a variety of natural systems, ranging from plant tissues to drying paint and from milk skin to human skin. The (…) -
Séminaire PMMH Lucilla de Arcangelis (Univ. of Naples)
Vendredi 9 juillet 2021 de 11h00 à 12h00 - Salle réunion PMMH 1
Acoustic fluidization and remote earthquake triggering
Lucilla de Arcangelis, Eugenio Lippiello, Massimo Pica Ciamarra Engineering Department University of Campania “Luigi Vanvitelli” Occasionally, a major earthquake can trigger additional events at distances up to 1000 km away. How that happens is a longstanding puzzle since the amplitude of the seismic waves (…) -
Séminaire PMMH - Eva Adnan Kanso (Univ. of Southern California)
Vendredi 25 juin 2021 de 11h00 à 12h00 - Salle réunion PMMH 1
One Fish, Two Fish
I will tell two short stories of fish hydrodynamics. First, I will argue, based on biological observations and mathematical models, that fish that actively flap their tail in concert with passive hydrodynamic forces can simultaneously improve swimming speed and efficiency. Second, I will show that passive (…) -
Séminaire PMMH - Thomas Paehtz (Zhejiang University)
Vendredi 11 juin 2021 de 11h00 à 12h00 - Salle réunion PMMH 1
Unified model of sediment transport threshold and rate across subaqueous bedload, windblown sand, and windblown snow
Loose sedimentary grains cover much of the wind-blown (i.e., aeolian) and water-worked (i.e., fluvial) sedimentary surfaces of Earth and other planetary bodies. To predict how such surfaces evolve in response to aeolian and fluvial flows, one needs to understand the rate at which sediment is transported for given (…) -
Séminaire PMMH - Julien Tailleur (CNRS, MSC)
Vendredi 7 mai 2021 de 11h00 à 12h00 - ZOOM
From pressure to surface tension, the anomalous mechanical properties of active particles
Active particles dissipate energy to exert self-propelling forces on their environment. This microscopic drive out of equilibrium leads to rich behaviors, from the flocking of birds to the motility-induced phase separation of self-propelled colloids or bacteria, that have attracted a lot of attention in the past. (…) -
Séminaire PMMH - Philippe Gondret (FAST, Univ. Paris-Saclay)
Vendredi 30 avril 2021 de 11h00 à 12h00 - Salle réunion PMMH 1
Tsunami generation by landslides : From laboratory experiments to geophysical events
Tsunami waves can arise from significant geological events such as the collapse of a mountain flank or a volcano into a lake or an ocean. We reproduce this situation at the laboratory scale. The landslide is modeled by the sudden release of a rectangular granular column, which then impacts a still water layer and (…) -
Séminaire PMMH
Vendredi 9 avril 2021 de 11h00 à 12h00 - Salle réunion PMMH 1
Making pipe flow transition complex, again !
The circumstance that pipe flows are turbulent in practice, while theoretical arguments imply they should remain laminar, has posed a major challenge in fluid mechanics. Recent mounting evidence that the onset of turbulence can be explained as a directed percolation phase transition finally offers a solution to the (…) -
Séminaire PMMH - Jérôme Weiss (ISTerre, Grenoble)
Vendredi 19 mars 2021 de 11h00 à 12h00 - Salle réunion PMMH 1
Is mechanics driving the Arctic sea ice decline ?
In the Arctic, sea ice is undergoing for several decades a dramatic decline both in terms of spatial extent and average thickness. As sea ice strongly affects the exchanges of energy and momentum between the ocean and the atmosphere, its decline is accompanied by a particularly strong warming in the Arctic. The (…) -
Séminaire PMMH - Jérémy Hure (CEA Saclay)
Vendredi 5 mars 2021 de 11h00 à 12h00 - Salle réunion PMMH 1
Plasticity and ductile fracture in irradiated metals
Metals used in nuclear reactors core are subjected to neutron irradiation, leading to different kind of crystallographic defects depending on irradiation conditions. The main irradiation defects include dislocation loops and nano-voids. These defects have a strong influence on plasticity mechanisms, and, in turn, (…) -
Séminaire PMMH
Vendredi 26 février 2021 de 11h00 à 12h00 - Salle réunion PMMH 1
-
Séminaire PMMH - Matilda Backholm (Aalto Univ., Helsinki, Finland)
Vendredi 12 février 2021 de 11h00 à 12h00 - Salle réunion PMMH 1
When honey moves faster than water
The viscosity of a fluid is well known to limit its flow : the more viscous a droplet, the slower it moves [1,2]. Here, we show that this intuitive rule breaks down in a confined liquid-repellent geometry. A gravity-driven, highly viscous glycerol droplet placed in a sealed superhydrophobic capillary moves more (…) -
Séminaire PMMH - Emmanuelle Rio (LPS-Univ. Paris Saclay)
Vendredi 5 février 2021 de 11h00 à 12h00 - Salle réunion PMMH 1
Rupture of Foam Films and Surface Bubbles
Surface bubbles are of crucial interest since they favours the transport of material from the bulk to the overlying atmosphere through the production of aerosols. This is important for example in climate models, air pollution studies or in the carbonated beverage industry since the produced aerosols contain most of (…) -
Séminaire PMMH - Joe Tavacoli (München, Germany)
Vendredi 29 janvier 2021 de 11h00 à 12h00 - Salle réunion PMMH 1
Programmable design and performance of modular magnetic microswimmers
Synthetic microswimmers are promising agents for targeted in-vivo healthcare as well as important frameworks from which to advance the understanding of locomotion strategies at the microscopic scale.[1,2] Nevertheless, constructing these types of devices with flexibility of design and in large numbers remains a (…) -
Séminaire PMMH - Baptiste Darbois-Texier (FAST)
Vendredi 22 janvier 2021 de 11h00 à 12h00 - Salle réunion PMMH 1
Surface instability of shear-thickening suspensions down an inclined plane
A shear-thickening suspension, such as cornstarch particles in water, exhibits a very strange behavior : it flows as milk when gently stirred but turns rock solid under impact. Despite its notoriety, this phenomenon has been understood only recently. Based on this progress, we decided to explore the behavior of (…)
-
Séminaire PMMH - Varda Hagh (Univ. of Chicago)
2020
-
Séminaire PMMH-Noa Burshtein
Vendredi 18 décembre 2020 de 11h00 à 12h00 - Salle réunion PMMH 1
Flow Instabilities and Vortex Dynamics in Intersecting Flows
In the proximity of stagnation points, flow instabilities tend to arise at relatively low Reynolds number (Re). These instabilities often result in vortices that can evolve time-periodic patterns as Re is increased. These types of flows are well studied in cases for which the stagnation point is fixed on an (…) -
Séminaire PMMH - Lorraine Montel (UPMC)
Vendredi 11 décembre 2020 de 11h00 à 12h00 - Salle réunion PMMH 1
Emulsion droplets as a model biomimetic system
Emulsion droplets recapitulate the deformability and surface fluidity of biological objects, in a simpler and tunable fashion. Thus, they can be used as a model biomimetic system to study cell-cell interactions. During this talk, I will demonstrate this use in two different systems : the study of phagocytosis, and (…) -
Séminaire PMMH - A.M. Goryaeva (Université de Rouen)
Vendredi 27 novembre 2020 de 11h00 à 12h00 - Salle réunion PMMH 1
Reinforcing materials modelling by encoding the structures of defects in crystalline solids into distortion scores
A perfect crystal is a purely theoretical concept. Real-world crystals contain imperfections, also called defects. Identification and characterization of defects provide the crucial information for interpretation of simulations and experiments that bridge the gap between atomic- and micrometer-scales. But what is (…) -
Séminaire PMMH - Joseph d'Alessandro
Vendredi 13 novembre 2020 de 11h00 à 12h00 - Salle réunion PMMH 1Eukaryotic cells as interacting living particles
Cells move. They propel themselves using an internal machinery which endows them with the characteristics of active particles. At the same time, they interact dynamically with (...)
Eukaryotic cells as interacting living particles
Cells move. They propel themselves using an internal machinery which endows them with the characteristics of active particles. At the same time, they interact dynamically with their environment and with neigbouring cells, by adhering, exerting forces and exchanging biochemical signals. In this talk, we will first (…) -
Séminaire PMMH - Costantino Creton (SIMM ESPCI)
Vendredi 6 novembre 2020 de 11h00 à 12h00 - Salle réunion PMMH 1
Using light to detect molecular forces, chemical bond scission and to understand fracture
Costantino Creton Soft Matter Science and Engineering, ESPCI Paris, Université PSL, Paris, F Recent advances in chemistry have made it possible to directly optically visualize forces on chemical bonds or even bond scission by using molecules that either emit light or become fluorescent when activated by the (…) -
Séminaire PMMH-Cécile Sykes (Institut Curie, Paris)
Vendredi 27 mars 2020 de 11h00 à 12h00 - Salle réunion PMMH 1
Active or passive deformation of the cell membrane supplied by actin assembly. Perpectives on nucleus deformation
In all cell functions, a common observation is that cytoskeleton assembly correlates with membrane deformation based on active forces. The exact role, in particular, of the actin cytoskeleton in cell membrane deformation, with pushing or pulling forces, is what we address both experimentally and theoretically. We (…) -
Séminaire PMMH - Chung-Yuen Hui (Cornell University)
Vendredi 13 mars 2020 de 11h00 à 12h00 - Salle réunion PMMH 1
Mechanical Properties of Fiber-Reinforced Soft Composites
In this talk I will focus on an emerging class of fiber reinforced composites where the matrix is extremely soft and tough. For example, an upper estimate for fiber/matrix modulus ratio in traditional fiber reinforced polymer composites is at most 100. Matrices made from tough elastic gels can have modulus (…) -
Séminaire PMMH, Arthur Lebée ENPC
Vendredi 6 mars 2020 de 11h00 à 12h00 - Salle réunion PMMH 1
Continuum elasticity of Miura Tessellations
Origami tessellations are curved two-dimensional discrete shells folded out of a periodic crease pattern. Unlike solid shells, Origami tessellations can morph and access a space of configurations each characterized by the list of folding angles of all creases. Due to inextensibility constraints imposed by Origami (…) -
Séminaire PMMH- Paulo E. Arratia (UPenn)
Vendredi 28 février 2020 de 11h00 à 12h00 - Salle réunion PMMH 1
A microstructural view of yielding and plasticity in 2D disordered materials
When stressed sufficiently, amorphous materials yield and deform plastically via reorganization of microscopic constituents. Despite much effort, understanding the interdependence of yielding, plasticity, and microscopic structure in non-equilibrium states (i.e. under stress) remains a major challenge. In this (…) -
Séminaire PMMH- Elisabeth Guazzelli (MSC)
Vendredi 7 février 2020 de 11h00 à 12h00 - Salle réunion PMMH 1
Particle motion in vortical flows
In many natural phenomena or industrial applications, heavy particles are transported in complex flows. The flow structures may happen to promote the stirring and dispersion of the particles. But the opposite can also take place and the flow configuration may contribute to the focussing and accumulation of (…) -
Séminaire PMMH- Dwight Barkley (University of Warwick)
Vendredi 31 janvier 2020 de 11h00 à 12h00 - Salle réunion PMMH 1
A fluid mechanic's analysis of the tea-cup singularity
In 1926 Einstein published a short paper explaining the meandering of rivers. He famously began the paper by discussing the secondary flow generated in a stirred tea cup — the flow now widely known to be responsible for the collection of tea leaves at the center of a stirred cup of tea. In 2014, Luo and Hou (…) -
Séminaire PMMH- Kristina Davitt (ENS)
Vendredi 24 janvier 2020 de 11h00 à 12h00 - Salle réunion PMMH 1
Wetting hysteresis and dynamics : interpreting dissipation mechanisms at the contact line
A liquid moving over a solid substrate is an everyday occurrence, and the hysteresis and dynamics of the three-phase contact line have been measured in innumerable experiments over the years. In addition, the ingredients needed to describe the phenomenon are known : in the most basic picture, there is viscous (…) -
Séminaire PMMH - Doron Grossman (Collège de France)
Vendredi 17 janvier 2020 de 11h00 à 12h00 - Salle réunion PMMH 1
From Molecules to Helical Ribbons - Shape and Shape Fluctuations
* Self assembly of molecules into supramolecular structures is an important process through which non trivial structures are formed in nano-metric scale. The resulting structure depends on chemical and physical principles that govern the process, and may be sensitive to the exact conditions in which they are (…) -
Séminaire PMMH Nicolas Triantafyllidis (LMS polytechnique)
Vendredi 10 janvier 2020 de 11h00 à 12h00 - Salle réunion PMMH 1
STABILITY PROBLEMS IN MECHANICS : MULTIPHYSICS AND MULTISCALE ASPECTS (A MECANICIAN'S PERSPECTIVE…)
Stability is a fascinating topic in solid mechanics that has its roots in the celebrated Euler column buckling problem, which first appeared in 1744. Over the years advances in technology have led to the study of ever more complicated structures first in civil and subsequently in mechanical engineering applications. (…)
-
Séminaire PMMH-Noa Burshtein
2019
-
Séminaire PMMH - Jean-Philippe Bouchaud
Vendredi 20 décembre 2019 de 11h00 à 12h00 - Salle réunion PMMH 1
Crises et phénomènes socio-économiques collectifs
Comme l'écrivait P. W. Anderson en 1972 dans « More is different », le comportement de grandes assemblées d'individus ne peut pas être compris à partir de l'extrapolation du comportement d'individus isolés. Au contraire, des comportements complètement nouveaux, parfois spectaculaires et difficiles à anticiper, (…) -
Séminaire PMMH - Séverine Atis (Harvard University)
Vendredi 13 décembre 2019 de 11h00 à 12h00 - Salle réunion PMMH 1
On Growth and Form of Range Expansions at Liquid Interfaces
Range expansions coupled with fluid flows are of great importance in understanding the organization and competition of microorganism populations in liquid environments. However, combining growth dynamics of an expanding assembly of cells with hydrodynamics leads to challenging problems, involving the coupling of (…) -
Séminaire PMMH, Vinod Kumar Saranathan (Yale NUS College)
Vendredi 6 décembre 2019 de 11h00 à 12h00 - Salle réunion PMMH 1
Biomimetic and Bio-inspired Potential of Self-assembled Biophotonic Nanostructures
Colors in Nature can be produced either chemically, by the selective light bsorption by pigments, or physically, by light interference from biophotonic nanostructures. Intriguingly, there are almost no known violet, blue or green pigments in animals. And yet these structurally produced colors are ubiquitous in (…) -
Séminaire PMMH — Miguel Fernandez (équipe-projet Commedia, INRIA Paris)
Vendredi 22 novembre 2019 de 11h00 à 12h00 - Salle réunion PMMH 1
Numerical methods for fluid-structure interaction with immersed elastic bodies
The mechanical interaction of an incompressible fluid flow with an elastic structure is a multi-physic problem omnipresent in nature and in many engineering fields. One can think, for instance, of the opening/closing dynamics of heart valves when blood is propelled into the arteries and of the wings of a bird (…) -
Séminaire PMMH - Jérôme Fresnais (PHENIX, UPMC)
Vendredi 15 novembre 2019 de 11h00 à 12h00 - Salle réunion PMMH 1
Making superhydrophobic surfaces with magnetic elastomer : towards controlled droplet movement
In the field of superhydrophobic surfaces, natural surfaces exhibiting non-wetting filament networks remain a challenge to understand. Indeed, if classical superhydrophobic surfaces developed roughness at different scales, superhydrophobicity on hairy surfaces shows elastic behavior that is more difficult to model. (…) -
Séminaire PMMH -Julien Bobroff (LPS, Univ. Paris-Sud/Paris-Saclay)
Vendredi 8 novembre 2019 de 11h00 à 12h00 - Salle réunion PMMH 1
La physique autrement
Pourquoi vulgariser la physique autrement ? Et surtout comment ? Voilà les deux questions au coeur des activités de notre équipe de recherche. Nous y explorons de nouvelles formes de vulgarisation en lien avec le monde du design et de la création. Parmi nos dernières productions, un objet de médiation sur la (…) -
Séminaire PMMH- Pedro Saenz (University of North Carolina at Chapel Hill)
Vendredi 25 octobre 2019 de 11h00 à 12h00 - Salle réunion PMMH 1
Hydrodynamic Spin Lattices
Mesoscale and macroscale analogs of electronic spin systems, such as ultra-cold fermionic lattice gases and mechanical metamaterials, offer direct insights into fundamental physical prin ciples while simultaneously promising groundbreaking applications, from quantum computation and simulators to photonic and (…) -
Séminaire PMMH - Jean Comtet (EPFL)
Vendredi 4 octobre 2019 de 11h00 à 12h00 - Salle réunion PMMH 1
Soft matter and mechanics at the molecular scale : from the rheology of few-atoms gold junctions to the observation of single proton transport at solid/water interfaces.
Jean Comtet École Polytechnique Fédérale de Lausanne, Département Sciences et Techniques de l'Ingénieur, CH-1015 Lausanne New paradigms are expected to emerge at the nanometer scale for soft matter and mechanics, stemming from the breakdown of continuum concepts and the appearance of new force scales. I will (…) -
Séminaire PMMH - Natsuhiko Yoshinaga (Tohoku University)
Lundi 30 septembre 2019 de 11h00 à 12h00 - Salle réunion PMMH 1
Model Selection of PDE for Pattern Forming Systems
Partial differential equations (PDE) have been widely used to reproduce patterns in nature, and to give an insight on the mechanism underlying pattern formation. Although enormous number of PDE models have been proposed, they rely on pre-request knowledge of physical laws and symmetries, and one has (…) -
Séminaire PMMH-Arezki Boudaoud (ENS Lyon)
Vendredi 27 septembre 2019 de 11h00 à 12h00 - Salle réunion PMMH 1
From tissue mechanics to plant morphogenesis
The form of organisms relies on the mechanical properties of their cells and tissues. In order to help understanding how plants grow and reach well-defined shapes, we developed a set of experimental and theoretical approaches to quantify tissue mechanics in living plants at multiple scales and to relate such (…) -
Séminaire PMMH - David Saintillan (University of California San Diego)
Vendredi 20 septembre 2019 de 11h00 à 12h00 - Salle réunion PMMH 1
Viscous dynamics of passive and active microfilaments
Elastic filaments and semiflexible polymers are ubiquitous in biology, where they play a role in cell mechanics and locomotion as well as for fluid transport on the microscale. In this talk, I will discuss two problems involving the interaction of such filaments with fluid flows. The first problem focuses on the (…) -
Séminaire PMMH - Patrick Bot (Institut de Recherche de l'Ecole Navale)
Vendredi 13 septembre 2019 de 11h00 à 12h00 - Salle réunion PMMH 1
From sails aerodynamics to the Lift Crisis (and other results on the lift generated by a highly curved plate)
Yacht sails show some peculiarities among aerodynamic systems. Rather flat sails are used to sail upwind, and the flow remains mostly attached. To sail downwind, highly cambered sails may be used where flow separation is significant. Some results will be shown on the flow around a spinnaker and the related fluid (…) -
Séminaire PMMH - Yukitaka Ishimoto (Akita Prefectural University)
Vendredi 6 septembre 2019 de 11h00 à 12h00 - Salle réunion PMMH 1
Biomechanical excursions : from cell shapes to dragonfly wings
In the last decade, much attention has been paid to the physical/mechanical aspects of biological phenomena inside/outside living bodies, owing to the latest technological developments. For example, it becomes possible to directly measure the forces generated by cells on specially designed substrates, or to (…) -
Seminaire Yahya Modarres-Sadeghi
Lundi 26 août 2019 de 11h00 à 12h00 - Salle réunion PMMH 3
-
Séminaire PMMH - Farzam Zoueshtiagh (IEMN, Lille)
Vendredi 5 juillet 2019 de 11h00 à 12h00 - Salle réunion PMMH 1
Dynamics and stability of a liquid-gas interface in the presence of micro-particles
This French-Japan-US collaborative study examines the influence of the micro-particles on the stability of the liquid-air interface. We will first revisit the effect of these particles on the dynamics of the interface in a confined "1D" geometry [1] with the formation of armored bubbles (fig. 1(a)) and will show (…) -
Séminaire PMMH - Allbens Atman (Centro Federal de Educação Tecnológica de Minas Gerais, Brasil)
Vendredi 28 juin 2019 de 11h00 à 12h00 - Salle réunion PMMH 1
Experimental validation of nonextensive scaling law in confined granular media : emergence of shear bands
The statistics of grain displacements probability distribution function (pdf) during the shear of a granular medium displays an unusual dependence with the shear increment upscaling as recently evinced [Phys. Rev. Lett. 115 238301 2015]. Basically, the pdf of grain displacements has clear nonextensive (q-Gaussian) (…) -
Séminaire PMMH-Nicolas Vandewalle (Université de Liège)
Vendredi 21 juin 2019 de 11h00 à 12h00 - Salle réunion PMMH 1
Milliswimmers : Self-assembling complex and functional structures at the (sub)millimeter scale
When soft ferromagnetic particles are suspended at air-water interfaces in the presence of a vertical magnetic field, dipole-dipole repulsion competes with capillary attraction such that structures self-assemble. The complex arrangements of such floating bodies are emphasized. By adding a horizontal and oscillating (…) -
Séminaire PMMH - Denis Guthleben (CNRS)
Vendredi 7 juin 2019 de 11h00 à 12h00 - Salle réunion PMMH 1
Le CNRS, 80... et quelques années d'histoire
Créé par un décret du 19 octobre 1939, le CNRS voit le jour dans un monde qui vient de basculer dans l'abîme : six semaines plus tôt, l'Allemagne nazie a envahi la Pologne et, dans la foulée, l'Angleterre et la France lui ont déclaré la guerre. Dans ce contexte, le nouvel établissement doit piloter la mobilisation (…) -
Séminaire PMMH- Tom Mullin (Univ Oxford)
Vendredi 31 mai 2019 de 11h00 à 12h00 - Salle réunion PMMH 1
Levitation by Thin Viscous Layers
The results of experimental investigations into balancing cuboids, cylinders and spheres‘ on a vertical moving wall which is covered a thin layer of viscous fluid are discussed. It is found that balance can be achieved over a narrow range of speeds in all cases. Systematic results for spheres and cylinders have (…) -
Séminaire PMMH - Corrado Rainone (ITP Univ. of Amsterdam)
Vendredi 24 mai 2019 de 11h00 à 12h00 - Salle réunion PMMH 1
Addressing the protocol dependence of glass plasticity and yielding
The glassy slowdown is a phenomenon whereupon a liquid, when supercooled below its melting point, exhibits a dramatic slowdown of its dynamics, such that it rapidly becomes impossible to maintain it equilibrated on feasible experimental timescales. The resulting out-of-equilibrium system is referred to as a glass, (…) -
Séminaire PMMH - Michaël Baudoin (IEMN - Université de Lille)
Vendredi 17 mai 2019 de 11h00 à 12h00 - Salle réunion PMMH 1
Manipulation of fluid and particles at microscales with selective acoustical tweezers
The selective contactless manipulation and assembly of physical and biological objects and fluids at micrometric down to nanometric scales promises tremendous development in fields as diverse as microrobotics, microfluidics, tissue engineering or micro/nano- medicine. In this regard, acoustical tweezers is a (…) -
Séminaire PMMH-Bertrand Maury (Dpt maths, ENS)
Vendredi 10 mai 2019 de 11h00 à 12h00 - Salle réunion PMMH 1
Faster is Slower effect in crowds
The so-called Faster is Slower (FiS) effect is commonly observed in real-life or experimental situations. In the context of evacuation processes, it expresses that increasing the speed (or, more generally, the eagerness to egress) of individuals may induce a reduction of the flow through the exit door. We propose (…) -
Séminaire PMMH - Barakat Abdul (Ladhyx, Polytechnique)
Vendredi 19 avril 2019 de 11h00 à 12h00 - Salle réunion PMMH 1
Optimizing the Performance of Endovascular Stents : Cells, Vessels, and Connected Devices
The pathological complications of atherosclerosis, namely heart attacks and strokes, are the leading cause of mortality in the world. The most common treatment for atherosclerosis is the implantation of a stent, a wire-mesh structure that is deployed on a balloon catheter and expanded at the location of arterial (…) -
Séminaire PMMH - Priya Subramanian (Univ. of Leeds)
Vendredi 12 avril 2019 de 11h00 à 12h00 - Salle réunion PMMH 1
Modal Interactions and Superlattice Patterns
Pattern formation in systems in many real world systems such as neural-field models, reaction-diffusion systems and fluid systems such as the Faraday wave system have separation of scales leading to nonlinear modal interactions. A general analysis of possible terms that can arise via modal interactions is subject (…) -
Séminaire PMMH Michaël Berhanu (MSC)
Vendredi 5 avril 2019 de 11h00 à 12h00 - Salle réunion PMMH 1
Nonlinear interactions and turbulence of capillary surface waves
The dynamics of the waves propagating on a water surface is often influenced by nonlinear effects. The complex and disordered patterns of gravity waves seen on a choppy sea are indeed interpreted as a statistical dynamic equilibrium of waves in interaction. Using among some others the hypothesis of weak non (…) -
Séminaire PMMH-Elim Hong (IBPS, Sorbonne Université)
Vendredi 29 mars 2019 de 11h00 à 12h00 - Salle réunion PMMH 1
The yin yang pathway in the aversive brain
The habenulo-interpeduncular (Hb-IPN) pathway is an evolutionarily conserved neural pathway mediating diverse pathophysiological behaviors including locomotion, fear, anxiety and nicotine addiction. The left and right habenular nuclei consists of hundreds of neurons that send long axons to project to its target, (…) -
Séminaire PMMH - Corrado Maurini (Inst. J.-L. d'Alembert UPMC)
Vendredi 22 mars 2019 de 11h00 à 12h00 - Salle réunion PMMH 1
Nucleation and propagation of cracks in the variational approach to fracture
Damage and fracture in brittle materials are associated to a loss of stiffness and an energy dissipation. These phenomena can be modelled as a minimisation problem on the sum of the elastic and the dissipated energies. This view led a fecund variational theory of fracture and to efficient numerical approximation (…) -
Séminaire PMMH - Shreyas Mandre (Brown Univ., Providence)
Vendredi 15 mars 2019 de 11h00 à 12h00 - Salle réunion PMMH 1
Surfactants driven out of equilibrium by a flow
A surfactant is a chemical compound that adsorbs onto a fluid-fluid interface and reduces its surface tension. A non-uniform distribution of such compounds at the interface causes a Marangoni stress that drives a flow, which in turn transports the surfactant. Estimating in situ the degree to which the adsorbed (…) -
Séminaire PMMH Jean-Arthur Olive (ENS)
Vendredi 22 février 2019 de 11h00 à 12h00 - Salle réunion PMMH 1
From micro-crack to crustal fault
Major fault systems dissect the Earth's crust at the boundaries of tectonic plates. On human time scales, faults may slip catastrophically during earthquakes, but fault lines remain steady features of tectonic landscapes. On geological time scales, new fault lines can form, shape mountains and basins as they (…) -
Séminaire PMMH - Tobias Schneider (EPFL)
Vendredi 15 février 2019 de 11h00 à 12h00 - Salle réunion PMMH 1
A network of invariant solutions underlying spatio-temporal patterns in inclined layer convection
Thermal convection in a fluid between two horizontal plates, a lower hot plate and an upper cold plate, exhibits chaotic dynamics and turbulence. If such a convection cell is inclined against gravity, buoyancy forces drive hot and cold fluid up and down the incline leading to a shear flow in the base state and the (…) -
Séminaire PMMH - Marie Le Merrer (ILM, Univ. Lyon 1)
Vendredi 8 février 2019 de 11h00 à 12h00 - Salle réunion PMMH 1
Flow and surfactant dynamics in bubble rearrangements in foams
Liquid foams are assemblies of gas bubbles in a soapy solution, found in many applications from cosmetics to oil drilling. The nature of surfactants changes the properties of the liquid-gas interfaces, and consequently the macroscopic properties of the foam like its stability and rheology. However, the flow (…) -
Séminaire PMMH - Christophe Gissinger (ENS)
Vendredi 1er février 2019 de 11h00 à 12h00 - Salle réunion PMMH 1
Instabilités dans les écoulements entraînés par forçage magnétique
La conversion d'énergie électromagnétique en énergie cinétique par un fluide conducteur de l'électricité est un phénomène omniprésent que l'on trouve dans plusieurs systèmes naturels ainsi que dans de nombreuses applications industrielles. Malgré l'importance de ces applications, plusieurs aspects des écoulements (…) -
Séminaire PMMH - Guillaume Michel (ENS Paris)
Vendredi 25 janvier 2019 de 11h00 à 12h00 - Salle réunion PMMH 1
Mesure acoustique d'ondes de surface : application au mouillage et à l'effet Doppler
Les méthodes usuelles de mesure d'ondes de surface utilisent des sondes ponctuelles ou des acquisitions vidéo. Nous nous sommes demandé s'il est possible de sonder des vagues à l'aide de son et, si oui, quelles grandeurs sont accessibles. A l'aide d'une analogie avec un dispositif connu en optique depuis près d'une (…) -
Séminaire PMMH - Sophie Ramananarivo (LadHyX, École Polytechnique)
Vendredi 18 janvier 2019 de 11h00 à 12h00 - Salle réunion PMMH 1
Emergent order, from fish schools to colloidal crystals
It has long been thought that fish form into schools and birds into flocks so that each individual can take advantage of the flows produced by others. Using physical experiments that mimic the movements of fins or wings, we discover that flapping bodies not only swim or fly faster when grouped together but that the (…) -
Séminaire PMMH - Bernadette Bensaude-Vincent (Univ. Paris 1)
Vendredi 11 janvier 2019 de 11h00 à 12h00 - Salle réunion PMMH 1
Dialogue avec les matériaux
Cette intervention est une invite à penser les matériaux comme des partenaires de nos aventures techniques. Après un bref historique des conditions d'émergence de la science des matériaux on montrera en quel sens les matériaux sont des hybrides de nature, de technique et de société. Et on illustrera cette condition (…)
-
Séminaire PMMH - Jean-Philippe Bouchaud
2018
-
Séminaire PMMH - Emmanuel Virot (EPFL - Harvard University)
Vendredi 21 décembre 2018 de 11h00 à 12h00 - Salle réunion PMMH 1
Non-destructive prediction of the buckling load of soda cans and space rockets
What is the critical load required to crush a soda can or a space rocket shell ? Surprisingly, there is no good way to estimate it, because of the high defect-sensitivity of the buckling instability. Here we measure the response of (imperfect) empty Coca-Cola cans to lateral poking and identify a generic stability (…) -
Séminaire PMMH - Ory Schnitzer ( Imperial College London)
Vendredi 14 décembre 2018 de 11h00 à 12h00 - Salle réunion PMMH 1
Asymptotic models of wave propagation and resonance in micro-structured media
The study of microstructured media in acoustic settings is undergoing a considerable revival, with ideas originating from electromagnetism, photonic crystals and metamaterials influencing structured acoustic devices. Fundamentally, these advancements rely on incorporating resonances to effectively control wave (…) -
Séminaire PMMH - Dimitry Kolomenskiy (JAMSTEC, Japon)
Vendredi 7 décembre 2018 de 11h00 à 12h00 - Salle réunion PMMH 1
Bumblebee in flight and in digit
Flight as a mode of animal locomotion emerges from interaction of internal biological systems with the external environment. Although it is currently, or even generally, unrealistic to fully reduce this problem to first principles, it proves possible and useful to combine low-dimensional models of biological (…) -
Séminaire PMMH - Nicolas Taberlet (UCBL - ENS Lyon)
Vendredi 30 novembre 2018 de 11h00 à 12h00 - Salle réunion PMMH 1
Morphogenèse glaciaire induite par ablation différentielle
Les processus d'ablation de la glace sont multiples, la sublimation et la fonte étant dépendantes des conditions climatiques (ensoleillement, température, humidité, précipitations, vent…). Nous avons étudié la morphogenèse des « Zen Stones » qui se forment essentiellement sur le lac Baïkal au cours de la saison (…) -
Séminaire PMMH - Pierre Jop (SVI, Saint-Gobain)
Vendredi 23 novembre 2018 de 11h00 à 12h00 - Salle réunion PMMH 1
Vers un matériau granulaire humide : quand la capillarité contrôle les interfaces
Le mélange de grains avec un liquide est souvent la première étape d'un processus industriel, mais la nature triphasique du milieu rend la description globale difficile [1] : la cohésion des ponts capillaires [2] et la progression du liquide dans le système créent des zones de comportements mécaniques différents. (…) -
Séminaire PMMH - Lucio Isa (ETH, Zurich)
Vendredi 16 novembre 2018 de 11h00 à 12h00 - Salle réunion PMMH 1
Breaking the symmetry : Designing colloidal motors and swimming at oil-water interfaces
Breaking symmetry is at the very core of achieving propulsion at the microscale, where viscous forces dominate. Nature has perfected a range of different strategies to reach this goal for swimming microorganisms, which scientists have taken inspiration from to produce artificial micro-swimmers [1]. A common way to (…) -
Séminaire PMMH - Mark Pauly (EPFL)
Vendredi 9 novembre 2018 de 11h00 à 12h00 - Salle réunion PMMH 1
Light, Matter, Form - Computational Design of Functional Geometry
In this talk, I will outline a general computational approach for material-aware design of complex 3D models. The key step is to identify suitable geometric abstractions of physical properties that enable effective computations with high predictive accuracy. I will show several examples of this approach for (…) -
Séminaire PMMH - Thomas Lessinnes (EPFL)
Vendredi 19 octobre 2018 de 11h00 à 12h00 - Salle réunion PMMH 1
New tools for the mechanics of biofilaments
Many biological objects present themselves as elongated slender structures. One may for instance mention proteins, polymers, DNA, bacterial fibres, fungi, stems, roots, arteries or neurons to cite but a few. It so happens that these bio-filaments are often organised as bundles of sub-filaments. The interplay of the (…) -
Séminaire PMMH- Nicolas FRANCOIS (The Australian National University)
Vendredi 12 octobre 2018 de 11h00 à 12h00 - Salle réunion PMMH 1
Surfing wave driven turbulence at a fluid surface
Nicolas FRANCOIS, Hua XIA, Horst PUNZMANN, Michael SHATS Physics of Fluids Laboratory, The Australian National University When a laminar flow becomes turbulent, its energy is spread over a range of scales in a process named energy cascade. It has recently been discovered that turbulent flows can be forced by (…) -
Séminaire PMMH - Laurent Duchemin (IRPhE, Marseille)
Vendredi 5 octobre 2018 de 11h00 à 12h00 - Salle réunion PMMH 1
Deux écoulements capillaires impulsionnels
Dans cet exposé, je présenterai deux études expérimentales et théoriques sur des écoulements ayant une dynamique rapide à une échelle capillaire. La première concerne l'étirement impulsionnel d'un ligament liquide millimétrique. Dans le contexte général de la fragmentation, cette expérience modèle permet à la (…) -
Séminaire PMMH - Sara Jabbari Farouji (Gutenberg University, Mainz, Germany)
Vendredi 28 septembre 2018 de 11h00 à 12h00 - Salle réunion PMMH 1
Controlling stability and transport of magnetic microswimmers by an external field
Inspired by intriguing dynamics of magnetotactic bacteria, we present a minimal kinetic model for magnetic swimmers in an external magnetic field to investigate their collective behavior. Our kinetic model couples a Fokker-Planck equation for active particles in an external magnetic field to the Stokes flow. (…) -
Séminaire PMMH - Marc Durand (MSC, Univ. Paris Diderot)
Vendredi 21 septembre 2018 de 11h00 à 12h00 - Salle réunion PMMH 1
Milieux cellulaires fluides et réseaux : microstructure et propriétés effectives
Les propriétés structurelles (géométrie, topologie, désordre) d'un matériau à l'échelle de ses constituants affectent profondément ses propriétés effectives, telles que sa réponse mécanique ou acoustique. Au cours de ce séminaire, je présenterai diverses études visant à caractériser - de manière exacte ou (…) -
Séminaire PMMH - Hans Herrmann (ETH, Zürich)
Vendredi 14 septembre 2018 de 11h00 à 12h00 - Salle réunion PMMH 1
Structures granulaires renforcées par un fil et éjections granulaires d'un milieu poreux
Je vais présenter deux sujets granulaires : Le premier c'est la stabilisation d'une colonne granulaire avec un fil. Il s'agit de comprendre avec des expériences et des simulations numériques pourquoi et comment stabilisent des piliers renforcés par ficelle selon une nouvelle technique développée par des (…) -
Séminaire PMMH - Fernando Peruani (Univ. de Nice)
Vendredi 7 septembre 2018 de 11h00 à 12h00 - Salle réunion PMMH 1
Towards a non-equilibrium statistical mechanics of biological and biomimetic systems
Collective phenomena are observed in biological and biomimetic systems at all scales, from bacterial systems to sheep herds in biology, and from Quincke rollers to bristlebots or kilobots in man-made, active systems. Provided that these non-equilibrium systems consist of independent units without a central control (…) -
Séminaire PMMH : Antonio de Simone (Trieste)
Vendredi 13 juillet 2018 de 11h00 à 12h00 - Salle réunion PMMH 1
Biological and bio-inspired motility at microscopic scales : locomotion by shape control
Locomotion strategies employed by unicellular organism are a rich source of inspiration for studying mechanisms for shape control. In fact, in an overwhelming majority of cases, biological locomotion can be described as the result of the body pushing against the world, by using shape change. Motion is then a result (…) -
Séminaire PMMH - Federico Toschi (Technische Universiteit, Eindhoven)
Vendredi 6 juillet 2018 de 11h00 à 12h00 - Salle réunion PMMH 1
Turbulence and plastic events in fluid emulsions
Emulsions made of immiscible fluids can display an very rich phenomenology. In this talk we will discuss how to numerically model fluid emulsions and we will present results from recent numerical studies. The numerical model that we employ is based on the multi-component Lattice Boltzmann method as it provides a (…) -
Séminaire PMMH - Philippe Marcq (Institut Curie)
Vendredi 29 juin 2018 de 11h00 à 12h00 - Salle réunion PMMH 1
From cells to tissue : A continuum model of epithelial mechanics
A continuum model of epithelial tissue mechanics is formulated using cellular-level mechanical ingredients and cell morphogenetic processes, including cellular shape changes and cellular rearrangements. This model incorporates stress and deformation tensors, which can be compared with experimental data. Focusing on (…) -
Séminaire PMMH - Alexander Alexeev (Georgia Tech)
Vendredi 22 juin 2018 de 11h00 à 12h00 - Salle réunion PMMH 1
Biomimetic flapping and beating in viscous fluid
We probe interactions of elastic structures with viscous fluids to investigate biomimetic approaches for fluid manipulation. We consider two systems : fish-like elastic fines and artificial cilia. Fish displays incredible agility and speed using oscillating flexible fins. We represent fins as thin elastic plates (…) -
Séminaire PMMH - Ludovic Bellon (ENS Lyon)
Vendredi 15 juin 2018 de 11h00 à 12h00 - Salle réunion PMMH 1
Interrupteur optique, ondes gravitationnelles et physique statistique hors d'équilibre : des microleviers à tout faire
Dans cette présentation, je montrerai comment le bruit thermique, loin d'être une simple nuisance, peut être un outil de précision dans l'exploration des matériaux autant qu'une porte ouverte sur des phénomènes de physique statistique intrigants. Guidée par la sérendipité, cette marche aléatoire de la physique à (…) -
Séminaire PMMH : Thomas Engels (LMD, ENS)
Vendredi 8 juin 2018 de 11h00 à 12h00 - Salle réunion PMMH 1
The impact of turbulence on flying insects in tethered and free flight : high-resolution numerical experiments
Flapping insects are remarkably agile fliers, adapted to a highly turbulent environment. We present a series of high resolution numerical simulations of a bumblebee interacting with fully developed turbulent inflow. We consider both tethered and free flight, the latter with all six degrees of freedom coupled to the (…) -
Séminaire PMMH - John Kolinski (EPFL)
Vendredi 1er juin 2018 de 11h00 à 12h00 - Salle réunion PMMH 1
Wetting and contact line propagation on solid surfaces
John M. Kolinski, EMSI, EPFL, Lausanne Switzerland The propagation of a contact line at the interface between liquid and a dry solid is of great fundamental and practical importance. We experimentally probe the dynamics of wetting that occur when an impacting drop first contacts a dry surface. We show that the (…) -
Séminaire PMMH - Alba Marcellan (SIMM, ESPCI)
Vendredi 25 mai 2018 de 11h00 à 12h00 - Salle réunion PMMH 1
Some strategies for hydrogel toughening, from polymer adsorption onto NPs to responsive toughening by phase-separation
Based on gel's remarkable features of absorption, storage or release of water (or solvent), gels have become essential in engineering applications like superabsorbent, soilless agriculture or tissue engineering and regeneration. Gels could also be key players for the design of flexible actuators, valves or sensors. (…) -
Séminaire PMMH - Aleksandra Walczak (ENS - LPT)
Vendredi 18 mai 2018 de 11h00 à 12h00 - Salle réunion PMMH 1
Learning how bird flocks coordinate
Flocking is a typical example of emergent collective behavior, where interactions between individuals produce collective patterns on large scales. I will discuss how by analysing different aspect of this motion based on quantitative data we can learn about the origins of these interactions. Specifically I will show (…) -
Séminaire PMMH - Giuseppe Zurlo (National University of Ireland)
Vendredi 13 avril 2018 de 11h00 à 12h00 - Salle réunion PMMH 1
Manufacturing of information-rich elastic bodies through surface deposition.
In this talk I will discuss a recent theory, developed in collaboration with Lev Truskinovsky, that describes how desired distributions of residual stress can be achieved in bodies that are manufactured though the local addition of mass on their boundary [1],[2]. The source of residual stresses in elastic bodies (…) -
Séminaire PMMH - Etienne Guyon
Vendredi 6 avril 2018 de 11h00 à 12h00 - Salle réunion PMMH 1
Une brève histoire des musées de sciences jusqu'au Palais de la Découverte aujourd'hui et demain (?)
Au-delà de la diversité des conditions de leurs créations et de leurs fonctionnements dans l'histoire, on retrouve dans l'histoire des Musées des composantes universelles. Tout en faisant références à d'autres expériences culturelles scientifiques, nous axerons notre présentation sur quatre grands musées (…) -
Séminaire Charlotte K. Hemelrijk (Univ. Groningen)
Mercredi 4 avril 2018 de 11h00 à 12h00 - Salle réunion PMMH 2
-
Séminaire PMMH - Leonardo Gordillo (Universidad De Santiago de Chile)
Vendredi 30 mars 2018 de 11h00 à 12h00 - Salle réunion PMMH 1
Drop-impact dynamics on solid surfaces : Evolution of impact force
In this talk, I will give an overview of our latest advances in understanding the dynamics of drop impacts on dry solid surfaces. By synchronizing high-speed photography with fast force sensing, we simultaneously measured the temporal evolution of the shape and impact force of impacting drops over a wide range of (…) -
Séminaire PMMH - Falko Ziebert (Universität Heidelberg)
Vendredi 9 mars 2018 de 11h00 à 12h00 - A1 (Urbain)
Self-propelled motion of biological cells and polymeric fibers
Self-propulsion, i.e. self-organized motion in the absence of external forces, is an active research topic in non-equilibrium physics. Depending on the system, open questions span from the propulsive force generation and transfer over guiding mechanisms to collective effects in ensembles of self-propellers. The (…) -
Séminaire PMMH - Sébastien Neukirch (Institut d'Alembert, Sorbonne Université)
Vendredi 16 février 2018 de 11h00 à 12h00 - A1 (Urbain)
Le treuil élastocapillaire en une et deux dimensions
Nous parlerons d'élasto-capillarité, domaine mêlant la déformation des structures élastiques et les forces de tension de surface. En effet, les forces capillaires que développent les gouttes liquides peuvent être suffisamment intenses pour plier des filaments ou des membranes, voire même enrouler des fibres. Plus (…) -
Séminaire laboratoire PMMH - José Eduardo Wesfreid
Vendredi 9 février 2018 de 11h00 à 12h00 - A1 (Urbain)
Henri BENARD : convection thermique et tourbillons derrière un obstacle
Henri Bénard, physicien français né en 1874 et décédé en 1939, a été le précurseur des études expérimentales systématiques de deux sujets majeurs de la mécanique des fluides : la convection thermique des fluides chauffés par le bas (convection de Rayleigh-Bénard et de Bénard-Marangoni) et du lâché tourbillonaire (…) -
Séminaire PMMH - Matthieu Roché (MSC, Univ. Paris Diderot)
Vendredi 2 février 2018 de 11h00 à 12h00 - A1 (Urbain)
Effet Marangoni induit par des tensioactifs solubles
La présence d'un gradient thermique ou d'un gradient de concentration de surface en molécules tensioactives le long d'une interface entre deux liquides conduit à l'existence d'un gradient de tension interfaciale et à l'établissement d'un écoulement dans le volume de chaque liquide : c'est l'effet Marangoni, (…) -
Séminaire laboratoire PMMH Alexandre NICOLAS (LPTMS - Psud)
Vendredi 19 janvier 2018 de 11h00 à 12h00 - A3 (Joliot)
Écoulements particulaires en géométrie confinée et au passage d'une constriction : De la microfluidique aux lâchers de taureaux
Si l'on force des particules discrètes à s'écouler dans un canal étroit ou à travers une constriction, des effets assez surprenants peuvent se produire. J'aborderai quelques exemples de tels écoulements. Dans le domaine de la microfluidique, la mise au point de laboratoires sur puce demande de transporter des (…) -
Séminaire PMMH - Emmanuelle Rio (LPS, Orsay)
Vendredi 12 janvier 2018 de 11h00 à 12h00 - Bureau d'Etudes
Rupture d'objets savonneux
Les bulles, les films de savon ou les mousses sont des objets éphémères dont le temps de vie dépend beaucoup de la solution savonneuse utilisée pour les fabriquer. Les raisons de leur vieillissement sont multiples et dans ce séminaire, je me focaliserai sur la rupture des films qu'on appelle aussi coalescence. (…)
-
Séminaire PMMH - Emmanuel Virot (EPFL - Harvard University)
2017
-
Séminaire PMMH : Jean-Pierre Hulin (FAST, Orsay)
Vendredi 22 décembre 2017 de 11h00 à 12h00 - Bureau d'Etudes
Tracer spreading at low Reynolds numbers : reversible or not ?
The reversibility of fluid velocity fields at low Reynolds numbers with respect to a change of the flow direction is well established : its may result in the reversibility of tracer spreading and mixing as may be demonstrated spectacularly in simple geometries such as Couette flows. However, at long times, this (…) -
Séminaire PMMH - Hiroaki Katsuragi (Nagoya University)
Vendredi 15 décembre 2017 de 11h00 à 12h00 - Bureau d'Etudes
Solid projectile impact onto a porous dust aggregate consisting of micrometer-sized particles
Porous dust aggregates consisting cohesive monomer grains are considered materials to build planetesimals in a protoplanetary disk. In order to reveal the history of planet formation, mechanical properties of dust aggregates have to be quantitatively understood. In this study, we perform a simple impact experiment (…) -
Séminaire PMMH - Stéphane Perrard (Laboratoires FAST et LadHyx- Université Paris Saclay)
Vendredi 8 décembre 2017 de 11h00 à 12h15 - A4 (Langevin)
Experimental exploration of Hydrodynamics Turbulence in inhomogeneous and un-stationnary configurations
Hydrodynamics Turbulence have been the subject of a recent renewal in out of equilibrium situations, ie when injection and dissipation are not locally balanced. It can be for instance the case in temporally decaying Turbulence or spatially inhomogeneous flows. Down in the laboratory of W.T.M. Irvine at University (…) -
Séminaire PMMH - Frédéric Moisy (Laboratoire FAST - Université Paris Sud
Vendredi 24 novembre 2017 de 11h00 à 12h15 - A3 (Joliot)
Anti-rotation dans un verre de bière ou une tasse de café
Pour aérer un vin avant de le déguster, on imprime au verre un mouvement de translation circulaire. En plus de créer une onde de surface se propageant circulairement (onde de ballottement, ou sloshing), il est bien connu que ce mouvement engendre une rotation du fluide, dans la même direction que la vitesse de (…) -
Séminaire PMMH - Gergely Molnár (Laboratory 3SR, Univ. Grenoble Alpes)
Vendredi 17 novembre 2017 de 11h00 à 12h00 - Bureau d'étude
Multiscale methods for the analysis of plastic deformation of amorphous materials
Silicate glasses are used for many technical purposes, especially where stiffness and transparency are required. These glasses are brittle on the macroscopic scale but ductile at the micron level. The study deals with the analysis of the elasto-plastic response of sodium silicate glasses. We propose a new method (…) -
Séminaire PMMH - Wilson Poon (The University of Edinburgh, UK)
Vendredi 20 octobre 2017 de 11h00 à 12h00 - Bureau d'Etudes
Complexity and decay — towards a science of self disassembly
Soft matter physics has been obsessed with 'self assembly' for some time - the ability of Brownian or, more recently, 'active matter' systems to generate (sometimes useful !) patterns 'on their own accord'. The original impulse for this was biological, the term 'self assembly' being first used in a famous 1962 (…) -
Séminaire PMMH - Kirsten Martens (LIPhy, Univ. Grenoble Alpes)
Vendredi 6 octobre 2017 de 11h00 à 12h30 - A1 (Urbain)
Fluidization of yield stress materials through active and activated local events
In this talk I will discuss the possible fluidization mecanisms of yield stress materials through either locally active dynamics, like cell division in tissues [1,2] or vibration induced local plasticity like in externally driven granular materials [3]. The long range elastic response to these events lead to a (…) -
Séminaire PMMH : Timothée Mouterde (LPS, ENS))
Vendredi 29 septembre 2017 de 11h00 à 12h00 - A1 (Urbain)
Matériaux multifonctions : antipluie, antibuée, antireflets
Sur une surface couverte de microrugosités hydrophobes, l'eau est ultra-mobile. Ces surfaces sont appelées superhydrophobes : les rugosités retiennent une couche d'air sous la goutte qui repose donc sur coussin d'air. En situations humides, la buée dans les textures peut altérer ces propriétés anti-eau. Comme le (…) -
Séminaire PMMH : Alexis Duchesne
Vendredi 22 septembre 2017 de 10h30 à 12h30 - A1 (Urbain)
La marche des Funam-bulles : promenades de bulles sur un fil chaud dans un bain liquide.
Lorsque l'on chauffe un fil résistif horizontal dans un bain liquide et que l'on dépasse localement la température d'ébullition dudit liquide, des bulles de vapeur vont nucléer à la surface du fil. Les différentes théories présentes dans la littérature prédisent que les bulles générées depuis des sites de (…) -
Séminaire PMMH - Antonin Coutant (Univ. of Nottingham)
Vendredi 15 septembre 2017 de 11h00 à 12h00 - Bureau d'Etudes
A black hole in your bathtub
I will discuss the possibility to mimic black hole physics in fluid flows. The starting point is an analogy discovered by Unruh between the propagation of sound in a flowing fluid and waves around a black hole. In these analogue setups, it is possible to test various black hole effects. I will focus on the case (…) -
Séminaire PMMH : Pascal Raux
Vendredi 8 septembre 2017 de 11h00 à 12h00 - Bureau d'Etudes
Interactions entre grains et liquides
Dans cette présentation, je propose d'illustrer la diversité des interactions entre grains et liquide au travers de différents problèmes : – L'ajout de liquide accroit la cohésion du milieu granulaire. Contrairement aux régimes où le liquide est en faible quantité, la transition vers un milieu granulaire saturé a (…) -
Séminaire PMMH - Alfred J. Crosby (Univ. of Massachusetts Amherst)
Vendredi 21 juillet 2017 de 11h00 à 12h00 - Bureau d'Etudes
Deformation Mechanisms in Ultra-thin Polymer Glasses
The properties of polymer glasses have been studied classically due to their importance for a wide range of technologies ; however, there is increasing need and demand to use these materials in geometries where dimensions approach the length scale of an individual polymer chain. Although significant efforts over (…) -
Séminaire PMMH - Pierre Rognon (Univ. of Sydney)
Vendredi 30 juin 2017 de 11h00 à 12h00 - Bureau d'Etudes
Rheology and mixing properties of dense granular flows
Pierre Rognon, Particles and Grains Laboratory School of Civil Engineering- The University of Sydney, Sydney Australia Granular materials like sand, rice and snow are composed of many grains interacting with each other. Predicting their ability to flow and to mix is key to a number of applications in geophysics, (…) -
Séminaire PMMH - Philip Marcus (University of California, Berkeley)
Vendredi 23 juin 2017 de 11h00 à 12h00 - Bureau d'Etudes
Optimal Design by Morphing : Is the Navier-Stokes Equation the Best Method for Describing Fluid Dynamics ?
We present a new method, which we call design-by-morphing, for the optimal hydrodynamic or aerodynamic design of the shape of an object. Traditional morphing methods, which require covering the surface of an object with a large number (typically millions) of triangular meshed points, cannot be used in searches for (…) -
Séminaire PMMH - Rémy Dubertrand (Univ de Liège)
Vendredi 16 juin 2017 de 11h00 à 12h00 - Bureau d'Etudes
Scattering theory for walking droplets in the presence of obstacles
Walking droplets that are sustained on the surface of a vibrating liquid, have attracted considerable attention during the past decade due to their remarkable analogy with quantum wave-particle duality. This was initiated by the pioneering experiment by Y. Couder and E. Fort in 2006, which reported the observation (…) -
Séminaire PMMH - M. Andreatta (CNRS/IRCAM/UPMC et Université de Strasbourg / USIAS)
Vendredi 9 juin 2017 de 10h30 à 12h30 - A1 (Urbain)
Algèbre et géométrie en musique et musicologie
Si les mathématiques ont accompagné depuis toujours la réflexion sur les fondements théoriques de la musique, elles sont devenues incontournables dans l'analyse musicale, en particulier à l'aide de l'ordinateur. Dans cette présentation, on montrera quelques aspects logiques et géométriques à l'œuvre dans la musique (…) -
Séminaire PMMH : Marcelo Dias (James Madison University)
Vendredi 2 juin 2017 de 11h00 à 12h00 - Bureau d'Etudes
Thin Elastic Structures : A roadmap from forms to functions
Thin elastic structures (e.g. plates and shells) have stimulated new approaches and applications to mechanical metamaterials as well as brought to light many fundamental questions in our understanding of shape and function. Insights of what functionality roles these structures play comes from connections between (…) -
Séminaire PMMH - Eric Dufresne (ETH, Zurich)
Vendredi 19 mai 2017 de 11h00 à 12h00 - Bureau d'Etudes
Three-Phase Contacts with Soft Solid Substrates
Surface forces can drive large deformations of soft solids. I will discuss the deformation of soft solids in contact with liquid droplets and rigid particles. Here, classic results for wetting and adhesion fail to describe the equilibrium of three-phase contact lines. While interfacial energies are sufficient to (…) -
Séminaire PMMH - Jacques Treiner (Sciences-Po)
Vendredi 12 mai 2017 de 11h00 à 12h00 - Bureau d'Etudes
Un regard critique sur les scénarios 100% renouvelables
Résumé : Plusieurs organismes ont récemment proposé pour la France une perspective de fourniture d'énergie à la fois décarbonée et sans faire appel à la filière nucléaire. L'ADEME, en se limitant à l'électricité, propose un mix de ce type pour 2050 à un coût voisin du coût correspondant à une prolongation du mix (…) -
Journées du laboratoire PMMH hors murs
Vendredi 5 mai 2017 de 11h00 à 12h00 - Bureau d'Etudes
-
Séminaire PMMH - Corrado Rainone (Weizmann Institute, Israel)
Vendredi 28 avril 2017 de 11h00 à 12h00 - Bureau d'Etudes
Shear bands as manifestation of a criticality in yielding amorphous solids.
The nature of the yielding transition in amorphous solids is a long-standing riddle which has attracted a lot of research effort in recent years. Recently, some of us have proposed a picture of yielding as a first-order like transition in a suitable overlap order parameter, measuring the degree of similarity (…) -
Séminaire PMMH - Matteo Ciccotti (SIMM, ESPCI)
Vendredi 21 avril 2017 de 11h00 à 12h00 - Bureau d'Etudes
MICROMECHANISMS OF FRACTURE PROPAGATION IN GLASSY POLYMERS
While most glassy polymers are nominally brittle at macroscopic scales, they are known to exhibit plastic deformation in indentation, scratching, and microcutting when the loaded region is sufficiently small. The same applies to the micrometer size process zone at the tip of a propagating crack. While the presence (…) -
Séminaire PMMH - Alexandre Danescu (EC, Lyon)
Vendredi 31 mars 2017 de 11h00 à 12h00 - Bureau d'Etudes
Design of three-dimensional objects using stress relaxation in thin films : the interplay between mechanics and geometry
It is well-known that a free pre-stressed elastic bi-layer will deform so as to "relax" its total energy. The relaxation process may deform simple straight segments to rolls, or curls, etc. In an attempt to cover more complex three-dimensional geometries we address and solve the general question concerning the (…) -
Séminaire PMMH - Antonio de Simone (SISSA, Trieste, Italy)
Vendredi 24 mars 2017 de 11h00 à 12h00 - Bureau d'Etudes
On shape control : some case studies inspired by biological and bio-inspired locomotion at small scales
Control of shape is at the root of many processes of fundamental relevance in Biology, from morphogenesis to locomotion. For slender one-dimensional objects (rods) or thin two-dimensional ones (plates and shells), shape can be controlled by adjusting curvature thanks to the application of active internal (…) -
Séminaire PMMH - Alexandre Le Tiec (LUTH, Observatoire de Paris)
Vendredi 17 mars 2017 de 11h00 à 12h00 - Bureau d'Etudes
General Relativity and Gravitational Waves, 100 years after Einstein
A century ago, Albert Einstein revolutionized our understanding of the nature of space, time and gravitation. His general theory of relativity predicts, in particular, the existence of black holes and gravitational waves. By sheer coincidence, the celebration of general relativity's centennial also marked the (…) -
Séminaire PMMH - Henri Van Damme (ESPCI-MIT)
Vendredi 10 mars 2017 de 11h00 à 12h00 - Bureau d'Etudes
Gaz et huile de « schiste » : un bon sujet, quoiqu'il advienne ?
Les réservoirs pétroliers auto-sourcés sont des roches compactes riches en matière organique qui sont exploités comme source de gaz naturel et/ou de pétrole dits « non conventionnels ». Ils tirent leur qualificatif « auto-sourcés » du fait que les hydrocarbures qu'ils contiennent ont été générés sur place et ont (…) -
Séminaire PMMH - Patrick Guenoun (CEA)
Vendredi 3 mars 2017 de 11h00 à 12h00 - A4 (Langevin)
Elasticity of nano structured objects probed by AFM
In this communication we will describe how Atomic Force Microscopy (AFM) was used to investigate the mechanical properties of nanostructured objects. These objects are nanocapsules designed for a theranostic approach where they can provide both acoustic imaging properties in vivo and release properties of (…) -
Séminaire PMMH - Camille Duprat (LadHyX)
Vendredi 24 février 2017 de 11h00 à 12h00 - A4 (Langevin)
Catching drops with fibers
In this talk, I will present recent results on the capture of aerosol droplets with a textile, i.e. a fibrous material. Fibrous media are commonly used to collect droplets from an aerosol ; woven nets are used to harvest fresh water from fog, and non-woven entangled fibers are used to filter oil drops from gas (…) -
Séminaire PMMH - AIMEE K. WESSEL (INSTITUT PASTEUR)
Vendredi 3 février 2017 de 11h00 à 12h00 - A4 (Langevin)
Examining prokaryotic community behavior using 3D printing
Bacterial communities engage in social activities, exhibiting behaviors such as communicating with small signaling molecules (quorum sensing [QS]) and building antibiotic-resistant biofilms. Most of our understanding of QS and biofilm formation arises from in vitro studies of bacterial communities containing large (…) -
Séminaire PMMH - Daniel Bonamy (CEA-SACLAY)
Vendredi 20 janvier 2017 de 11h00 à 12h00 - Bureau d'Etudes
Sismicité en rupture hétérogène nominalement fragile : organisation statistique des événements acoustiques accompagnant la propagation lente d'une fissure unique
Prévoir quand un matériau fragile va se rompre n'est pas une mince affaire ! Le comportement en rupture observé à l'échelle macroscopique est en effet très sensible aux inhomogénéités de structure à des échelles très fines, à la présence de défauts ou d'imperfections. Cela se traduit par des fluctuations (…) -
Séminaire PMMH - Pierre-Yves Passaggia (Univ. of North Carolina)
Vendredi 13 janvier 2017 de 11h00 à 12h00 - Bureau d'Etudes
Convection horizontale : stabilité, bifurcation et son rôle dans la circulation méridionale des océans.
Le rôle des différents phénomènes physiques responsables de la circulation méridionale des océans reste une question ouverte. Afin de comprendre l'impact du différentiel de température entre les pôles et l'équateur à la surface des océans sur cette circulation, un modèle d'écoulement dans une cavité, chauffée et (…) -
Séminaire PMMH - Fréderic Lechenault - LPS (ENS Paris)
Vendredi 6 janvier 2017 de 11h00 à 12h00 - Bureau d'Etudes
Origami mechanics and multistability
Over the past thirty years, the ancient art of paper folding, or origami, has evolved into an interdisciplinary scientific field. Origami offers the possibility for new metamaterials whose overall mechanical properties can be programmed by acting locally on each crease. In particular, origami metamaterials (…)
-
Séminaire PMMH : Jean-Pierre Hulin (FAST, Orsay)
2016
-
Séminaire PMMH - Suzie Protière (Institut d'Alembert, UPMC)
Vendredi 16 décembre 2016 de 11h00 à 12h00 - A1 (Urbain)
The instabilities of a granular raft
Small objects trapped at an interface are very common in Nature (waterstriders, ant rafts, bubbles or pollen, membranes…). They also find an application in industrial processes since they can act as stabilizing agents for emulsions or foams. Their study is therefore of practical as well as fundamental importance. (…) -
Séminaire PMMH - John Brady (CalTech)
Vendredi 9 décembre 2016 de 11h00 à 12h00 - A1 (Urbain)
Forces, Stresses and the (Thermo ?)dynamics of Active Matter
A distinguishing feature of many living systems is their ability to move - to be active. Through their motion living systems are able to self-assemble : birds flock, fish school, bacteria swarm, etc. But such behavior is not limited to living systems. Recent advances in colloid chemistry have led to the development (…) -
Séminaire PMMH - Stéphane Popinet (Institut d'Alembert)
Vendredi 2 décembre 2016 de 11h00 à 12h00 - Bureau d'Etudes
Adaptive numerical methods for fluid mechanics
The equations of fluid mechanics can be used to describe natural processes over a wide range of scales, from the behaviour of micro-organisms to astrophysics. Each of these processes is in turn often controlled by internal interactions on widely different scales. Numerical methods able to efficiently resolve (…) -
Séminaire PMMH - Hamid Kellay (LOMA, Université de Bordeaux)
Vendredi 25 novembre 2016 de 11h00 à 12h00 - Bureau d'Etudes
Hydrodynamics experiments using soap films and soap bubbles
I will describe experiments using soap films and soap bubbles to illustrate the interest of these common objects to some fluid mechanics problems. The flow in the very thin layer of these films is basically two dimensional and this property brings fundamental differences with fluid flows in three dimensions as well (…) -
Séminaire PMMH - Maximilien Levesque (ENS, Paris)
Vendredi 18 novembre 2016 de 11h00 à 12h00 - Bureau d'Etudes
The one molecule in a sea of others : tackling solvation at the molecular scale
by Maximilien Levesque, laboratoire PASTEUR, Ecole Normale Supérieure Physical and chemical processes in the liquid and gas phases happen in an embedding medium, a large number of solvent molecules, for instance water, that crowd the environment. To take into account this environment at the molecular scale, (…) -
Séminaire PMMH - Etienne Barthel (SIMM, ESPCI)
Vendredi 4 novembre 2016 de 11h00 à 12h00 - Bureau d'Etudes
Telephone Cords, parrot ladders, hexagons and the like - the unexpected morphologies of thin film buckles
Thin films with large compressive residual stresses and low adhesion are prone to buckling and delamination. This is both a significant technical issue, with relevance to thin film stability, and an interesting academic problem where (non-linear) plate mechanics couples to mixed mode adhesion. This coupling (…) -
Séminaire PMMH - Chinar Rana (ULB, Bruxelles)
Vendredi 21 octobre 2016 de 11h00 à 12h00 - Bureau d'Etudes
Effects of adsorption and viscous fingering instability on the dispersion and the form of the peaks in liquid chromatography
Liquid chromatography is a flow based separation method where, a given fluid (called eluent) displaces a miscible sample consisting of a solvent in which a mixture of solutes (also named analytes) is dissolved. The analytes are separated during the displacement because of the selective adsorption on the porous (…) -
Séminaire PMMH - Brigitte Senut (Muséum National d'Histoire Naturelle)
Vendredi 7 octobre 2016 de 11h00 à 12h00 - Bureau d'Etudes
Des grands singes et des hommes : une histoire dans les arbres
À la lueur des découvertes récentes africaines, nous pouvons mieux appréhender nos origines ; mais ces dernières sont-elles vraiment africaines ? Sous quelles conditions climatiques l'émergence des grands singes modernes et des premiers hominidés peut-elle être envisagée ? Si on a souvent considéré la savane sèche (…) -
Séminaire PMMH - Tamas Borzsonyi (Wigner Research Center for Physics, Budapest)
Vendredi 30 septembre 2016 de 11h00 à 12h00 - Bureau d'Etudes
Rotation and ordering of elongated particles under shear
Ordering and alignment of elongated objects in shear flows can be observed at all length scales, in log jams on rivers, in seeds, nanorods, viruses, and even at molecular scales in nematic liquid crystals. We show, that for dry granular materials in steady shear flow the time and ensemble averaged direction of (…) -
Séminaire PMMH : Sébastien Candel (EM2C, Centrale Paris / Académie des sciences)
Vendredi 23 septembre 2016 de 11h00 à 12h30 - A4 (Langevin)
La complexité de la combustion et comment la gérer
La combustion est une des sources de la civilisation. Son rôle actuel est considérable puisqu'elle fournit aujourd'hui 85% de l'énergie primaire consommée dans le monde. L'homme maîtrise le feu depuis un demi-million d'années mais la science de la combustion est bien plus récente. On propose dans ce séminaire un (…) -
Séminaire PMMH - Marino Arroyo (UPC)
Vendredi 8 juillet 2016 de 11h00 à 12h00 - Bureau d'Etudes
Reverse engineering the motility of euglena cells : shape transformations and the interaction with the environment
Euglenids are unicellular aquatic organisms capable of moving either by beating a flagellum or by executing dramatic and harmonious shape changes, whose function still remains unclear. These shape changes are accomplished thanks to a complex structure underlying the plasma membrane, made of interlocking (…) -
Séminaire PMMH - Mónica S. N. Oliveira (Univ. of Strathclyde)
Vendredi 1er juillet 2016 de 11h00 à 12h00 - Bureau d'Etudes
Extension dominated flows at the microscale : from instabilities to optimisation
James Weir Fluids Laboratory, Department of Mechanical and Aerospace Engineering, University of Strathclyde, Glasgow G1 1XJ, United Kingdom The use of microfluidic devices has found applications in a range of different areas, many of which make use of complex fluids, such as biofluids and polymer solutions that (…) -
Séminaire PMMH - Scott Waitukaitis (Univ. Leiden)
Vendredi 24 juin 2016 de 11h00 à 12h00 - Bureau d'Etudes
Rabbits, Planets, Volcanoes, Dust Devils : The Surprising Physics of Granular Tribocharging
If you shuffle your feet across a carpet and touch a doorknob, you might get shocked. This is tribocharging—the transfer of electrical charge between different materials. Although it was observed as early as 600 B.C. in ancient Greece, we know surprisingly little about it. One of the most perplexing observations (…) -
Séminaire PMMH - Alberto Fernandez-Nieves (Georgia Tech)
Vendredi 17 juin 2016 de 11h00 à 12h00 - Bureau d'Etudes
Active nematics on tori
We will discuss recent results with active nematics on toroidal surfaces. We will start by briefly discussing how we make toroidal droplets, how these evolve in time, and how we stabilize the toroidal shape. We will then address how nematic liquid crystals organize on the surface of stable tori. Despite no defects (…) -
Séminaire PMMH - Carine Douarche (LPS, Univ. Paris-Sud)
Vendredi 10 juin 2016 de 11h00 à 12h00 - Bureau d'Etudes
Bacteria self-assemblies lead to hydrodynamic instabilities
The mechanisms of the bacterial motility and chemotaxis are now quite well known at the single cell level ; however the way a whole cell population moves at a macroscopic scale still raises some fundamental questions. The study of the behavior of a population of Escherichia coli in oxygen gradients in the bulk of (…) -
Séminaire PMMH - Roland Winkler (Forschungszentrum Jülich)
Vendredi 3 juin 2016 de 11h00 à 12h00 - Bureau d'Etudes
Microswimmer : From swimming bacteria to collective behaviors of active Brownian particles
Locomotion is a major achievement of biological evolution. Microorganisms, such as bacteria, algae, and sperm cells are equipped with flagella and are able to exploit drag for their propulsion. Two prominent swimming mechanisms are rotating helical flagella, exploited by many bacteria, and snake-like or whip-like (…) -
Séminaire PMMH - Ryan Hayward (U. Mass. Amherst)
Vendredi 20 mai 2016 de 11h00 à 12h00 - Bureau d'Etudes
Folding gels and shells : Origami-based design of reconfigurable 3D structures and ‘mechanical meta-materials'
Centuries of artistic tradition, coupled with recent advances in the mathematics and mechanics of folded structures, have made origami a powerful method for the design of materials with reconfigurable shapes and tailored mechanical properties. Inspired by these possibilities, our group has studied the design and (…) -
Séminaire PMMH - Frédéric Restagno (LPS, Univ. Paris-Sud)
Vendredi 13 mai 2016 de 11h00 à 12h00 - Bureau d'Etudes
FRICTION AT MICRO AND MACRO-SCALE
Friction is a common phenomenon that occurs when to objects are force to move tangentially relatively to each other. During this seminar, we shall present two series of experiments concerning friction at macro and micro-scale. In a first set of experiment [1], we will study the aptitude of surface with anchored (…) -
Séminaire PMMH - Pawel Pieranski (LPS, Orsay)
Vendredi 15 avril 2016 de 11h00 à 12h00 - Bureau d'Etudes
Cunéitropisme et les défauts de la texture furcelle
Après une introduction large aux cristaux liquides, nous montrerons comment générer de façon reproductible la texture pseudo-planaire [1] (voir fig. a) et nous verrons que dans certaines conditions sa durée de vie peut être pratiquement infinie. La propriété la plus saillante de cette version immortelle de la (…) -
Séminaire PMMH - Joseph Paulsen (Syracuse University)
Vendredi 8 avril 2016 de 11h00 à 12h00 - Bureau d'Etudes
The wavelength of wrinkles in elastic sheets on curved topographies
A thin elastic sheet will buckle when it is compressed, leading to the familiar wrinkle patterns on our foreheads, on plastic-wrapped objects, and on crinkly leaves. Wrinkling has recently been used as a noninvasive probe of thin film properties and mechanical environment. However, the current understanding of (…) -
Séminaire PMMH - Anaël Lemaître (Laboratoire Navier, ENPC)
Vendredi 1er avril 2016 de 11h00 à 12h00 - A1 (Urbain)
Structural relaxation is a scale-free process
Structural relaxation is the process via which a liquid explores its equilibrium ensemble. It is responsible for the dramatic slowing down at the glass transition, and has thus received a quite considerable amount of attention. Yet, the mechanisms governing relaxation are still largely unknown. We will (…) -
Séminaire PMMH - Catherine Quiminal, Paul Schor (Université Paris Diderot)
Vendredi 25 mars 2016 de 11h00 à 12h00 - A1 (Urbain)
Politiques migratoires et parcours de migrants
– Il s'agit dans ce bref exposé de mettre en regard les politiques migratoires, les politiques réglementant la circulation des gens, les catégories qu'elles produisent, véhiculent sur lesquelles elles s'appuient avec le parcours de migrants à travers des figures types ou réelles, stylisées de migrants d'Afrique (…) -
Séminaire PMMH - Romain Ricciotti (Agence Lamoureux & Ricciotti Ingénierie)
Vendredi 18 mars 2016 de 11h00 à 12h00 - A1 (Urbain)
De nouveaux ouvrages d'art en nouveaux bétons
Romain Ricciotti nous invite à une visite guidée technique de quelques-uns de chefs-d'oeuvres architecturaux récents qu'il a conçus grâce à l'utilisation de nouveaux bétons, en particulier avec son père, l'architecte Rudy Ricciotti (qui sera présent au séminaire) : – Mucem à Marseille et sa structure externe en (…) -
Séminaire PMMH - Lydéric Bocquet (LPS, ENS)
Vendredi 11 mars 2016 de 11h00 à 12h00 - A2 (Schutzenberger)
Osmotic flows, from nanoscales to kidney filtration
Osmosis describes the flow of water across semipermeable membranes powered by the chemical free energy contained in salinity gradients. It is a fundamental transport process for water in all living systems, and its applications are countless. While osmosis can be expressed fundamentally in simple terms via the (…) -
Séminaire du PMMH : Constantino Tsallis (CBPF, Brésil)
Vendredi 4 mars 2016 de 11h00 à 12h00 - Bureau d'Etudes
On the foundations of statistical mechanics : Concepts and applications
Whenever basic hypothesis such as ergodicity are not satisfied, the Boltzmann-Gibbs statistical mechanics, based on the additive Boltzmann-Gibbs entropy, can yield results that are not confirmed by experiments. A more general theory, namely nonextensive statistical mechanics, based on nonadditive entropies, (…) -
Séminaire PMMH - Laurent Chevillard (ENS-Lyon)
Vendredi 19 février 2016 de 11h00 à 12h00 - A4 (Langevin)
Une peinture aléatoire de la turbulence des fluides
Dans une première partie de cet exposé, je rappellerai quelques propriétés universelles de la turbulence des fluides observées dans les expériences et simulations numériques des écoulements homogènes et isotropes. J'insisterai sur la statistique des fluctuations de la vitesse, aussi bien dans un cadre spatial (…) -
Séminaire PMMH - Arnold Mathijssen & Andreas Zöttl (University of Oxford)
Vendredi 12 février 2016 de 11h00 à 12h00 - Amphi Langevin
Hydrodynamics and noise in confined microswimmer suspensions
Active particles and biological microswimmers such as bacteria or sperm cells moving in their natural environment are continually subjected to fluid flow and confining surfaces. To understand the underlying basic physical mechanisms in these environments their locomotion in microfluidic channels is nowadays widely (…) -
Clément Sire (LPT, Université Paul Sabatier, Toulouse)
Vendredi 5 février 2016 de 11h00 à 12h00 - Bureau d'Etudes
Phase diagram of a data-driven fish school model
After some generalities concerning "intelligent" active matter ("social" vs physical "forces", effect of anisotropic sensorial stimuli, additivity of "forces"...), and in particular fish schools, I will present a series of experiments performed in Guy Theraulaz' group at the CRCA in Toulouse, and a class of models (…) -
Journées de Physique Statistique 28 et 29 Janvier 2016
Vendredi 29 janvier 2016 de 09h00 à 18h00 - Amphi Langevin
-
Séminaire PMMH - Adama Creppy (FAST)
Vendredi 22 janvier 2016 de 11h00 à 12h00 - Bureau d'Etudes
Etude de la dynamique collective de spermatozoïdes
Les micro-organismes présentent des comportements collectifs qui émergent des interactions qui se produisent à l'échelle individuelle. Dans le cas des suspensions concentrées (fraction volumique > 50 %) les effets stériques deviennent dominants. C'est le cas du liquide séminal de bélier sur lequel cette étude a (…) -
Séminaire PMMH - Julien Derr (MSC)
Vendredi 15 janvier 2016 de 11h00 à 12h00 - Bureau d'Etudes
Morphogenesis and Motions in Biological Systems
The constraints of the environment always plays a determinant role in the development of biological systems and dynamical aspects are also important. That's why we have been investigating the link between morphogenesis in biological systems and their associated motions. We distinguish two types of motions. First, (…) -
Séminaire PMMH - Antoine Naert (ENS Lyon)
Vendredi 8 janvier 2016 de 11h00 à 12h00 - Bureau d'Etudes
Expériences de physique statistique dans les gaz granulaires
Un gaz granulaire peut être considéré comme le paradigme d'un thermostat dissipatif. En d'autres termes, lui donner ou lui prendre une petite quantité d'énergie ne change pas son état macroscopique stationnaire. Bien sûr, il est nécessaire de donner au gaz granulaire une puissance mécanique pour compenser la (…)
-
Séminaire PMMH - Suzie Protière (Institut d'Alembert, UPMC)
2015
-
Fabian Brau (Université Libre de Bruxelles)
Vendredi 18 décembre 2015 de 11h00 à 12h00 - Amphi Urbain (A1)
Patterns dans les plaques minces élastiques
De nombreux types de motifs émergeant spontanément peuvent être observés dans des systèmes impliquant des plaques mince élastiques et soumis à des contraintes externes ou internes (compression ou croissance différentielle, cisaillement, déchirure, etc.). Ces systèmes mécaniques peuvent parfois être vus comme des (…) -
Séminaire PMMH - Christophe Eloy (IRPHE, Marseille)
Vendredi 11 décembre 2015 de 11h00 à 12h00 - Bureau d'Etudes
Auto-similarité et architecture des arbres
La partie aérienne d'un arbre peut être vue comme la réponse biologique au problème d'ingénierie suivant : réaliser une structure mécaniquement stable, la plus légère possible et permettant un accès maximal à la lumière. Pour répondre à ce cahier des charges, l'arbre croît, en produisant à chaque étape de sa (…) -
Michaël Benzaquen (PCT, Gulliver, ESPCI)
Vendredi 4 décembre 2015 de 11h00 à 12h00 - Bureau d'Etudes
Waves and wakes at different scales
Simply by looking at a duck swimming in a pond or a cargo ship moving on a calm sea, one can clearly tell that there is something common about their wake. Indeed, they both display a familiar V-shaped pattern which only differ from one another by their dimensions. In 1887, Lord Kelvin was able to provide a theory (…) -
Oliver Bäumchen (MPI for Dynamics and Self-Organization, Göttingen)
Vendredi 27 novembre 2015 de 11h00 à 12h00 - Bureau d'Etudes
-
Séminaire PMMH - Oliver Baümchen (MPI, Göttingen))
Vendredi 27 novembre 2015 de 11h00 à 12h00 - Bureau d'Etudes
Active Fluids at Interfaces : Confinement and Adhesion of Microswimmers in Microfluidic Compartments
The characteristics of active fluids, such as suspensions of biological microswimmers, may not only originate from the mutual interactions between the constituents, but also from interactions with interfaces and confining walls. In fact, the natural habitats of many living organisms are complex geometric (…) -
Sushant Anand (MIT)
Vendredi 20 novembre 2015 de 11h00 à 12h00 - Bureau d'Etudes
-
Séminaire PMMH - Sushant Anand (MIT)
Vendredi 20 novembre 2015 de 11h00 à 12h00 - Bureau d'Etudes
Nanoemulsions via condensation
Colloidal solutions comprising of liquid droplets dispersed in another immiscible liquid are used in a wide variety of applications such as drug delivery, food, cosmetics, pesticides, nanoparticle synthesis etc. Typical methods of nanoemulsion preparation (e.g. high-pressure homogenization, ultrasound for droplet (…) -
Megan T. Valentine (UCSB)
Vendredi 13 novembre 2015 de 11h00 à 12h00 - Amphi Langevin
Learning from nature : how mussels stick to rocks, and what it can teach us about material design
Mussels permanently adhere to surfaces through a circular plaque that is attached to the animal body via a long thin thread ; forming a mushroom-shaped geometry. A plaque just a few millimeters in diameter with a 250-micron diameter thread can withstand large pull forces of a several Newtons without debonding. (…) -
Joshua McGraw (ENS)
Vendredi 6 novembre 2015 de 11h00 à 12h00 - Bureau d'Etudes
-
Séminaire PMMH - Joshua McGraw (LPS, ENS)
Vendredi 6 novembre 2015 de 11h00 à 12h00 - Bureau d'Etudes
Hydrodynamic slip : origins and effects in micro- and nano-scopic polymer flows
The hydrodynamic slip boundary condition encompasses fluid molecules sliding against their confining boundary. The topic has been of longstanding interest in the fluids community, but has also seen a surge of recent interest due to its increased relevance in micro- and nanoscopic fluid systems. In studying both the (…) -
Sans titre
Vendredi 23 octobre 2015 de 11h00 à 12h00 - Bureau d'Etudes
-
Séminaire PMMH - Loïc Vanel (ILM, Université Claude Bernard, Lyon)
Vendredi 23 octobre 2015 de 11h00 à 12h00 - Bureau d'Etudes
Dynamique de pelage stick-slip d'un ruban adhésif
La rupture stick-slip d'un ruban adhésif correspond à une instabilité dynamique de rupture impliquant un couplage entre l'élasticité du ruban et la dépendance non monotone de l'énergie d'adhésion avec la vitesse de pelage. La raideur du ruban, et donc sa longueur, joue ainsi un rôle important. Nous avons observé (…) -
Teo Burghelea (CNRS, Laboratoire de Thermocinétique de Nantes)
Vendredi 16 octobre 2015 de 11h00 à 12h00 - Amphi Urbain
Rheological properties and microscopic flows of suspensions of the non-motile green micro-alga Chlorella Vulgaris
In the first part of the talk I will present a systematic study of the rheological properties of solutions of non-motile micro-algae (Chlorella vulgaris CCAP 211-19) in a wide range of volume fractions is presented. As the volume fraction is gradually increased, several rheological regimes are observed. At low (…) -
Fête de la Science
Vendredi 9 octobre 2015 de 11h00 à 12h00 - Bureau d'Etudes
-
Alexandre Darmon (EC2M, Gulliver, ESPCI)
Vendredi 2 octobre 2015 de 11h00 à 12h00 - Bureau d'Etudes
Waltzing defects in cholesteric liquid crystal shells : interplay between topology and elasticity
Confining rod-like molecules, such as nematogens of liquid crystals, on a curved surface inevitably yields topological defects, which are singular points where the alignment between molecules can no longer be fulfilled. Remarkably, in the specific case of a nematic sphere, Poincaré stated that the sum of the (…) -
Agnese Seminara (LPMC, Université de Nice)
Vendredi 25 septembre 2015 de 11h00 à 12h00 - Bureau d'Etudes
Olfactory navigation in mice
The ability to shift between multiple decision-making strategies during natural behavior allows animals to strike a balance between flexibility and efficiency. We investigated odor-guided navigation by mice to understand how decision making strategies are balanced during a complex natural behavior. Mice navigated (…) -
Etienne Couturier (MSC)
Vendredi 18 septembre 2015 de 11h00 à 12h00 - Bureau d'Etudes
Deux problèmes des coques minces provenant de cellules avec paroi :
– Déformation isométrique du grain de pollen D. Caerula
– Croissance et division de S. Pombe
Les coques des grains de pollen peuvent s'ouvrir et se refermer de manière passive pour protéger le contenu cellulaire de la dessiccation. Pour comprendre les adaptations géométriques très élégante du grain de pollen de D. Caerula, nous l'avons modélisée par une coque mince sphérique munie d'une ouverture à (…) -
Séminaire PMMH - Etienne Couturier (MSC)
Vendredi 18 septembre 2015 de 11h00 à 12h00 - Bureau d'Etudes
Deux problèmes des coques minces provenant de cellules avec paroi :
– Déformation isométrique du grain de pollen D. Caerula
– Croissance et division de S. Pombe
Les coques des grains de pollen peuvent s'ouvrir et se refermer de manière passive pour protéger le contenu cellulaire de la dessiccation. Pour comprendre les adaptations géométriques très élégante du grain de pollen de D. Caerula, nous l'avons modélisée par une coque mince sphérique munie d'une ouverture à (…) -
Anne-Laure Biance (ILM, Lyon)
Vendredi 11 septembre 2015 de 11h00 à 12h00 - Bureau d'Etudes
-
Séminaire PMMH - Anne-Laure Biance (ILM, Lyon)
Vendredi 11 septembre 2015 de 09h00 à 10h00 - Bureau d'Etudes
Grandeur et décadence de films de savon
Les films de savon sont un des constituants élémentaires des mousses liquides, matériaux rencontrés dans l'industrie ou dans la vie de tous les jours. Nous nous intéressons ici expérimentalement à la dynamique de ces films dans des architectures savonneuses modèles et dans diverses situations. Nous étudierons tout (…) -
Pascal Hémon (LadHyX, École Polytechnique)
Vendredi 4 septembre 2015 de 11h00 à 12h00 - Bureau d'Etudes
La simulation du vent sur les constructions : l'exemple de la Fondation Louis Vuitton
Au-delà des effets statiques, le calcul des effets des rafales de vent sur les constructions représente parfois un défi scientifique et technique. La Fondation Louis Vuitton récemment inaugurée près de Paris en est un parfait exemple. Les douze voiles de verre qui entourent le bâtiment imaginé par l'architecte (…) -
Soft Matter Days 2015
From 2 July at 09:00 to 3 July 2015 at 17:50
-
Michael Le Bars (IRPHE, Marseille)
Vendredi 26 juin 2015 de 11h00 à 12h00 - Bureau d'Etudes
Forme, durée de vie et instabilités d'un tourbillon dans un fluide stratifié tournant
Les océans, les atmosphères planétaires, les disques d'accrétion, constituent autant de milieux naturels fluides stratifiés et tournants. Au sein de ces environnements complexes, des structures tourbillonnaires à grande échelle peuvent se développer, présentant une exceptionnelle longévité, comme par exemple La (…) -
Stéphane Roux (LMT, ENS Cachan)
Vendredi 19 juin 2015 de 11h00 à 12h00 - Bureau d'Etudes
Faut-il 7 équations pour déterminer 7 inconnues ? ou 9 ? ou 5 ?
L'imagerie et les mesures de champs offrent une considérable richesse d'information mais sont aussi affectées par un fort niveau de bruit. Cela pose donc le problème de la mesure de manière particulièrement aigüe. La redondance (« 9 équations pour 7 inconnues ») est utile mais nécessite de bien connaitre le bruit (…) -
Jonathan Rothstein (UMass Amherst)
Vendredi 12 juin 2015 de 11h00 à 12h00 - Bureau d'Etudes
Viscoelastic Fluid Structure Interactions
How Elastic Flow Instabilities can Induce Motion in Flexible Solid Structures When a flexible object such as an elastic sheet is placed in a flow of a Newtonian fluid, the shedding of separated vortices at high Reynolds number can drive the motion of the structure. This phenomenon is known as Vortex-Induced (…) -
Bartosz Protas (McMaster University, Canada)
Vendredi 5 juin 2015 de 11h00 à 12h00 - Bureau d'Etudes
Les tourbillons extrêmes et le problème des singularités en mécanique des fluides
Dans cet exposé on va présenter quelques directions nouvelles de recherche et les résultats récents concernant l'étude du comportement extrême en hydrodynamique. Ces problèmes sont motivés par les estimations fondamentales de la croissance maximale de l'enstrophie dans les écoulements en 3D, qui sont intimement (…) -
Pierre Coullet (Université de Nice Sophia Antipolis)
Vendredi 29 mai 2015 de 11h00 à 12h00 - Bureau d'Etudes
21 siècles de géométrie physique
De la duplication du cube à la théorie universelle de la gravitation avec entre autres …Archimède, Apollonius, Alazen et Newton -
Sylvain Courrech du Pont (MSC)
Vendredi 22 mai 2015 de 11h00 à 12h00 - A1 (Urbain)
Formes et dynamique des dunes
La physique des dunes repose sur l'interaction entre le vent et une topographie érodable. Quand le vent souffle au-dessus d'une surface de sable, des dunes se forment dès lors que des grains sont transportés. Dans les déserts de sable, les vents soufflent généralement dans des directions et avec des forces (…) -
20150424ad. David González-Rodríguez (LadHyX, Ecole Polytechnique)
Vendredi 24 avril 2015 de 11h00 à 12h00 - Bureau d'Etudes
Biofluid Mechanics at the Subcellular Scale
In this talk I will present two problems in cell mechanics where insight is gained through analogies with surface-tension-driven flow. First I will discuss how endothelial cells can oppose the opening of transcellular tunnels that are induced by certain bacterial infections. The experimentally observed dynamics (…) -
20150417ac. Kenny Breuer (Brown University)
Vendredi 17 avril 2015 de 11h00 à 12h00 - Bureau d'Etudes
Aeromechanics of Bat Flight : From Live Animals to Robotic Models
The elegance and maneuverability of bats during flight is unparalleled in both the natural and the man-made world, and they serve as a source of inspiration for scientists trying to understand the evolution of flight and for engineers designing highly agile flight vehicles. We have been exploring this rich research (…) -
20150410ac. Jacques Treiner (UPMC et Sciences-Po, Paris)
Vendredi 10 avril 2015 de 11h00 à 12h00 - Bureau d'Etudes
Changement climatique : pourquoi l'objectif des 2°C appartient, hélas, au passé
Depuis la réunion internationale de Copenhague en décembre 2009 (COP15), un certain nombre de pays se sont engagés sur l'objectif de ne pas dépasser un réchauffement moyen de la surface de la Terre de 2°C. Cette valeur, choisie à la suite de négociations extrêmement difficiles entre 26 pays seulement (notamment (…) -
20150403ab. Dmitry Kolomensky (McGill University)
Vendredi 3 avril 2015 de 11h00 à 12h00 - Bureau d'Etudes
Numerical modelling of insect flight
Numerical simulation can provide important insights to the mechanics of animal locomotion. In this talk, I will present a numerical method for modeling flapping flight of insects. It is based on a Fourier pseudo-spectral method for solving the Navier-Stokes equations. Time-varying solid boundaries are modeled using (…) -
20150327ab. Ko Okumura (Ochanomizu University)
Vendredi 27 mars 2015 de 11h00 à 12h00 - Bureau d'Etudes
Granular physics in two dimension : jamming, bubbling, clogging and meandering
In this talk, we will discuss three small-scale granular experiments, all prepared in (quasi) two dimension : (1) drag friction in a granular medium [1], (2) granular statics and dynamics in a certain hopper [2], and (3) meandering air flow in a granular medium [3]. For the drag friction, we highlight the (…) -
Séminaire PMMH - Ko Okumura (Ochanomizu University, Tokyo, Japan)
Vendredi 27 mars 2015 de 11h00 à 12h00 - Bureau d'Etudes
Granular physics in two dimension : jamming, bubbling, clogging and meandering
In this talk, we will discuss three small-scale granular experiments, all prepared in (quasi) two dimension : (1) drag friction in a granular medium [1], (2) granular statics and dynamics in a certain hopper [2], and (3) meandering air flow in a granular medium [3]. For the drag friction, we highlight the (…) -
20150320ab. Francisco Huera-Huarte (Universitat Rovira i Virgili)
Vendredi 20 mars 2015 de 11h00 à 12h00 - Bureau d'Etudes
Drag based flapping propulsion with tip pitch control
The swimming of fish is characterised by complex kinematics. These kinematics are governed not only by passive bony or cartilaginous structures, but also by active ones and tissue such as muscles. There has been a wide interest in the recent years regarding the understanding of the role of stiffness in flapping (…) -
20150313ab. Audrey Filella (IMFT, Toulouse)
Vendredi 13 mars 2015 de 11h00 à 12h00 - Bureau d'Etudes
Mouvement et sillage de bulles confinées entre deux plaques, isolées ou en interaction
Les écoulements à bulles sont présents dans un grand nombre d'applications qu'elles soient industrielles ou environnementales. La compréhension de la dispersion et de la taille des bulles est essentielle dans de nombreux procédés puisque les transferts de masse, chaleur et quantité de mouvement dépendent de la (…) -
20150306ab. Luca Cipelletti (Laboratoire Charles Coulomb, Montpellier)
Vendredi 6 mars 2015 de 11h00 à 12h00 - Bureau d'Etudes
-
Séminaire PMMH - Luca Cipelletti (Laboratoire Charles Coulomb, Univ. Montpellier II)
Vendredi 6 mars 2015 de 11h00 à 12h00 - Bureau d'Etudes
Off-equilibrium surface tension between miscible fluids
Surface tension is the tendency of a liquid to minimize its interface with another substance. Surface tension literally shapes the world around us : soap bubbles and liquid drops, insects striding on a water pond, and water transport in plants are but a few phenomena where surface tension plays a key role. Does a (…) -
Jean-Baptiste Salmon (LoF, Bordeaux)
Vendredi 13 février 2015 de 11h00 à 12h00 - Bureau d'Etudes
Séchage de gouttes de fluides complexes en géométrie confinée
Je présenterais une méthode simple pour explorer le diagramme de phases d'un fluide complexe : l'observation du séchage d'une goutte confinée entre deux plaques de verre. Cette méthode permet d'identifier quantitativement plusieurs informations : diagramme des phases, activité de la solution, et coefficient de (…) -
Jordi Ortin (Univerisitat de Barcelona)
Vendredi 6 février 2015 de 11h00 à 12h00 - Bureau d'Etudes
Scale invariance, non-Gaussian fluctuations and intermittency in fluid imbibition
I will review the work on viscous fluid invasion of a model open fracture carried out in Barcelona these last years, in the context of interfacial dynamics in disordered media. The model consists on a Hele-Shaw cell with carefully-controlled, randomly-distributed dichotomic variations of the gap thickness. (…) -
Pas de séminaire PMMH. Journées de Physique Statistique
Vendredi 30 janvier 2015 de 09h00 à 18h00 - Amphi Langevin, Bât N, 2e étage
-
Arnaud Antkowiak (Institut D'Alembert)
Vendredi 23 janvier 2015 de 11h00 à 12h00 - Bureau d'Etudes
Enchevêtrement élastocapillaire dans les soies de capture d'araignée
Les toiles et les soies d'araignées sont souvent exhibées comme des archétypes de structures légères, résistantes et constituées de polymères exceptionnels. Parmi les différentes soies produites par l'araignée, la plus remarquable est sans doute la soie de capture. La fonction première de cette soie est de (…) -
Stéphane Régnier (ISIR, UPMC)
Vendredi 16 janvier 2015 de 11h00 à 12h00 - Bureau d'Etudes
Microrobotique, microrobots : des systèmes interactifs pour les petites échelles
Nous cherchons à développer des méthodes par lesquelles nous puissions interagir avec un monde intangible et invisible pour les humains, le micro-monde. L'un des défis des nanosciences est la manipulation et la caractérisation physique de micro-objets individuels dans leur environnement naturel. Ces objets peuvent (…) -
Emilie Dressaire (NYU School of Engineering)
Vendredi 9 janvier 2015 de 11h00 à 12h00 - Bureau d'Etudes
Tuning macroscopic flows using micro-structures
In this talk, I will present experiments devoted to systems in which the presence of micrometer-scale structures has macroscopic, observable effects on the flow. We will first consider thin liquid films formed when jets impinge on solid surfaces such as hydraulic jumps and water bells. On a smooth surface, the (…)
-
Fabian Brau (Université Libre de Bruxelles)
2014
-
Pas de séminaire. Thèse de Jérémie Gachelin
Vendredi 19 décembre 2014 de 10h00 à 12h00 - Amphi Langevin, Bât N, 2e étage
-
Harold Auradou (FAST, Orsay)
Vendredi 12 décembre 2014 de 11h00 à 12h00 - Bureau d'Etudes
Everything You Always Wanted to Know About the coupling between FLOW and BACTERIA But Were Afraid to Ask
La nage des micro-organismes dans un fluide au repos a retenue beaucoup d'attention. Ici, nous considérerons les effets nouveaux comme la nage à contre courant ou la rhéotaxie qui apparaissent quand les bactéries sont placées dans un écoulement. Dans une premier temps, nous nous intéresserons au comportement des (…) -
Leonardo Gordillo (MSC)
Vendredi 5 décembre 2014 de 11h00 à 12h00 - Amphi Urbain (Esc. N, entresol)
Waves generated with an underwater programmed displacement function
In this talk, I will make a review of a set of laboratory experiments that we have carried out in the Laboratoire MSC at Université Paris Diderot. Our research is focused in the generation of surface waves in a fluid layer whose bottom undergoes an upward vertical motion. Experiments were run in two different (…) -
Sara Jabbari-Farouji (Lab. Interdisciplinaire de physique)
Vendredi 28 novembre 2014 de 11h00 à 12h00 - Bureau d'Etudes
Plastic deformation mechanisms in amorphous and semicrystalline polymers
Solid-like polymers are found in amorphous or semicrystalline state which consist of crystalline and amorphous regions. These polymeric materials have a diverse range of applications from packaging to more high-performance products such as bullet resistant vests and helmets. The wide-spread application of polymers (…) -
Thierry Ondarçuhu (Groupe Nanosciences, CEMES, Toulouse)
Vendredi 21 novembre 2014 de 11h00 à 12h00 - Bureau d'Etudes
Etude du mouillage à l'échelle nanométrique par microscopie à force atomique.
Même si le mouillage de surfaces a été largement étudié, de nombreuses questions restent ouvertes, notamment celles concernant la structure et la dynamique de la ligne de contact. Ainsi, la dissipation dans le coin de la goutte, au voisinage immédiat de la ligne de contact est mal connue, de même que l'ancrage sur (…) -
Martin Brinkmann (Max-Planck-Gesellschaft)
Vendredi 14 novembre 2014 de 11h00 à 12h00 - Amphi Urbain (Esc. N, entresol)
Depinning and arrest of liquid droplets on macroscopic and microscopic length scales
In the first part of my talk I will discuss the classic depinning problem of a macroscopic drop on a plane surface driven by a volume force. To model the drop motion we assume homogeneous contact angle hysteresis and dissipation to occur only at the contact line. Considering the free interface of the liquid to be (…) -
Laure Saint-Raymond (ENS)
Vendredi 7 novembre 2014 de 11h00 à 12h00 - Bureau d'Etudes (Bât. L, 2ème étage)
De la dynamique moléculaire à la théorie cinétique et l'hydrodynamique
Un gaz peut être considéré soit comme un grand système de particules microscopiques en interaction, soit comme un milieu continu régi par des équations fluides. Une question naturelle est alors de comprendre si les deux types de modèles donnent des prédictions consistantes de la dynamique. Dans cet exposé, on se (…) -
Soutenance de thèse de Mehdi Bouzid à 10h
Vendredi 31 octobre 2014 de 10h00 à 12h00 - Amphithéâtre Holweck
-
Detlef Lohse (University of Twente)
Vendredi 17 octobre 2014 de 11h00 à 12h00 - Bureau d'Etudes
Surface nanobubbles : The big picture
-
séminaire PMMH : Detlef Lohse (University of Twente, Netherlands)
Vendredi 17 octobre 2014 de 11h00 à 12h00 - A4 (Langevin)
Surface nanobubbles : The big picture
-
Henrik Bruus (DTU, Denmark)
Vendredi 3 octobre 2014 de 11h00 à 12h00 - Bureau d'Etudes
Theoretical aspects of acoustofluidics : Streaming, radiation forces, and thermoviscous effects
Inspired by the current increase in applications of acoustophoresis in biochip systems, my research group has conducted several theoretical and numerical studies of the basic physics of acoustofluidics including streaming, radiation forces, and thermoviscous effects. At the seminar an overview of our results will (…) -
Journée Jean-Pierre Hulin, pas de séminaire PMMH
Vendredi 26 septembre 2014 de 11h00 à 12h00 - Bureau d'Etudes
-
Manoj Chaudhury (Lehigh University)
Vendredi 19 septembre 2014 de 11h00 à 12h00 - Bureau d'Etudes
Directed Motion of drops with Interfacial Contact
We study the motion of small liquid drops on a surface when they are subjected to surface energy gradient, and or an external vibration (stochastic or structured). We study how the non-linear hysteresis rectify the imposed vibration. An interesting case is the random coalescence of condensed drops on a surface that (…) -
Ernesto Altshuler (University of Havana, Cuba)
Vendredi 12 septembre 2014 de 11h00 à 12h00 - Bureau d'Etudes
Extraterrestial sink dynamics in granular matter
While the penetration of objects into granular media is well-studied, there is relatively little understanding of how objects settle in gravities, geff, different from that of Earth—a scenario potentially relevant to the geomorphology of planets and asteroids and also to their exploration using man-made devices. (…) -
Pierre Recho (Institut Curie)
Vendredi 5 septembre 2014 de 11h00 à 12h00 - Bureau d'Etudes
Contraction-driven cell motility
We propose a mechanism for the initiation of cell motility that is based on myosin-induced contraction and does not require actin polymerization. The translocation of a cell is induced by symmetry breaking of the motor-driven flow, and the ensuing asymmetry gives rise to a steady motion of the center of mass of a (…) -
Douglas J. Durian (University of Pennsylvania)
Vendredi 11 juillet 2014 de 11h00 à 12h00 - Bureau d'Etudes
The role of bubble shape in the coarsening of wet 2d foams
We report on the statistics of bubble size, topology, and shape and on their role in the coarsening dynamics for foams consisting of bubbles compressed between two parallel plates. The design of the sample cell permits control of the liquid content, through a constant pressure condition set by the height of the (…) -
Eric Furst (University of Delaware)
Vendredi 4 juillet 2014 de 11h00 à 12h00 - Bureau d'Etudes
Directing colloidal self-assembly with toggled fields
Suspensions of polarizable colloids are expected to form crystalline equilibrium phases when exposed to a steady, uniform field. However, when colloids become localized this field-induced phase transition arrests and the suspension persists indefinitely as a kinetically trapped, percolated structure. The (…) -
James Hanna (Virginia Polytechnic Institute and State University)
Vendredi 27 juin 2014 de 11h00 à 12h00 - A4 (Langevin)
Metrically constrained dynamics : lariats, chain siphons, and whirling skirts
The dynamics of classical, inextensible strings and sheets are in some sense intermediate between those of point particles and rigid bodies. I will discuss simple models of these highly flexible bodies, focusing on the inertial dynamics of curves and surfaces with metric constraints. Symmetries of these constraints (…) -
Michael L. Falk (Johns Hopkins University)
Vendredi 20 juin 2014 de 11h00 à 12h00 - Bureau d'Etudes
Relating Continuum, Mesoscale and Atomistic Models of Amorphous Plastic Response
In this informal seminar I plan to discuss the issues at stake in understanding how amorphous materials respond to stress. I will briefly introduce the ways that atomistic simulation techniques like molecular dynamics and athermal quasistatic shear are used to investigate disordered materials. I will also review (…) -
Julien Chopin (Universidade Federal do Rio de Janeiro)
Vendredi 13 juin 2014 de 11h00 à 12h00 - Bureau d'Etudes
Morphological instabilities of a stretched twisted ribbon
Finding strategies toward developing functional shapes at smaller and smaller scales has been a focus of intense research in elastic materials. Our investigations show that a wide variety of shapes and instabilities can be obtained by simply varying the applied twist and tension [1]. Due to its geometry which is (…) -
Arshad Kudrolli (Clark U.) : Active Granular Matter
Vendredi 6 juin 2014 de 11h00 à 12h00 - Bureau d'Etudes
Active Granular Matter
We discuss experiments designed with granular matter to develop the physics of self-propelled particle systems which move and interact via simple physical rules. The shape and mass distribution of a particle can be exploited to fabricate elements which perform random motions or directed random walks on a (…) -
Franck Ruffier (Institut des Sciences du Mouvement, Marseille)
Vendredi 23 mai 2014 de 11h00 à 12h00 - Bureau d'Etudes
Des Abeilles aux robots et vice-versa
Les insectes ailés ont résolu des problèmes ardus tels que la stabilisation du vol, l'évitement d'obstacles en 3D, la poursuite de cibles, l'odométrie, l'atterrissage sans piste aménagée et l'atterrissage sur des cibles en mouvements, problèmes sur lesquels bute encore la robotique autonome contemporaine. Certains (…) -
Benoît Pier (LMFA, École Centrale de Lyon)
Vendredi 16 mai 2014 de 11h00 à 12h00 - A4 (Langevin)
Instabilités convectives et absolues dans l'écoulement de Taylor—Couette—Poiseuille
Colin Leclercq, Benoît Pier, Julian Scott L'écoulement de Taylor—Couette, entre deux cylindres concentriques en rotation différentielle, est l'archétype de l'instabilité centrifuge et certainement l'une des configurations les plus étudiées en instabilités hydrodynamiques. L'effet soit d'un débit axial soit de (…) -
Gareth McKinley (MIT) : Exploiting & Optimizing Viscoelastic Effects in Microfluidic Flows
Vendredi 25 avril 2014 de 11h00 à 12h00 - Bureau d'Etudes
Exploiting and Optimizing Viscoelastic Effects in Microfluidic Flows
I will describe two different scenarios in which viscoelastic effects become extremely important in microfluidic devices and can be exploited to optimize the operation of a proposed microfluidic device. In the first example we consider optimizing the shape of a microfluidic extensional rheometer designed to (…) -
Jean-François Joanny (ESPCI ParisTech) : Cortical actin layers & cytokinesis dynamics
Vendredi 18 avril 2014 de 11h00 à 12h00 - Bureau d'Etudes
Cortical actin layers and cytokinesis dynamics
In this talk, we discuss first the properties of the actin cortical layer in contact with the plasma membrane of a cell using the hydrodynamic theory of active gels : within this framework, the cortical layer can be viewed as an active prewetting layer. We also discuss the dynamical properties of the layer and the (…) -
Frédéric Chevy (Laboratoire Kastler Brossel, ENS) : Ondes & tourbillons dans les fluides & les superfluides
Vendredi 11 avril 2014 de 11h00 à 12h00 - Bureau d'Etudes
Ondes et tourbillons dans les fluides et les superfluides
Ondes et tourbillons sont des sources de dissipations universelles en mécanique des fluides. Dans cet exposé je dresserai un parallèle entre les mécanismes de dissipation dans les fluides classiques et les superfluides d'atomes ultra-froids, en soulignant comment les concepts hérités de l'hydrodynamique classique (…) -
Howard Stone (Princeton U.) : Elementary channel flows with surprising responses : (i) Biofilms & flow and (ii) Trapping of bubbles in stagnation point flows
Vendredi 4 avril 2014 de 11h00 à 12h00 - Bureau d'Etudes
Elementary channel flows with surprising responses : (i) Biofilms and flow and (ii) Trapping of bubbles in stagnation point flows
In this talk I describe two distinct problems that we have studied where seemingly modest variations in an elementary channel flow produce new effects. First, we investigate some influences of flow on biofilms. In particular, we identify the formation of biofilm streamers, which are filaments of biofilm extended (…) -
Alberto Aliseda (University of Washington)
Vendredi 28 mars 2014 de 11h00 à 12h00 - Bureau d'Etudes
Experimental study of turbulent multiphase flows : inertial particles, collisions and bubble dynamics
Turbulent multiphase flows encompass some of the biggest open questions in modern fluid mechanics. The dynamics of solid particles, liquid droplets and gas bubbles represent significant gaps in our fundamental understanding, while at the same time, being of great relevance in many industrial and environmental (…) -
Yves Pomeau (LPS, ENS)
Vendredi 21 mars 2014 de 11h00 à 12h00 - Bureau d'Etudes
Dans le déroulement infini de sa lame...
Ce titre, emprunté à Baudelaire (« L'homme et la mer » dont le premier vers est : Homme libre , toujours tu chériras la mer) voudrait rappeler que le spectacle de la mer et des vagues a toujours intéressé les artistes, poètes (depuis Homère), peintres (Hokusai, Courbet) et aussi un peu les scientifiques. Le premier (…) -
Anthony Herrel (Muséum national d'Histoire naturelle)
Vendredi 14 mars 2014 de 11h00 à 12h00 - Bureau d'Etudes
Biomechanics and evolution in snakes
Morphological convergence as a consequence of extreme functional demands : examples from the feeding system of natricine snakes Despite repeated acquisitions of aquatic or semi-aquatic lifestyles revolving around piscivory, snakes have not evolved suction feeding. Instead, snakes use frontally or laterally (…) -
Richard-Emmanuel Eastes (ESPCI ParisTech et ENS)
Vendredi 7 mars 2014 de 11h00 à 12h00 - Bureau d'Etudes
Comprendre les sciences...
Si je suis le déroulé d'une démonstration abstraite, du théorème initial aux conclusions, ai-je compris le phénomène qu'elles illustrent ? A l'inverse, peut-on comprendre les phénomènes de la nature et de l'univers sans connaissance scientifique ? Au-delà de l'approche qualitative des phénomènes, peut-on parler (…) -
Pas de séminaire PMMH
Vendredi 28 février 2014 de 11h00 à 12h00 - A4 (Langevin)
Pas de séminaire PMMH
-
Jacopo Seiwert (IPR, Rennes)
Vendredi 21 février 2014 de 11h00 à 12h00 - A4 (Langevin)
Generation and deformation of soap films
Liquid foams are widely used in industry for their high effective viscosity, whose local origin is still unclear. We present new theoretical and experimental results on the physics of soap films, in configurations mimicking the elementary deformation occurring during foam shearing. Theoretically, we study the (…) -
Jeff Porter (Universidad Politécnica de Madrid)
Vendredi 14 février 2014 de 11h00 à 12h00 - Bureau d'Etudes
Vibrated fluids : Faraday waves, cross-waves, and vibroequilibria
The behavior of vibrated fluids and, in particular, surface or interfacial instabilities, has been the subject of continued experimental and theoretical attention since Faraday's seminal experiments in 1831. Both orientation and frequency are critical in determining the response of the fluid to excitation. Low (…) -
Lev Truskinovsky (LMS, Ecole Polytechnique)
Vendredi 7 février 2014 de 11h00 à 12h00 - Amphi Langevin (Bât N, 2ème étage)
Contraction driven cell crawling
The two main active processes allowing cells to crawl are myosin contraction and actin polymerization. We first show that these two mechanisms are complimentary allowing cells to handle such fundamentally different tasks as pushing and pulling. Then we focus on contraction dominated crawling involved, for instance, (…) -
Journées de Physique Statistique 2014
Du 30 janvier à 09h00 au 31 janvier 2014 à 18h30 - Amphithéâtre Paul-Langevin
Journées de Physique Statistique 2014
http://comphys.ethz.ch:8080/jstat/ -
Yohann Duguet (LIMSI-CNRS, Orsay)
Vendredi 24 janvier 2014 de 11h00 à 12h00 - Bureau d'Etudes
Transition à la turbulence dans l'écoulement de Couette plan
L'écoulement de Couette plan correspond à l'écoulement de fluide incompressible entre deux plaques parallèles qui cisaillent le fluide de façon homogène. Cet écoulement est, avec la transition dans les écoulements de type Poiseuille plan ou cylindrique, un prototype de la transition à la turbulence dite (…) -
Julien Scheibert (Ecole Centrale de Lyon)
Vendredi 17 janvier 2014 de 11h00 à 12h00 - Bureau d'Etudes
Transition from static to kinetic friction : insights from numerical experiments
The contact between macroscopic rough solids is made of many micrometric asperities in contact. Under increasing shear force, each microcontact deforms, reaches its breaking threshold, and triggers a local micro-slip event. In some conditions, such an event can destabilize neighbouring microcontacts and a (…) -
Fernando Peruani (Université de Nice)
Vendredi 10 janvier 2014 de 11h00 à 12h00 - Bureau d'Etudes
Quasi-long range order and sub-diffusion in systems of active particles in heterogeneous media
The rapidly expanding study of active particles has focused so far almost exclusively, theoretically as well as experimentally, on the statistical description of particle motion in idealized, homogeneous spaces. However, the great majority of natural active particle systems takes place, in the wild, in (…)
-
Pas de séminaire. Thèse de Jérémie Gachelin
2013
-
Edgar E González (Faculty of Engineering, Pontificia Universidad Javeriana, Bogotá, Colombia)
Vendredi 13 décembre 2013 de 11h00 à 12h00 - Bureau d'Etudes
Complex hollow nanoparticles and their applications
Complex hollow nanostructures using simultaneous or sequential action of Kirkendall effect and galvanic exchange at room temperature can be obtained [1]. By this method it becomes possible to control the morphology and composition of the nanostructures to enhance their optical, thermal and catalytic properties (…) -
Journée LJP/PMMH
Vendredi 6 décembre 2013 de 11h00 à 12h00 - Bureau d'Etudes
-
Valerie Vidal (ENS de Lyon)
Vendredi 29 novembre 2013 de 11h00 à 12h00 - Amphi Joliot
Injection d'air dans un milieu granulaire immerge : une (brève) revue phénoménologique
L'injection de gaz dans un milieu granulaire immergé dans un fluide donne naissance à des motifs d'invasion et des dynamiques complexes. Je présenterai une revue des phénomènes observés en laboratoire lorsqu'on injecte de l'air à la base d'un lit granulaire immergé dans l'eau, confiné dans une cellule de (…) -
Elise Lorenceau (Laboratoire Navier, Ecole des Ponts)
Vendredi 22 novembre 2013 de 11h00 à 12h00 - A4 (Langevin)
Transport de liquides variés au sein d'une mousse aqueuse
Nous présentons différentes configurations de transport de liquides via la phase continue d'une mousse aqueuse. Dans un premier temps, nous évaluons la capacité d'une mousse aqueuse à transporter une phase organique immiscible, telle qu'une huile silicone. Lorsque la mousse est stabilisée par des agents de surface (…) -
Véronique Lazarus (Laboratoire FAST)
Vendredi 15 novembre 2013 de 11h00 à 12h00 - Bureau d'Etudes
Comment prédire la forme des fissures ?
Un bateau qui se casse, une vitre qui éclate, du bois qui se fendille, une roche qui se rompt, une peinture qui craquelle, un os qui se fracture...les fissures nous entourent et leur aspect nous intrigue parfois. La mécanique linéaire élastique de la rupture permet en principe de prédire leur forme. Mais en (…) -
Séminaire PMMH : Christophe Gissinger (LPS, ENS)
Vendredi 8 novembre 2013 de 11h00 à 12h00 - Bureau d'Etudes"L'effet dynamo en laboratoire"
L'effet dynamo en laboratoire
Le magnétisme de la plupart des étoiles et planètes, y compris la Terre, est engendré par 'effet dynamo', c'est-à-dire la régénération auto-entretenue d'un champ magnétique grâce aux mouvements turbulents d'un fluide conducteur de l'électricité, par exemple le fer liquide dans le noyau terrestre. Au cours des (…) -
Test SP1
Vendredi 1er novembre 2013 de 09h00 à 10h00 - A4 (Langevin)
-
Ignacio Pagonabarraga (Universitat de Barcelona)
Vendredi 25 octobre 2013 de 11h00 à 12h00 - Bureau d'Etudes
Emergent dynamic regimes in active suspensions : spontaneous and forced structures
Active systems generate motion due to energy consumption, usually associated to their internal metabolism or to appropriate, localized, interfacial chemical reactivity. As a result, these systems are intrinsically out of equilibrium and their collective properties result from a balance between their direct (…) -
Thomas Duriez (Institut Pprime, Poitiers)
Vendredi 18 octobre 2013 de 11h00 à 12h00 - Amphi Langevin
Close loop control of complex systems : low order linear model approach and nonlinear model free approach
Active turbulence control is a rapidly evolving, interdisciplinary field of research. In particular, closed- loop control with sensor information can offer distinct benefits over blind open-loop forcing. The range of current and future engineering applications of closed-loop turbulence control has truly epic (…) -
Corentin Coulais (Leiden University)
Vendredi 4 octobre 2013 de 11h00 à 12h00 - Bureau d'Etudes
''Can you shape the feel of a thing ?'' : Tunable mechanical meta-materials
We probe the mechanical response of 2d elastic media, structured by a crystalline pattern of holes of two different sizes. While compressed under uniaxial loading, the holes pattern transforms, the overall material undergoes an auxetic mechanical response. Hole size and aspect ratio play a crucial role on this (…) -
Florence Haudin (NonLinear Physical Chemistry Unit, Université Libre de Bruxelles)
Vendredi 27 septembre 2013 de 11h00 à 12h00 - Amphi Urbain
Buoyancy- and chemically-driven pattern formation in the contact zone between two fluids
To characterize phenomena occuring in the contact zone between two fluids, it is possible to place them between two plates separated by a small gap, thus confining the flows in a quasi 2D geometry. We will here present two studies performed in this type of set up, called Hele-Shaw cell. In a first part, we will (…) -
Igor Aronson (Argonne National Laboratory, USA)
Vendredi 20 septembre 2013 de 11h00 à 12h00 - Bureau d'Etudes
Cell Movement on Soft Engineered Substrates
Self-propelled motion, emerging spontaneously or in response to external cues, is a hallmark of living organisms. Systems of self-propelled synthetic particles are also relevant for multiple applications, from targeted drug delivery to the design of self-healing materials. Self-propulsion relies on the force (…) -
Roberto Toro (Institut Pasteur)
Vendredi 13 septembre 2013 de 11h00 à 12h00 - Bureau d'Etudes
Development and evolution of brain folding and brain organisation
The mammalian brain is astonishingly diverse. Not only its size varies several orders of magnitude – from the 3 grams of the mouse brain to the 6 kg of the blue whale brain – but also its geometry and function. There is indeed a striking, largely unexplained, relationship between the folding of the mammalian brain (…) -
Jean-Marc Chomaz (LadHyX, Ecole Polytechnique)
Vendredi 6 septembre 2013 de 11h00 à 12h00 - Bureau d'Etudes
Science and art of sculpturing fluids
The role of aesthetics is analysed through particular examples of my realisations both in sciences and in the art & science. Sur l'image : Installation Fluxus devant la bourse du commerce à Paris pour la foire d'art contemporain CUTLOG en octobre 2012, schéma de fonctionnement et mise au point au laboratoire (…) -
Netta Cohen (University of Leeds, UK)
Vendredi 19 juillet 2013 de 11h00 à 12h00 - Amphi Langevin
Animal microswimmers : closing the neuro-environment loop
Planar undulations are a common mechanism for biological locomotion across many scales and phyla. Here I review recent progress in understanding the locomotion control of a microscopic nematode worm, C. elegans, and the interplay between neural control, passive and active body forces and the interaction with (…) -
Séminaire PMMH
Vendredi 19 juillet 2013 de 10h30 à 12h30 - A4 (Langevin)
-
Roberto Zenit (UNAM, México)
Vendredi 12 juillet 2013 de 11h00 à 12h00 - Amphi Langevin
Locomotion of microorganisms in complex fluids
The fundamental mechanisms of microorganism motility have been extensively studied in the past. Most previous work focused on cell locomotion in simple (Newtonian) fluids. However, in many cases of biological importance (including mammalian reproduction and bacterial infections), the fluids that surround the (…) -
Stephan Herminghaus (Max Planck Gesellschaft)
Vendredi 5 juillet 2013 de 11h00 à 12h00 - Amphi Holweck
Active emulsions : soft matter far from thermal equilibrium
A number of experiments are presented dealing with 'active' emulsions, i.e., collections of droplets the ingredients of which are not in thermal equilibrium. As a consequence, they exhibit unusual collective behaviour, which may resemble dynamic patterns they are sometimes observed in cell cultures, or swarming (…) -
Marc-Etienne Brachet (LPS, ENS)
Vendredi 28 juin 2013 de 11h00 à 12h00 - Bureau d'Etudes
The incompressible Euler singularity problem
A central open question in classical fluid dynamics is whether the incompressible three-dimensional Euler equations with smooth initial conditions develop a singularity after a finite time. Recent results on this problem reported in [1] will be presented in the seminar. [1] Miguel D. Bustamante and Marc Brachet, (…) -
Lucas Goehring (Max Planck Institute Goettingen)
Vendredi 21 juin 2013 de 11h30 à 12h30 - Bureau d'Etudes
Evolving crack patterns : mud cracks, columnar joints, and polygonal terrain
Contraction cracks can form captivating patterns, such as the artistic craquelure sometimes found in pottery glazes, to the cracks in dried mud, or the polygonal networks covering the polar regions of Earth and Mars. Two types are frequently encountered : those with irregular rectilinear patterns, such as that (…) -
Hans Herrmann (ETH Zürich)
Vendredi 14 juin 2013 de 11h00 à 12h00 - Bureau d'Etudes
Packing of wires in cavities and growing surfaces
We investigate the morphologies and maximum packing density of thin wires packed into spherical cavities. Using simulations and experiments with nylon lines, we find that ordered as well as disordered structures emerge, depending on the amount of internal torsion. We find that the highest packing densities are (…) -
Marc Rabaud (Laboratoire FAST)
Vendredi 7 juin 2013 de 11h00 à 12h00 - Bureau d'Etudes
Sillages de vague des bateaux à la surface de l'eau
Depuis le travail de Lord Kelvin on sait que le sillage d'un objet se déplaçant à la surface de l'eau forme un "V" caractéristique dont l'angle ne dépend ni de la forme de l'objet ni de la vitesse. Et pourtant ... nous venons de montrer que ce résultat communément admis n'est pas toujours observé [1]. Des mesures (…) -
Geoff Spedding (University of Southern California)
Vendredi 31 mai 2013 de 11h00 à 12h00 - Bureau d'Etudes
Aerodynamic Efficiency in Small and Large Aircraft
The aerodynamic efficiency of an aircraft is conventionally measured by the dimensionless lift to drag ratio, L/D, and higher values are almost always better. The design or evolution of flying devices involves a lot more than this single measure, but it is still interesting to enquire how close any given device (…) -
Zhigang Suo (Harvard University)
Vendredi 24 mai 2013 de 11h00 à 12h00 - Bureau d'Etudes
Soft active materials and soft machines
Machines in engineering use mostly hard materials, while machines in nature are often soft. This difference has been an inspiration for the nascent field of soft machines. What does softness impart to the life of animals and plants ? Softness enables large deformation, which in turn provides vital functions. (…) -
Frédéric Léchenault (LPS, ENS)
Vendredi 26 avril 2013 de 11h00 à 12h00 - Amphi Langevin
Folds and loops
In this seminar, I will present two experimental situations involving the confinement of elastic objects. First I will focus on the mechanical response of a folded thin sheet. I will show that crease opening and face bending give two competing contributions to the elastic energy, which gives rise to a (…) -
Abdul Barakat (LadHyX, Ecole Polytechnique)
Vendredi 19 avril 2013 de 11h00 à 12h00 - Amphi Urbain
Mechanotransduction in Vascular Endothelial Cells : Mechanisms and Implications
The ability of arterial endothelial cells, the cells lining the inner surfaces of blood vessels, to respond to mechanical forces associated with blood flow is essential for normal vascular function. Abnormalities in endothelial cell mechanotransduction play a critical role in the development and progression of (…) -
Jérôme Hoepffner (Institut D'Alembert)
Vendredi 12 avril 2013 de 11h00 à 12h00 - Bureau d'Etudes
Recoil of a liquid filament : escape of the pinching through vortex ring inception
Un corps liquide tend à se rassembler sous la forme d'une sphère sous l'effet de sa tension de surface. Les processus dynamiques rapides limités par l'inertie peuvent faire que ce corps liquide se fragmentera en fait plutôt en plusieurs sphères. Nous mettons en évidence un nouveau mécanisme où la création d'un (…) -
Tristan Baumberger (UPMC)
Vendredi 5 avril 2013 de 11h00 à 12h00 - Amphi Langevin
Hydrogels : « physiques » et/ou « chimiques » ? – Relaxations, vieillissement, rupture -
Les hydrogels de polymères sont appelés à jouer un rôle essentiel dans les applications biomédicales. En témoigne le nombre sans cesse croissant d'articles proposant des structures de réseaux biocompatibles de plus en plus élaborées. Paradoxalement, l'étude des mécanismes physiques fondamentaux en jeu dans les (…) -
Scott Waitukaitis (University of Chicago)
Vendredi 29 mars 2013 de 11h00 à 12h00 - Bureau d'Etudes
Impact-Activated Solidification of Dense Suspensions
Shear-thickening, non-Newtonian fluids have typically been investigated under steady-state conditions. This approach has produced two pictures for suspension response to imposed forcing. In the weak shear-thickening picture, the response is typically attributed to the hydrodynamic interactions giving rise to (…) -
Anne Davaille (Laboratoire FAST)
Vendredi 22 mars 2013 de 11h00 à 12h00 - Bureau d'Etudes
Convection dans les fluides complexes : du laboratoire aux planètes
L'évolution de la Terre et de son refroidissement depuis son accrétion jusqu'à nos jours reste une des questions fondamentales des Sciences de l'univers. Comprendre l'histoire de notre planète, et ses différences par rapport aux autres planètes, est une étape-clef pour comprendre l'origine et la préservation de la (…) -
Camille Duprat (PMMH)
Vendredi 15 mars 2013 de 11h00 à 12h00 - Bureau d'Etudes
Écoulements élastocapillaires
La déformation d'objets flexibles sous l'effet des forces capillaires (élastocapillarité) et leur interaction avec un écoulement (elastohydrodynamique) interviennent dans de nombreux processus biologiques, géophysiques et industriels. Afin de mieux comprendre certains de ces phénomènes, je présenterai plusieurs (…) -
Romain Monchaux (ENSTA ParisTech)
Vendredi 8 mars 2013 de 11h00 à 12h00 - Bureau d'Etudes
Inertial particles in turbulence : preferential concentration and settling velocity
Turbulent flows laden with inertial particles occur in many industrial and environmental situations (pollutant dispersion, plankton, engine optimization…) During the last forty years, many properties of these flows have been evidenced, nevertheless, a model equation describing them is still out of reach, (…) -
Thomas Salez (ENS/ESPCI)
Vendredi 1er mars 2013 de 11h00 à 12h00 - Bureau d'Etudes
Polymers in Flatland : Self-Similarity and Nanorheology
The study of ultra-thin polymer nanofilms is a rich and productive field for applied mathematics, fundamental physics, physiology and engineering. It has been enlightened by the recent results on dewetting, nanoindentation, electrostatic instabilities and micro- bubbles. We report here on a novel and simple (…) -
Thierry Savin (ETH Zürich)
Vendredi 22 février 2013 de 11h00 à 12h00 - A4 (Langevin)
Occlusive flow of red blood cells
When red blood cells (RBCs) move through narrow capillaries in the microcirculation, they deform as they flow. In pathophysiological processes such as sickle cell disease and malaria, RBCs' deformability is altered and their motion is severely restricted. This can lead to vaso-occlusive crises with dramatic (…) -
Mathias Fink (Institut Langevin, ESPCI ParisTech)
Vendredi 15 février 2013 de 11h00 à 12h00 - Bureau d'Etudes
Renversement du temps, ondes et innovation
-
Michaël De Volder (KU Leuven)
Vendredi 8 février 2013 de 11h00 à 12h00 - Amphi Schützenberger
Elasto-capillary fabrication of 3D CNTs microstructures
Carbon nanotubes (CNTs), as well as graphene, have been pivotal in captivating the interest of scientists, the general public, and industry in nanotechnology. The latter can best be quantified by the production capacity of CNTs which is growing exponentially, and is currently estimated at 5000 ton/yr. However, few (…) -
Valentin Leroy (MSC, Université Paris Diderot)
Vendredi 1er février 2013 de 11h00 à 12h00 - A4 (Langevin)
Acoustique des bulles : du liquide bulleux à la mousse
La présence d'inclusions gazeuses dans un matériau change drastiquement ses propriétés acoustiques. Le séminaire en montrera quelques exemples, en décrivant notamment les cristaux phononiques de bulles que nous avons obtenus. Depuis peu, nous nous intéressons au cas où la concentration en gaz devient très (…) -
Pas de séminaire PMMH (Journées de Physique Statistique)
Vendredi 25 janvier 2013 de 11h00 à 12h00 - Bureau d'Etudes
Journées de Physique Statistique 24-25 janvier 2013
Site web -
John W. M. Bush (MIT)
Vendredi 18 janvier 2013 de 11h00 à 12h00 - Amphi Langevin
Pilot-wave hydrodynamics
Yves Couder, Emmanuel Fort and coworkers have recently discovered that droplets walking on a vibrating fluid bath exhibit several features previously thought to be peculiar to the microscopic, quantum realm. Theoretical developments provide rationale for the complex behavior of the bouncing droplets, and yield a (…) -
Lara Vozella (Università degli Studi di Torino)
Vendredi 11 janvier 2013 de 11h00 à 12h00 - Bureau d'Etudes
Transport and mixing in Rayleigh-Taylor turbulence
The Rayleigh-Taylor (RT) instability is a fluid-mixing mechanism arising at the interface between two fluids of different density when the heavy, denser, fluid is accelerated into the lighter one. The reduction of fluid potential energy drives the growth of a perturbation along the interface to form a mixing region (…) -
Arnaud Lazarus (MIT)
Vendredi 4 janvier 2013 de 11h00 à 12h00 - Bureau d'Etudes
Equilibrium and stability analysis of slender elastic rods
New interesting challenges arise in the mechanics of slender elastic rods with the burgeoning of new scientific fields such as soft materials, nanotechnologies, stretchable electronics or even physical computer animation. One of the common emerging concerns is the efficient modeling of the very large deformations (…)
-
Edgar E González (Faculty of Engineering, Pontificia Universidad Javeriana, Bogotá, Colombia)
2012
-
Séminaire : Pierre-Thomas Brun (EPFL)
Vendredi 14 décembre 2012 de 11h00 à 12h00 - Bureau d'Etudes
From the Viscous Sewing Machine to the Cowboy's Lasso
Part I : The fluid mechanical sewing machine A thin thread of viscous fluid falls onto a moving conveyer belt and lays down in a plethora of complex "stitch" patterns depending on the belt speed and the height of fall. This experiment is well documented in the literature and we used direct numerical simulations to (…) -
Séminaire : Pierre-Thomas Brun (EPFL)
Vendredi 14 décembre 2012 de 11h00 à 12h00 - Bureau d'Etudes
From the Viscous Sewing Machine to the Cowboy's Lasso
Part I : The fluid mechanical sewing machine A thin thread of viscous fluid falls onto a moving conveyer belt and lays down in a plethora of complex "stitch" patterns depending on the belt speed and the height of fall. This experiment is well documented in the literature and we used direct numerical simulations to (…) -
John Hinch (University of Cambridge)
Vendredi 7 décembre 2012 de 11h00 à 12h00 - Bureau d'Etudes
Explaining the flow of elastic liquids
The behaviour of elastic liquids does not follow simply from our understanding of both elastic solids and viscous liquids. Four anomalous behaviours will be discussed :— (i) long wakes at low Reynolds numbers, (ii) large vortices upstream of a constriction, (iii) long times for capillary forces to squeeze a (…) -
John Hinch (University of Cambridge)
Vendredi 7 décembre 2012 de 11h00 à 12h00 - Bureau d'Etudes
Explaining the flow of elastic liquids
The behaviour of elastic liquids does not follow simply from our understanding of both elastic solids and viscous liquids. Four anomalous behaviours will be discussed :— (i) long wakes at low Reynolds numbers, (ii) large vortices upstream of a constriction, (iii) long times for capillary forces to squeeze a (…) -
Andrea Scagliarini (Technische Universiteit van Eindhoven)
Vendredi 30 novembre 2012 de 11h00 à 12h00 - Bureau d'Etudes
Emergent structures and dynamics in suspensions of active colloids
Active fluids, such as suspensions of self-propelled particles or of cytoskeletal filaments and molecular motors, are a fascinating example of soft matter displaying non-trivial collective behaviours which represent issues in non-equilibrium statistical physics. Moreover, the recent development of techniques to (…) -
Andrea Scagliarini (Technische Universiteit van Eindhoven)
Vendredi 30 novembre 2012 de 11h00 à 12h00 - Bureau d'Etudes
Emergent structures and dynamics in suspensions of active colloids
Active fluids, such as suspensions of self-propelled particles or of cytoskeletal filaments and molecular motors, are a fascinating example of soft matter displaying non-trivial collective behaviours which represent issues in non-equilibrium statistical physics. Moreover, the recent development of techniques to (…) -
Hartmut Löwen (Universität Düsseldorf)
Vendredi 23 novembre 2012 de 11h00 à 12h30 - A4 (Langevin)
Collective dynamics of self-propelled particles : from crystallization to turbulence
We explore active rod-like colloidal particles by computer simulation and theory. First of all, the Brownian motion of self-propelled particles is described. Then Brownian dynamics simulations are used to explore the non-equilibrium dynamics of concentrated self-propelled rods which are interacting via a Yukawa (…) -
Hartmut Löwen (Universität Düsseldorf)
Vendredi 23 novembre 2012 de 11h00 à 12h30 - A4 (Langevin)
Collective dynamics of self-propelled particles : from crystallization to turbulence
We explore active rod-like colloidal particles by computer simulation and theory. First of all, the Brownian motion of self-propelled particles is described. Then Brownian dynamics simulations are used to explore the non-equilibrium dynamics of concentrated self-propelled rods which are interacting via a Yukawa (…) -
Antonin Eddi (University of Twente)
Vendredi 16 novembre 2012 de 11h00 à 12h30 - Amphithéâtre Frédéric Joliot (A3)
Coalescence de gouttes posées sur un substrat
Nous étudions expérimentalement et théoriquement la coalescence de 2 gouttes visqueuses déposées sur un substrat. Nous considérons le cas où les deux gouttes peuvent avoir des angles de contact différents, ce qui rend la coalescence asymétrique. Des expériences avec une vue de côté révèlent que le pont capillaire (…) -
Antonin Eddi (University of Twente)
Vendredi 16 novembre 2012 de 11h00 à 12h30 - Amphithéâtre Frédéric Joliot (A3)
Coalescence de gouttes posées sur un substrat
Nous étudions expérimentalement et théoriquement la coalescence de 2 gouttes visqueuses déposées sur un substrat. Nous considérons le cas où les deux gouttes peuvent avoir des angles de contact différents, ce qui rend la coalescence asymétrique. Des expériences avec une vue de côté révèlent que le pont capillaire (…) -
Lev Truskinovsky (LMS, Ecole Polytechnique)
Vendredi 9 novembre 2012 de 11h00 à 12h00 - Amphi Joliot
Criticality in plasticity and martensitic phase transitions
-
Lev Truskinovsky (LMS, Ecole Polytechnique)
Vendredi 9 novembre 2012 de 11h00 à 12h00 - Amphi Joliot
Criticality in plasticity and martensitic phase transitions
-
Sara Jabbari (LPTMS, Université de Paris-Sud 11)
Vendredi 26 octobre 2012 de 11h00 à 12h00 - Bureau d'Etudes
Interplay of anisotropy and interactions in charged colloidal disks
Charged plate-like colloidal suspensions such as gibbsite and some clays exhibit interesting and rich phase behavior including liquid-crystalline and arrested gel-like states. The anisotropic shape of such particles suggests that these materials could form liquid crystalline phases due to the competition between (…) -
Sara Jabbari (LPTMS, Université de Paris-Sud 11)
Vendredi 26 octobre 2012 de 11h00 à 12h00 - Bureau d'Etudes
Interplay of anisotropy and interactions in charged colloidal disks
Charged plate-like colloidal suspensions such as gibbsite and some clays exhibit interesting and rich phase behavior including liquid-crystalline and arrested gel-like states. The anisotropic shape of such particles suggests that these materials could form liquid crystalline phases due to the competition between (…) -
Lucilla de Arcangelis (Seconda Università degli Studi di Napoli)
Vendredi 19 octobre 2012 de 11h00 à 12h00 - Bureau d'Etudes
Balance between excitation and inhibition controls the temporal organization of neuronal avalanches
Neuronal avalanches are a novel mode of activity in neuronal networks, experimentally found in vitro and in vivo, and exhibit a robust critical behaviour. Avalanche activity can be modelled within the self-organized criticality framework, including threshold firing, refractory period and activity-dependent synaptic (…) -
Lucilla de Arcangelis (Seconda Università degli Studi di Napoli)
Vendredi 19 octobre 2012 de 11h00 à 12h00 - Bureau d'Etudes
Balance between excitation and inhibition controls the temporal organization of neuronal avalanches
Neuronal avalanches are a novel mode of activity in neuronal networks, experimentally found in vitro and in vivo, and exhibit a robust critical behaviour. Avalanche activity can be modelled within the self-organized criticality framework, including threshold firing, refractory period and activity-dependent synaptic (…) -
Kripa Varanasi (MIT)
Vendredi 5 octobre 2012 de 11h00 à 12h00 - Bureau d'Etudes
Nanoengineered Surfaces for Enhanced Thermal-Fluid Transport Properties : Studies on Dynamic Wetting and Phase Change Phenomena
Thermal-fluid-surface interactions are ubiquitous in multiple industries including Energy, Water, Agriculture, Transportation, Electronics Cooling, Buildings, etc. Over the years, these systems have been designed for increasingly higher efficiency using incremental engineering approaches that utilize system-level (…) -
Kripa Varanasi (MIT)
Vendredi 5 octobre 2012 de 11h00 à 12h00 - Bureau d'Etudes
Nanoengineered Surfaces for Enhanced Thermal-Fluid Transport Properties : Studies on Dynamic Wetting and Phase Change Phenomena
Thermal-fluid-surface interactions are ubiquitous in multiple industries including Energy, Water, Agriculture, Transportation, Electronics Cooling, Buildings, etc. Over the years, these systems have been designed for increasingly higher efficiency using incremental engineering approaches that utilize system-level (…) -
Marc-Antoine Fardin (ENS Lyon)
Vendredi 28 septembre 2012 de 11h00 à 12h00 - Bureau d'Etudes
Des Bandes de cisaillement à la turbulence viscoélastique : une étude en rhéologie
En rhéologie, les solutions de micelles géantes sont utilisées comme systèmes modèles depuis près de trente ans. Elles furent d'abord étudiées aux faibles déformations, pour lesquelles elles se comportent comme des fluides de Maxwell, l'exemple le plus simple de viscoélasticité. Par la suite, il fut découvert (…) -
Marc-Antoine Fardin (ENS Lyon)
Vendredi 28 septembre 2012 de 11h00 à 12h00 - Bureau d'Etudes
Des Bandes de cisaillement à la turbulence viscoélastique : une étude en rhéologie
En rhéologie, les solutions de micelles géantes sont utilisées comme systèmes modèles depuis près de trente ans. Elles furent d'abord étudiées aux faibles déformations, pour lesquelles elles se comportent comme des fluides de Maxwell, l'exemple le plus simple de viscoélasticité. Par la suite, il fut découvert (…) -
Jacques Treiner (UPMC et Sciences-Po Paris)
Vendredi 21 septembre 2012 de 11h00 à 12h00 - Bureau d'Etudes
Les Marchands de Doute
Depuis les années 1960, des industriels et certains scientifiques américains se sont organisés pour introduire un doute systématique à propos de résultats scientifiques pourtant bien établis, dès lors que les conclusions pouvaient déboucher sur une régulation étatique : le tabac et le cancer du poumon, la « Guerre (…) -
Jacques Treiner (UPMC et Sciences-Po Paris)
Vendredi 21 septembre 2012 de 11h00 à 12h00 - Bureau d'Etudes
Les Marchands de Doute
Depuis les années 1960, des industriels et certains scientifiques américains se sont organisés pour introduire un doute systématique à propos de résultats scientifiques pourtant bien établis, dès lors que les conclusions pouvaient déboucher sur une régulation étatique : le tabac et le cancer du poumon, la « Guerre (…) -
Keith A. Seffen (University of Cambridge)
Vendredi 14 septembre 2012 de 11h00 à 12h00 - Bureau d'Etudes
Shape Changing Shell Structures
In this presentation, I will describe some of the thin-walled "shell" structures developed by our research group, which display unusual shape-changing capabilities ; in particular, I will discuss how we have been inspired by similar behaviour in Nature, as well as introducing potential applications, and I will (…) -
Keith A. Seffen (University of Cambridge)
Vendredi 14 septembre 2012 de 11h00 à 12h00 - Bureau d'Etudes
Shape Changing Shell Structures
In this presentation, I will describe some of the thin-walled "shell" structures developed by our research group, which display unusual shape-changing capabilities ; in particular, I will discuss how we have been inspired by similar behaviour in Nature, as well as introducing potential applications, and I will (…) -
Gustavo Düring (New York University)
Vendredi 7 septembre 2012 de 11h00 à 12h00 - Bureau d'Etudes
A unified framework for non-Brownian suspension flows and soft amorphous solids
While the rheology of non-Brownian suspensions in the dilute regime is well-understood, their behavior in the dense limit remains mystifying. As the packing fraction of particles increases, particle motion becomes more collective, leading to a growing length scale and scaling properties in the rheology as the (…) -
Gustavo Düring (New York University)
Vendredi 7 septembre 2012 de 11h00 à 12h00 - Bureau d'Etudes
A unified framework for non-Brownian suspension flows and soft amorphous solids
While the rheology of non-Brownian suspensions in the dilute regime is well-understood, their behavior in the dense limit remains mystifying. As the packing fraction of particles increases, particle motion becomes more collective, leading to a growing length scale and scaling properties in the rheology as the (…) -
Marcelo Dias (University of Massachusetts, Amherst)
Vendredi 13 juillet 2012 de 11h00 à 12h00 - Bureau d'Etudes
Folding as a Mechanism of 3D Shape Formation in Thin Elastic Sheets
Folding a sheet of paper along a curve can lead to structures seen in decorative art and utilitarian packing boxes. Here we present a theory for the simplest such structure : an annular circular strip that is folded along a central circular curve to form a three-dimensional buckled structure driven by geometrical (…) -
Marcelo Dias (University of Massachusetts, Amherst)
Vendredi 13 juillet 2012 de 11h00 à 12h00 - Bureau d'Etudes
Folding as a Mechanism of 3D Shape Formation in Thin Elastic Sheets
Folding a sheet of paper along a curve can lead to structures seen in decorative art and utilitarian packing boxes. Here we present a theory for the simplest such structure : an annular circular strip that is folded along a central circular curve to form a three-dimensional buckled structure driven by geometrical (…) -
Guadalupe Huelsz (Centro de Investigación en Energía, UNAM)
Vendredi 6 juillet 2012 de 11h00 à 12h00 - Bureau d'Etudes
Thermal confort and energy in buildings
A broad view of the researches carried out by the Building Energy Group at the Centro de Investigación en Energía of the Universidad Nacional Autónoma de México is presented. These researches go from basic studies on heat and mass transfer in laboratory experiments and numerical simulations, to applied studies for (…) -
Guadalupe Huelsz (Centro de Investigación en Energía, UNAM)
Vendredi 6 juillet 2012 de 11h00 à 12h00 - Bureau d'Etudes
Thermal confort and energy in buildings
A broad view of the researches carried out by the Building Energy Group at the Centro de Investigación en Energía of the Universidad Nacional Autónoma de México is presented. These researches go from basic studies on heat and mass transfer in laboratory experiments and numerical simulations, to applied studies for (…) -
Ulrich Tallarek (Philipps-Universität Marburg)
Vendredi 29 juin 2012 de 11h00 à 12h00 - Bureau d'Etudes
Physical Reconstruction and Morphological Analysis of Granular and Monolithic Materials : From Metric Properties to Structural Descriptors of Diffusion and Hydrodynamic Dispersion
The discovery of the morphology-transport relationships for chromatographic media (packed and monolithic beds, confined pillar structures) belongs to the major challenges in separation science, because it requires the 3D physical reconstruction and/or computer-generation of the media followed by 3D mass transport (…) -
Ulrich Tallarek (Philipps-Universität Marburg)
Vendredi 29 juin 2012 de 11h00 à 12h00 - Bureau d'Etudes
Physical Reconstruction and Morphological Analysis of Granular and Monolithic Materials : From Metric Properties to Structural Descriptors of Diffusion and Hydrodynamic Dispersion
The discovery of the morphology-transport relationships for chromatographic media (packed and monolithic beds, confined pillar structures) belongs to the major challenges in separation science, because it requires the 3D physical reconstruction and/or computer-generation of the media followed by 3D mass transport (…) -
Elisabeth Guazzelli (IUSTI, Marseille)
Vendredi 22 juin 2012 de 11h00 à 12h00 - Bureau d'Etudes
Bed-load transport : experimental observation and two-phase modeling
The erosion of granular beds under the action of fluid shearing flows is a problem which has been continuously studied and discussed for over a century. This phenomenon is indeed encountered in a wide range of processes of important relevance in nature or industry such as sediment transport in rivers or oceans (…) -
Pedro M. Reis (MIT)
Vendredi 15 juin 2012 de 11h00 à 12h00 - Bureau d'Etudes
Geometry-induced rigidity, failure and functionality in thin elastic structures
I will present recent results from our Laboratory on the mechanical behavior of complex-shaped shells, subjected to different forms of loading. The common underlying feature in these problems is the prominence of geometry in dictating the mechanical response in slender elastic objects. Our approach in primarily (…) -
James Hanna (University of Massachusetts, Amherst)
Vendredi 8 juin 2012 de 11h00 à 12h00 - Bureau d'Etudes
Strings in Motion
The statics and dynamics of thin strings are a classical subject in mechanics, and form the core of many open problems in geometrically nonlinear elasticity. I will begin by discussing what catenaries and lariats have in common, then present new results on rotating strings. With simple examples, I will illustrate a (…) -
Alexis Peaucelle (INRA, Versailles)
Vendredi 1er juin 2012 de 11h00 à 12h00 - Bureau d'Etudes
Hypocotyl growth : Could you do anisotropical growth with isotropic material ?
Siobhan Braybrook, Herman Hoft, Alexis Peaucelle To escape from the globular shape pluricellular organism have to develop locale tissue polar growth else named as anisotropicale growth. The axially organisation of plants is one of the best example. This ability of plants for astonishing anisotropical growth is (…) -
Arezki Boudaoud (ENS Lyon)
Vendredi 25 mai 2012 de 11h00 à 12h00 - Bureau d'Etudes
Bases physiques de la morphogenèse végétale : bruit et robustesse
La morphogenèse est le processus de construction de la forme et de l'architecture d'un être vivant lors de son développement. La forme étant imposée par des éléments structuraux, il est naturel d'étudier les propriétés mécaniques des cellules et des tissus. Quels sont alors les principes physiques de la (…) -
Marco Rivetti (Institut Jean le Rond d'Alembert)
Vendredi 11 mai 2012 de 11h00 à 12h00 - Bureau d'Etudes
Deux problèmes d'interaction élasto-capillaire
La force capillaire est responsable de la forme d'une goutte d'eau, d'une bulle de savon, d'une interface liquide-gaz proche d'une paroi solide et bien d'autres phénomènes. Dans certaines configurations, et en particulier aux petites échelles, cette force peut être suffisamment intense pour induire des déformations (…) -
Renaud Bastien (INRA)
Vendredi 4 mai 2012 de 11h00 à 12h00 - Bureau d'Etudes
Cinématique et Modélisation du Mouvement Gravitropique des Tiges Végétales
Pour pouvoir se redresser par rapport à la gravité et maintenir une posture érigée, les plantes déploient des mouvements complexes permettant une réorientation active de leurs différents organes. De nombreuses études se sont attachées à décrire les mécanismes précurseurs de la réaction ainsi que les mécanismes (…) -
Jérôme Fresnais (PECSA, UMR 7195 CNRS UPMC ESPCI)
Vendredi 27 avril 2012 de 11h00 à 12h00 - Bureau d'Etudes
Electrostatic co-assembly between magnetic nanoparticles and hydrophilic to amphiphilic polymers
Les nanoparticules magnétiques sont le sujet de nombreuses études depuis leur synthèse dans les années 80, notamment par l'équipe du professeur Massart qui en a décrit une synthèse dite douce. Leur caractère superparamagnétique leur confère des propriétés d'agent de contraste en IRM, ainsi que comme agent de (…) -
Jacques Pelegrin (Maison de l'Ethnologie et de l'Archéologie, Université Paris Ouest-Nanterre )
Vendredi 13 avril 2012 de 11h00 à 12h00 - Bureau d'Etudes
Techniques de taille préhistoriques du silex et de verre volcanique (obsidienne) par fracture conchoïdale
Résumé : Spécialiste de technologie lithique préhistorique et expérimentateur, J. Pelegrin propose d'illustrer diverses techniques développées pendant la Préhistoire pour la taille de l'obsidienne et du silex (percussion directe à la pierre et au bois, percussion indirecte, pression). La fracture conchoïdale (…) -
Nadia Sénéchal (EPOC, Université de Bordeaux I)
Vendredi 6 avril 2012 de 11h00 à 12h00 - Bureau d'Etudes
Morphodynamique des plages sableuses : de l'événementiel au saisonnier
Résumé : Le littoral, interface entre la mer et le continent émergé, ne peut plus être considéré de nos jours comme une zone tampon. La forte pression socio-démographique et économique qui s'y exerce, le rend vulnérable en particulier à toute fluctuation de la position du trait de côte en relation avec (…) -
Ramón Peralta y Fabi (Universidad Nacional Autónoma de México)
Vendredi 30 mars 2012 de 11h00 à 12h00 - Bureau d'Etudes
Thermal Convection in 2D with Varying Gravity
A study of convection in a two dimensional cell is presented. A newtonian homogeneous fluid is contained between two parallel circular glass plates (10 cm diameter) separated a small distance (1mm). Gravity can be varied by changing the inclination of the cell. The system is heated and cooled at two diametrically (…) -
Elisabeth Bouchaud (EC2M, UMR Gulliver, ESPCI)
Vendredi 23 mars 2012 de 11h00 à 12h00 - Bureau d'Etudes
Stress corrosion fracture of glass
Although amorphous silica has a liquid-like homogeneous structure at length scales as short as ∼10 Å, it seems to behave as a disordered material when fractured. Controversial Atomic Force Microscopy experiments have indeed suggested that a stress corrosion crack – which progresses very slowly under the combined (…) -
Cyprien Gay (MSC)
Vendredi 9 mars 2012 de 11h00 à 12h00 - Bureau d'Etudes
Excursions dans la rhéologie d'une mousse liquide
Résumé : Une mousse liquide est élastique aux temps courts mais se réarrange et flue aux temps longs sous faible contrainte, comme un liquide. Aux temps intermédiaires, une contrainte modérée déclenche un fluage forcé (comportement plastique). Nous explorerons, principalement en images, quelques ingrédients des (…) -
Cyprien Gay (MSC)
Vendredi 9 mars 2012 de 11h00 à 12h00 - Bureau d'Etudes
Excursions dans la rhéologie d'une mousse liquide
Résumé : Une mousse liquide est élastique aux temps courts mais se réarrange et flue aux temps longs sous faible contrainte, comme un liquide. Aux temps intermédiaires, une contrainte modérée déclenche un fluage forcé (comportement plastique). Nous explorerons, principalement en images, quelques ingrédients des (…) -
Xavier Garnaud (LadHyX, École Polytechnique)
Vendredi 24 février 2012 de 11h00 à 12h00 - A1 (Urbain)
Global instabilities of subsonic jets
The stability of spatially developing subsonic jets is investigated. If the density ratio between the jet and the outside is sufficiently low, arbitrarily small perturbations grow in time until self sustained oscillation appear in the non-linear regime. Both the apparition of these structures and their frequency is (…) -
Xavier Garnaud (LadHyX, École Polytechnique)
Vendredi 24 février 2012 de 11h00 à 12h00 - A1 (Urbain)
Global instabilities of subsonic jets
The stability of spatially developing subsonic jets is investigated. If the density ratio between the jet and the outside is sufficiently low, arbitrarily small perturbations grow in time until self sustained oscillation appear in the non-linear regime. Both the apparition of these structures and their frequency is (…) -
Gerardo Ruíz Chavarría (Universidad Nacional Autonoma de México)
Vendredi 17 février 2012 de 11h00 à 12h00 - A5 (Holweck)
Vorticité et transport de particules dans un écoulement avec forçage périodique
Dans cet exposé on présente des résultats numériques et expérimentaux concernant l'écoulement dans un système formé par un canal connecté à un domaine ouvert avec un débit variable. Ce type d'écoulement apparait par exemple entre une lagune intérieure connectée à la mer à travers un canal sous l'action des marées. (…) -
Gerardo Ruíz Chavarría (Universidad Nacional Autonoma de México)
Vendredi 17 février 2012 de 11h00 à 12h00 - A5 (Holweck)
Vorticité et transport de particules dans un écoulement avec forçage périodique
Dans cet exposé on présente des résultats numériques et expérimentaux concernant l'écoulement dans un système formé par un canal connecté à un domaine ouvert avec un débit variable. Ce type d'écoulement apparait par exemple entre une lagune intérieure connectée à la mer à travers un canal sous l'action des marées. (…) -
Guillermo Artana (Universidad de Buenos Aires) & Denisse Sciamarella (LIMSI)
Vendredi 10 février 2012 de 11h00 à 12h00 - Bureau d'Etudes
Auto-similarité dans les plans de symétrie d'un jet pulsé quasi-elliptique
Dans cette présentation on montre que le concept d'auto-similarité d'habitude utilisé dans des écoulements axisymétrique ou bidimensionnels peut être étendu pour des jets 3D qui présentent des axes de symétrie. Ainsi l'analyse d'auto-similarité devient possible pour un jet quasi-elliptique à condition de borner (…) -
Guillermo Artana (Universidad de Buenos Aires) & Denisse Sciamarella (LIMSI)
Vendredi 10 février 2012 de 11h00 à 12h00 - Bureau d'Etudes
Auto-similarité dans les plans de symétrie d'un jet pulsé quasi-elliptique
Dans cette présentation on montre que le concept d'auto-similarité d'habitude utilisé dans des écoulements axisymétrique ou bidimensionnels peut être étendu pour des jets 3D qui présentent des axes de symétrie. Ainsi l'analyse d'auto-similarité devient possible pour un jet quasi-elliptique à condition de borner (…) -
Hervé le Bras (Lab. de Démographie Historique, CNRS-EHESS)
Vendredi 3 février 2012 de 11h00 à 12h00 - Bureau d'Etudes
Le principe d'incertitude en démographie
comparaison des projections démographiques avec ce qui s'est réellement produit. L'origine des ratages : fixation sur le passé proche, idéologie, self-fullfilling and non-self-fullfilling prophecies, points de retournement. Peut-on prévoir les points de retournement ? quelques exemples. Variations des causes avec (…) -
Rémy Colin (MSC - Paris Diderot )
Vendredi 20 janvier 2012 de 11h00 à 12h00 - Bureau d'Etudes
Dynamique hétérogène dans des verres de colloïdes thermosensibles
Quand un liquide est refroidi suffisamment rapidement en dessous de sa température de solidification, sa cristallisation peut être évitée au profit de la formation d'un solide désordonné et hors équilibre appelé verre. Les suspensions colloïdales présentent un comportement analogue (formation d'un solide désordonné (…) -
Guillaume Romet-Lemonne (LEBS, Gif-sur-Yvette)
Vendredi 13 janvier 2012 de 11h00 à 12h00 - Bureau d'Etudes
Studying the dynamics of individual actin filaments using microfluidics
Actin filaments are an essential part of the cytoskeleton, and drive various cell processes, during which they elongate, disassemble and form different architectures. Actin filament assembly is itself a complex mechanism, in which ATP-bound actin monomers are incorporated into filaments, where they hydrolyze their (…) -
Charles Baroud (LadHyX, École Polytechnique)
Vendredi 6 janvier 2012 de 11h00 à 12h00 - Bureau d'Etudes
Deux histoires courtes pour se déplacer dans un microcanal
Résumé : J'aborderai deux thèmes sur lesquels nous avons travaillé récemment : D'abord je montrerai la manipulation de gouttes microfluidiques en deux dimensions, en utilisant les gradients d'énergie de surface. Cette technique que nous avons appelée "rails and anchors" permet de créer des matrices de gouttes (…)
-
Séminaire : Pierre-Thomas Brun (EPFL)
2011
-
Francesc Sagués (Universitat de Barcelona)
Vendredi 9 décembre 2011 de 11h00 à 12h00 - A4 (Langevin)
Séminaire PMMH
Driven paramagnetic colloids : from ratchets to swimmers I will briefly review some recent experimental and theoretical work on driven paramagnetic colloids either dispersed on structured or unstructured supports. In the first part the realization of modes of discrete transport of particles on patterned magnetic (…) -
Björn Hof (Max Planck Institute for Dynamics and Self-Organization, Göttingen)
Vendredi 2 décembre 2011 de 11h00 à 13h30 - A4 (Langevin)
Turbulence in pipe flow
Séminaires du laboratoire PMMH : consultez le programme -
Pascal Panizza (Université de Rennes I )
Vendredi 18 novembre 2011 de 11h00 à 12h00 - Amphithéâtre Langevin
Trafic et fragmentation de gouttes en microfluidique
Les techniques récentes de microfluidique permettent de produire des gouttelettes monodisperses de manière contrôlée et de les manipuler individuellement. Utilisées comme microréacteurs, ces gouttelettes sont l'élément de base d'applications digitales haut-débit permettant d'analyser un processus cinétique très (…)
-
Francesc Sagués (Universitat de Barcelona)
-
Séminaire PMMH - Edouard Ravier (Université du Mans)
What can we learn from the experimental modelling of subglacial hydrology ?
The configuration and evolution of the hydrological system under ice sheets is a key control on ice flow dynamics, erosion, sedimentation and bed deformation. Due to the inaccessibility of the su(...)
What can we learn from the experimental modelling of subglacial hydrology ?
The configuration and evolution of the hydrological system under ice sheets is a key control on ice flow dynamics, erosion, sedimentation and bed deformation. Due to the inaccessibility of the subglacial environment, the understanding of subglacial meltwater drainage and its interaction with the ice and the (…)- Séminaire PMMH - Farzam Zoueshtiagh (IEMN, Lille)
Dynamics and stability of a liquid-gas interface in the presence of micro-particles
This French-Japan-US collaborative study examines the influence of the micro-particles on the stability of the liquid-air interface. We will first revisit the effect of these particles on (...)
Dynamics and stability of a liquid-gas interface in the presence of micro-particles
This French-Japan-US collaborative study examines the influence of the micro-particles on the stability of the liquid-air interface. We will first revisit the effect of these particles on the dynamics of the interface in a confined "1D" geometry [1] with the formation of armored bubbles (fig. 1(a)) and will show (…)- Soft Matter Days 2015
Gathering ESPCI persons working in the field of soft matter in order to share their research activity in a relaxing atmosphere
Version française Information for the speakersThe audience is composed of people with rather heterogeneous backgrounds including specialists in solids, fluids, granular flows, statistical physics... so the idea is to keep your talk understandable by people not necessarily working in your field... The seminar time slot runs from 11am to noon so the best is to make the talk last around 45 minutes to leave some time for discussion.
Other seminars in Paris and its surroundings :- Séminaires ESPCI-ENS de biophysique
- Séminaires du Département de Physique de l’ENS
- Séminaires du Laboratoire d’Hydrodynamique de l’X
- Séminaire de Mécanique d’Orsay (page web FAST)
- Séminaire de Mécanique d’Orsay (page web LIMSI)
- Séminaire de Mécanique des Fluides de l’Institut Jean le Rond d’Alembert
- Séminaires du laboratoire MSC, Paris VII
- Séminaires Gulliver
br >
br >
Link to cofee seminar (internal, every Thursday)
Contact
Directeur : Ramiro GODOY DIANA
Codirecteur : Laurent DUCHEMIN
Administratrice : Frédérique AUGER (01 40 79 45 22)
Gestionnaire : Claudette BAREZ (01 40 79 58 53)
Courriel :
Téléphone : 01 40 79 45 22
Adresse : PMMH UMR 7636 CNRS, ESPCI Paris-PSL, Sorbonne Université, Université Paris Cité
7 Quai Saint Bernard, Barre Cassan Bât A 1er étage Case 18, 75005 Paris
- Séminaire PMMH - Farzam Zoueshtiagh (IEMN, Lille)
-
Séminaire PMMH - Edouard Ravier (Université du Mans)


